LEMON Manuals: Even more car manuals for everyone: 1960-2025
Home >> Nissan-Datsun >> 2002 >> Sentra SE-R, Standard >> Repair and Diagnosis >> Body & Frame >> Door Locks >> Remote Keyless Entry System >> Schematic
April 5, 2026: LEMON Manuals is launched! Read the announcement.

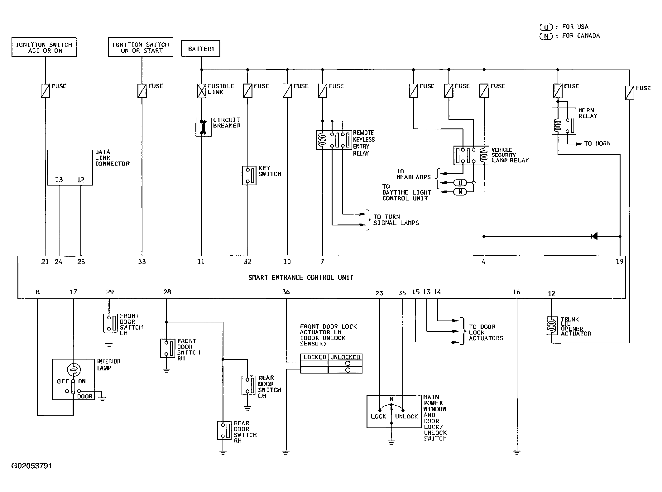
Remote Keyless Entry System: Schematic

Fig 1: Identifying Remote Keyless Entry System-Schematic
G02053791Courtesy of NISSAN MOTOR CO., U.S.A.