LEMON Manuals: Even more car manuals for everyone: 1960-2025
Home >> Nissan-Datsun >> 2003 >> Sentra SE-R Spec V >> Repair and Diagnosis >> Engine Performance >> System >> Engine Controls - System & Component Testing >> Ignition System >> Ignition Signal Circuits >> Murano
April 5, 2026: LEMON Manuals is launched! Read the announcement.

Ignition Signal Circuits: Murano

For ignition signal circuit system and component testing, see Fig 1-Fig 12 . For diagnosis of ECM power supply circuit, see POWER & GROUND CIRCUITS (MURANO) . For intermittent problem, see INTERMITTENTS in TROUBLE SHOOTING - NO CODES article.

Fig 1: Ignition Signal Circuit System & Component Testing Procedure (Murano - 1 Of 12)
G00267083Courtesy of NISSAN MOTOR CO., U.S.A.
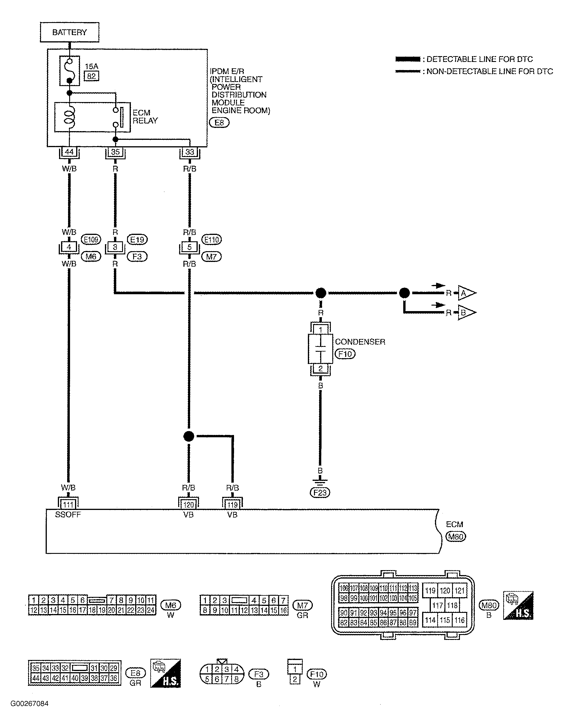
Fig 2: Ignition Signal Circuit System & Component Testing Procedure (Murano - 2 Of 12)
G00267084Courtesy of NISSAN MOTOR CO., U.S.A.
Fig 3: Ignition Signal Circuit System & Component Testing Procedure (Murano - 3 Of 12)
G00267085Courtesy of NISSAN MOTOR CO., U.S.A.
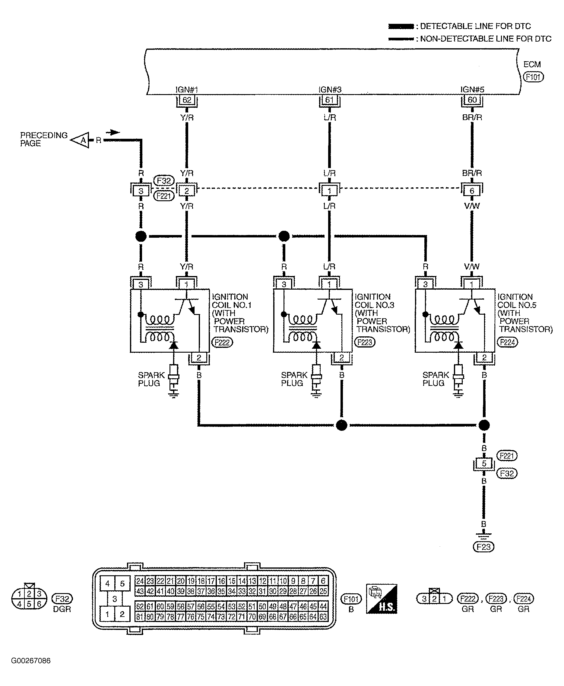
Fig 4: Ignition Signal Circuit System & Component Testing Procedure (Murano - 4 Of 12)
G00267086Courtesy of NISSAN MOTOR CO., U.S.A.
Fig 5: Ignition Signal Circuit System & Component Testing Procedure (Murano - 5 Of 12)
G00267087Courtesy of NISSAN MOTOR CO., U.S.A.
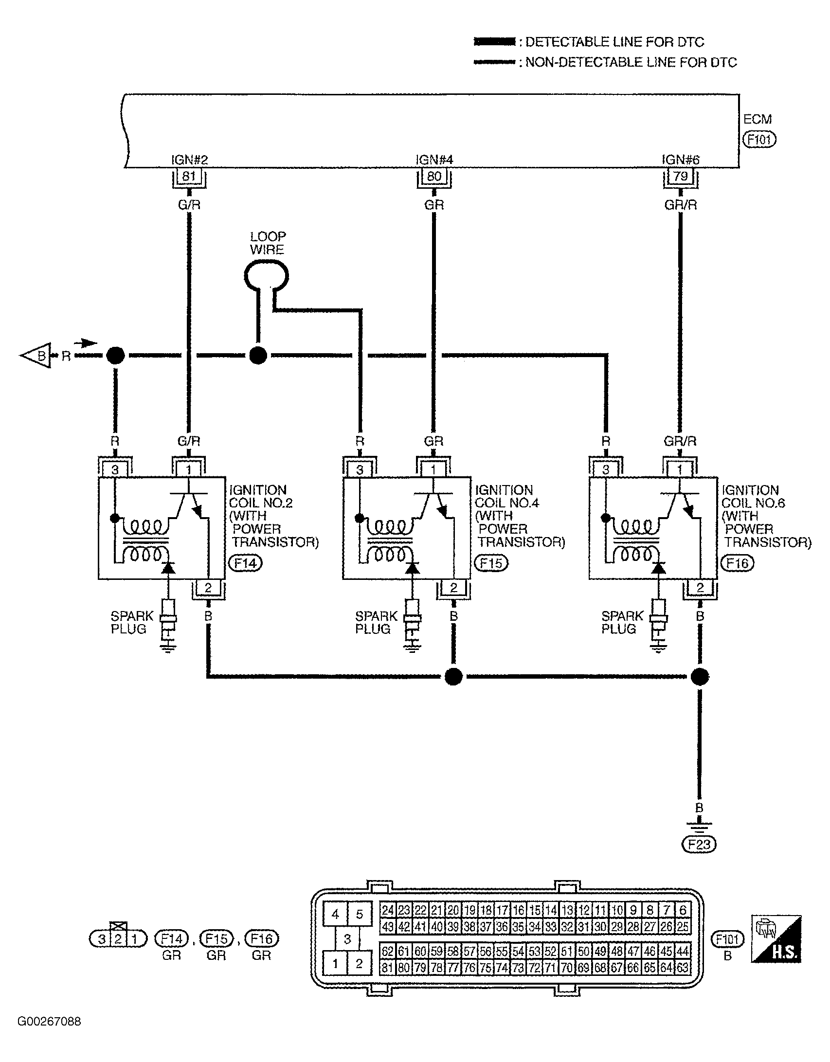
Fig 6: Ignition Signal Circuit System & Component Testing Procedure (Murano - 6 Of 12)
G00267088Courtesy of NISSAN MOTOR CO., U.S.A.
Fig 7: Ignition Signal Circuit System & Component Testing Procedure (Murano - 7 Of 12)
G00267089Courtesy of NISSAN MOTOR CO., U.S.A.
Fig 8: Ignition Signal Circuit System & Component Testing Procedure (Murano - 8 Of 12)
G00267090Courtesy of NISSAN MOTOR CO., U.S.A.
Fig 9: Ignition Signal Circuit System & Component Testing Procedure (Murano - 9 Of 12)
G00267091Courtesy of NISSAN MOTOR CO., U.S.A.
Fig 10: Ignition Signal Circuit System & Component Testing Procedure (Murano - 10 Of 12)
G00267092Courtesy of NISSAN MOTOR CO., U.S.A.
Fig 11: Ignition Signal Circuit System & Component Testing Procedure (Murano - 11 Of 12)
G00267093Courtesy of NISSAN MOTOR CO., U.S.A.
Fig 12: Ignition Signal Circuit System & Component Testing Procedure (Murano - 12 Of 12)
G00267094Courtesy of NISSAN MOTOR CO., U.S.A.