LEMON Manuals: Even more car manuals for everyone: 1960-2025
Home >> Nissan-Datsun >> 2003 >> Sentra SE-R Spec V >> Repair and Diagnosis >> Engine Performance >> System >> Engine Controls - System & Component Testing >> Miscellaneous Controls >> Electrical Load Signal >> Pathfinder
April 5, 2026: LEMON Manuals is launched! Read the announcement.

Electrical Load Signal: Pathfinder

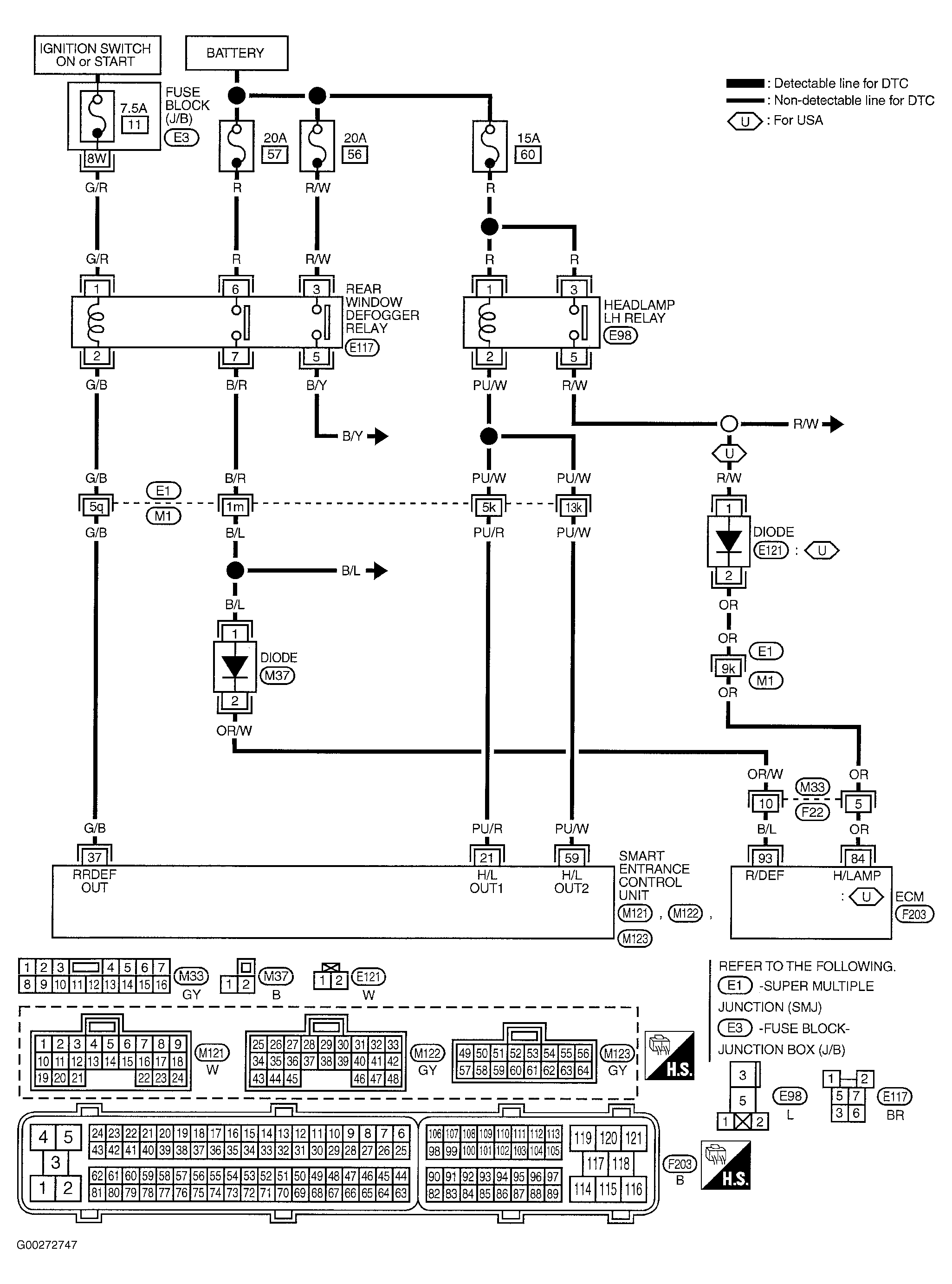
For electrical load signal circuit diagnosis, see Fig 1-Fig 5 . For rear window defogger circuit check, see appropriate REAR WINDOW DEFOGGERS article in ACCESSORIES & EQUIPMENT. If problem is intermittent, see INTERMITTENTS in TROUBLE SHOOTING - NO CODES article.

For engine control system component locations, see Figure-Figure . For ECM location, connector and terminal view, see Figure. For removal and installation of components, see appropriate REMOVAL & INSTALLATION article.

Fig 1: Electrical Load Signal Circuit System & Component Testing Procedure (Pathfinder - 1 Of 5)
G00272746Courtesy of NISSAN MOTOR CO., U.S.A.
Fig 2: Electrical Load Signal Circuit System & Component Testing Procedure (Pathfinder - 2 Of 5)
G00272747Courtesy of NISSAN MOTOR CO., U.S.A.
Fig 3: Electrical Load Signal Circuit System & Component Testing Procedure (Pathfinder - 3 Of 5)
G00272748Courtesy of NISSAN MOTOR CO., U.S.A.
Fig 4: Electrical Load Signal Circuit System & Component Testing Procedure (Pathfinder - 4 Of 5)
G00272749Courtesy of NISSAN MOTOR CO., U.S.A.
Fig 5: Electrical Load Signal Circuit System & Component Testing Procedure (Pathfinder - 5 Of 5)
G00272750Courtesy of NISSAN MOTOR CO., U.S.A.