LEMON Manuals: Even more car manuals for everyone: 1960-2025
Home >> Nissan-Datsun >> 2003 >> Sentra SE-R Spec V >> Repair and Diagnosis >> Engine Performance >> Testing & Diagnosis >> Engine Controls - System & Component Testing >> Computerized Engine Controls >> Engine Control Module >> Power & Ground Circuits (350Z)
April 5, 2026: LEMON Manuals is launched! Read the announcement.

Power & Ground Circuits (350Z)

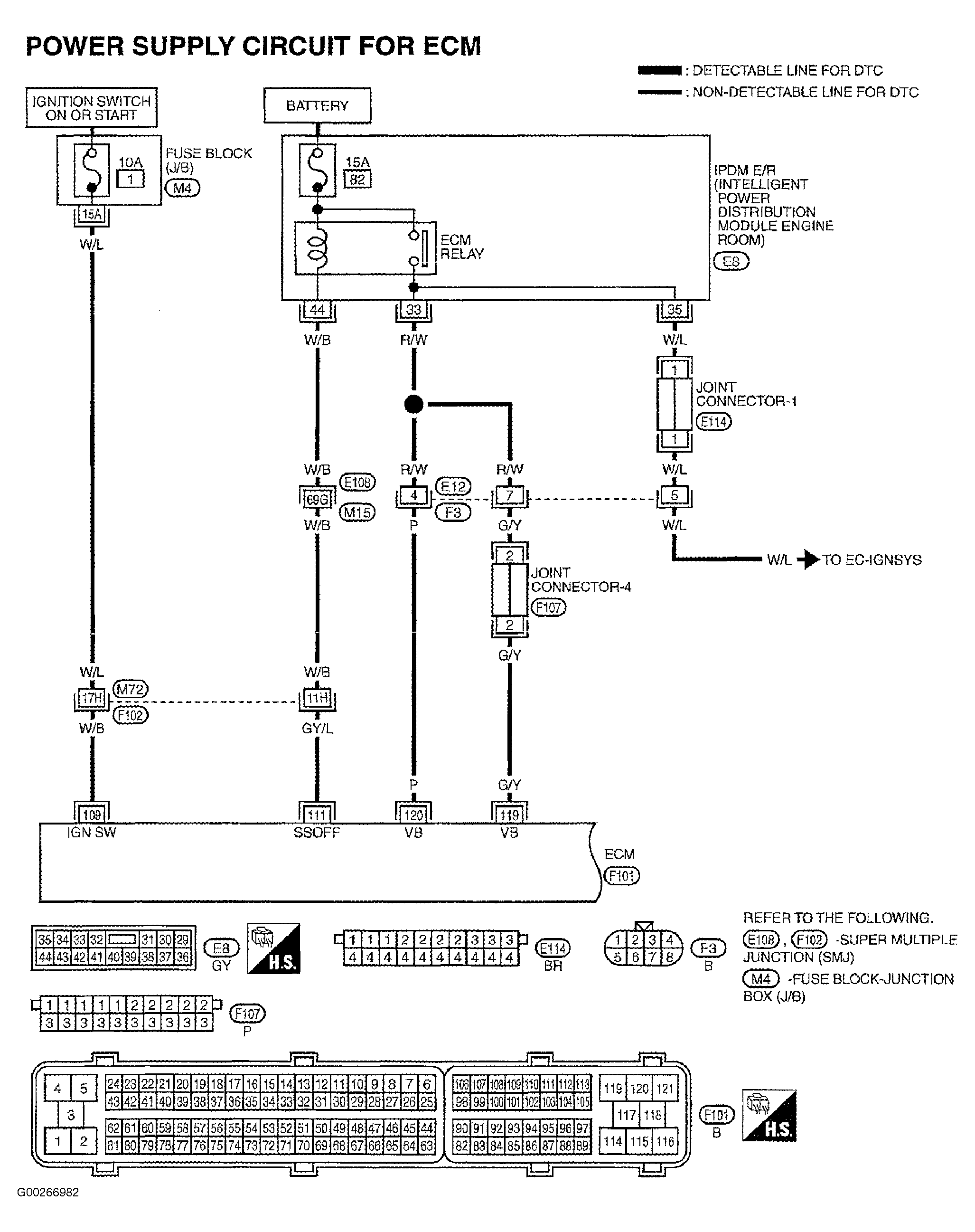
For ECM power and ground circuit wiring diagram and diagnostic procedure, see Fig 1-Fig 8 . If no problem is found, check ignition signal circuit. See IGNITION SIGNAL CIRCUITS  under IGNITION SYSTEM. For intermittent diagnosis, see INTERMITTENTS in TROUBLE SHOOTING - NO CODES article.

For engine control system component locations, see Figure-Figure . For ECM location, connector and terminal view, see Fig 9. For removal and installation of components, see appropriate REMOVAL & INSTALLATION article.

Fig 1: ECM Power Supply Circuit Diagnostic Procedure (350Z - 1 Of 8)
G00266982Courtesy of NISSAN MOTOR CO., U.S.A.
Fig 2: ECM Power Supply Circuit Diagnostic Procedure (350Z - 2 Of 8)
G00266983Courtesy of NISSAN MOTOR CO., U.S.A.
Fig 3: ECM Power Supply Circuit Diagnostic Procedure (350Z - 3 Of 8)
G00266984Courtesy of NISSAN MOTOR CO., U.S.A.
Fig 4: ECM Power Supply Circuit Diagnostic Procedure (350Z - 4 Of 8)
G00266985Courtesy of NISSAN MOTOR CO., U.S.A.
Fig 5: ECM Power Supply Circuit Diagnostic Procedure (350Z - 5 Of 8)
G00266986Courtesy of NISSAN MOTOR CO., U.S.A.
Fig 6: ECM Power Supply Circuit Diagnostic Procedure (350Z - 6 Of 8)
G00266987Courtesy of NISSAN MOTOR CO., U.S.A.
Fig 7: ECM Power Supply Circuit Diagnostic Procedure (350Z - 7 Of 8)
G00266988Courtesy of NISSAN MOTOR CO., U.S.A.
Fig 8: ECM Power Supply Circuit Diagnostic Procedure (350Z - 8 Of 8)
G00266989Courtesy of NISSAN MOTOR CO., U.S.A.
Fig 9: Locating Engine Control Module & Connector Terminal Layout (350Z)
G00266974Courtesy of NISSAN MOTOR CO., U.S.A.