LEMON Manuals: Even more car manuals for everyone: 1960-2025
Home >> Nissan-Datsun >> 2003 >> Sentra SE-R, Automatic >> Repair and Diagnosis >> External Pages >> Different car >> Section 1136 (Auto Light System) >> Auto Light System >> Schematic
April 5, 2026: LEMON Manuals is launched! Read the announcement.

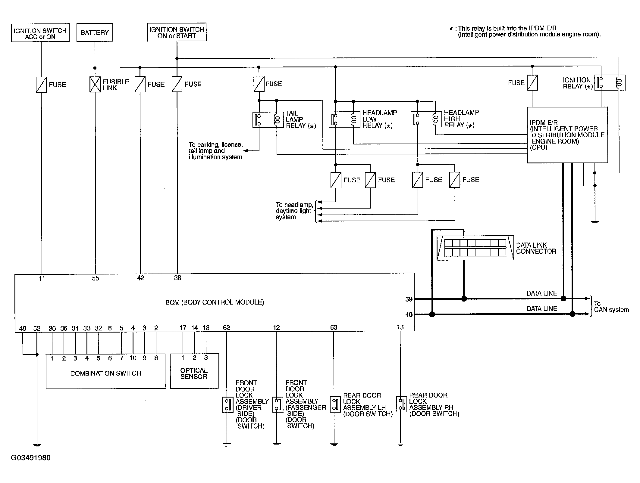
Auto Light System: Schematic

WARNING: This page is about a different car, the 2004 Nissan Murano. However, it is still accessible from the selected car via links, so may be relevant.
Fig 1: Auto Light System Schematic Diagram
G03491980Courtesy of NISSAN MOTOR CO., U.S.A.