LEMON Manuals: Even more car manuals for everyone: 1960-2025
Home >> Nissan-Datsun >> 2003 >> Sentra SE-R, Automatic >> Repair and Diagnosis >> External Pages >> Different car >> Section 1157 (BCM (Body Control Module)) >> BCM (Body Control Module) >> System Description >> Combination Switch Reading Function
April 5, 2026: LEMON Manuals is launched! Read the announcement.

Combination Switch Reading Function

WARNING: This page is about a different car, the 2004 Nissan Murano. However, it is still accessible from the selected car via links, so may be relevant.
  1. Description
    • BCM reads combination switch (light, wiper) status, and controls related systems such as head lamps and wipers, according to the results.
    • BCM reads information of a maximum of 20 switches by combining five output terminals (OUTPUT 1-5) and five input terminals (INPUT 1-5).
  2. Operation description
    • BCM activates transistors of output terminals (OUTPUT 1-5) periodically and, allows current to flow in turn.
    • If any (1 or more) switches are turned ON, circuit of output terminals (OUTPUT 1-5) and input terminals (INPUT 1-5) becomes active.
    • At this time, transistors of output terminals (OUTPUT 1-5) are activated to allow current to flow. When voltage of input terminals (INPUT 1-5) corresponding to that switch changes, interface in BCM detects voltage change, and BCM determines that switch is ON.
      Fig 1: Describing Combination Switch Operation
      G03492255Courtesy of NISSAN MOTOR CO., U.S.A.
  3. BCM - Operation table of combination switches
    • BCM reads operation status of combination switch using combinations shown in table below.
      Fig 2: Operation Table Of Combination Switch Chart
      G03492256Courtesy of NISSAN MOTOR CO., U.S.A.
      NOTE: Headlamp has a dual system switch.
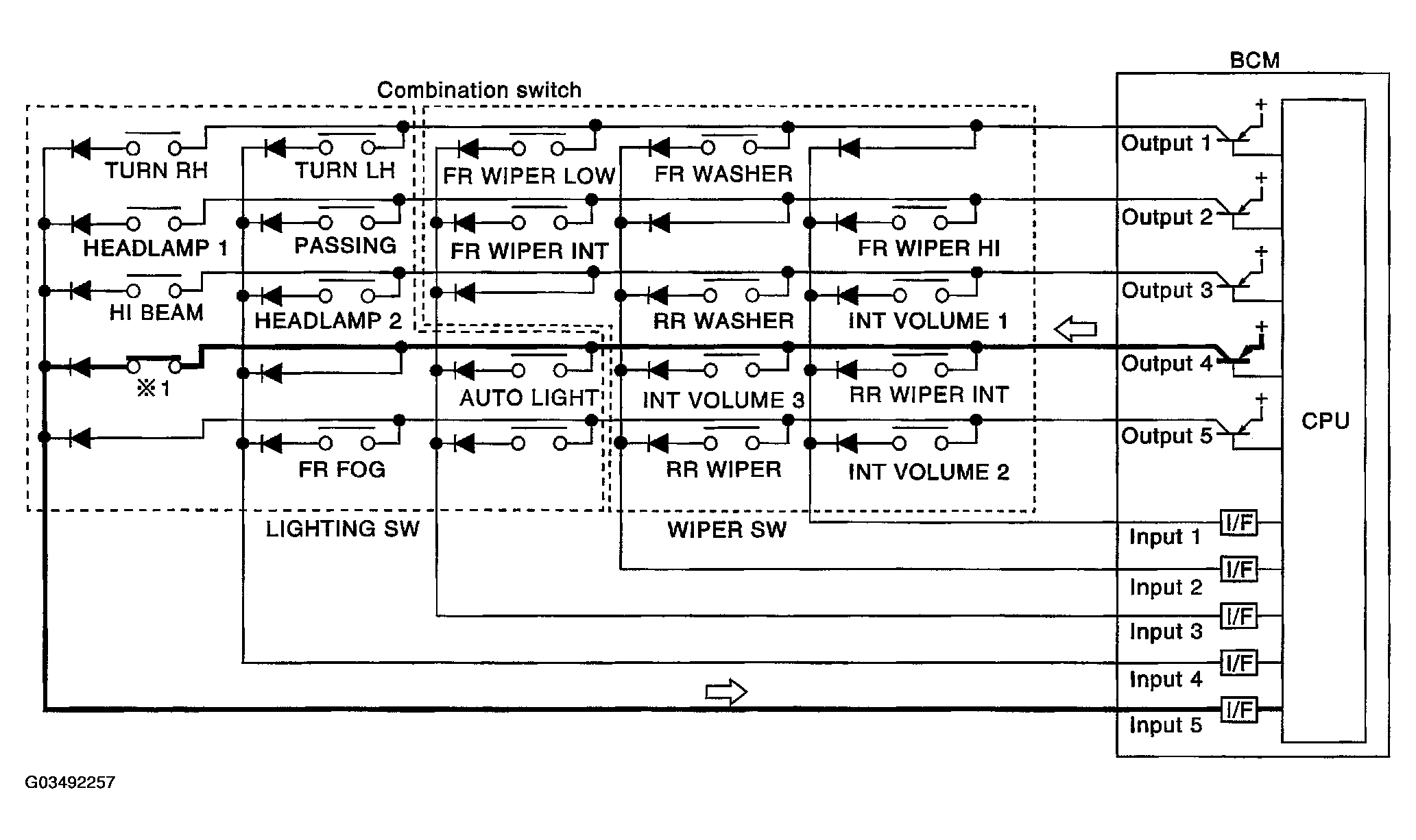
  4. Sample operation: (When lighting switch 1st position turned ON)
    • When lighting switch 1st position is turned ON, contact in combination switch turns ON. At this time if OUTPUT 4 transistor is activated, BCM detects that voltage changes in INPUT 5.
    • When OUTPUT 4 transistor is ON, BCM detects that voltage changes in INPUT 5, and judges that lighting switch 1st position is ON. Then BCM sends tail lamp ON signal to IPDM E/R using CAN communication.
    • When OUTPUT 4 transistor is activated again, BCM detects that voltage changes in INPUT 5, and recognizes that lighting switch 1st position is continuously ON.
      Fig 3: Describing Sample Combination Switch Operation
      G03492257Courtesy of NISSAN MOTOR CO., U.S.A.
      NOTE: Each OUTPUT terminal transistor is activated at 10 ms intervals. Therefore after switch is turned ON, I electrical loads are activated with time delay. But this time delay is so short that it cannot be detected by human senses.
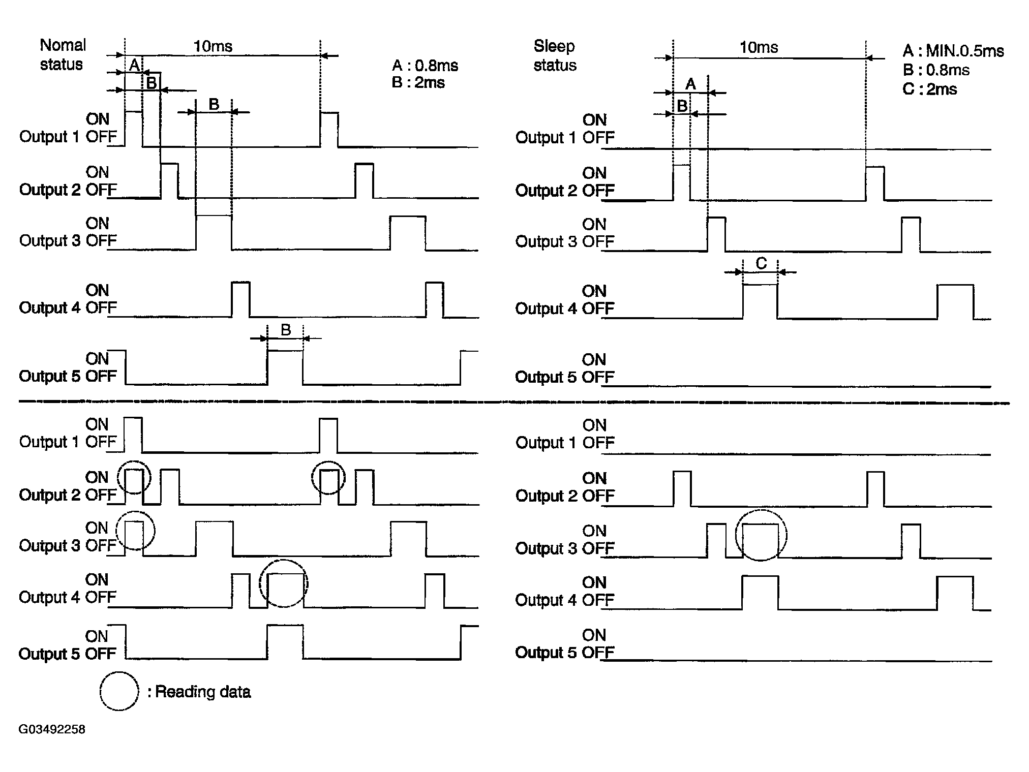
  5. Operation mode
    • Combination switch reading function has operation modes shown below.
    1. Normal status
      • When BCM is not in sleep status, OUTPUT terminals (1-5) each turn ON-OFF every 10 ms.
    2. Sleep status
      • When BCM is in sleep status, transistors of OUTPUT 1 and 5 stop the output, and BCM enters low current consumption mode. OUTPUT (2, 3, and 4) turn ON-OFF every 10 ms, and only input from light switch system is accepted.
        Fig 4: Describing Operation Modes
        G03492258Courtesy of NISSAN MOTOR CO., U.S.A.