LEMON Manuals: Even more car manuals for everyone: 1960-2025
Home >> Nissan-Datsun >> 2003 >> Sentra SE-R, Automatic >> Repair and Diagnosis >> External Pages >> Different car >> Section 1295 (Integrated Display System) >> Schematic
April 5, 2026: LEMON Manuals is launched! Read the announcement.

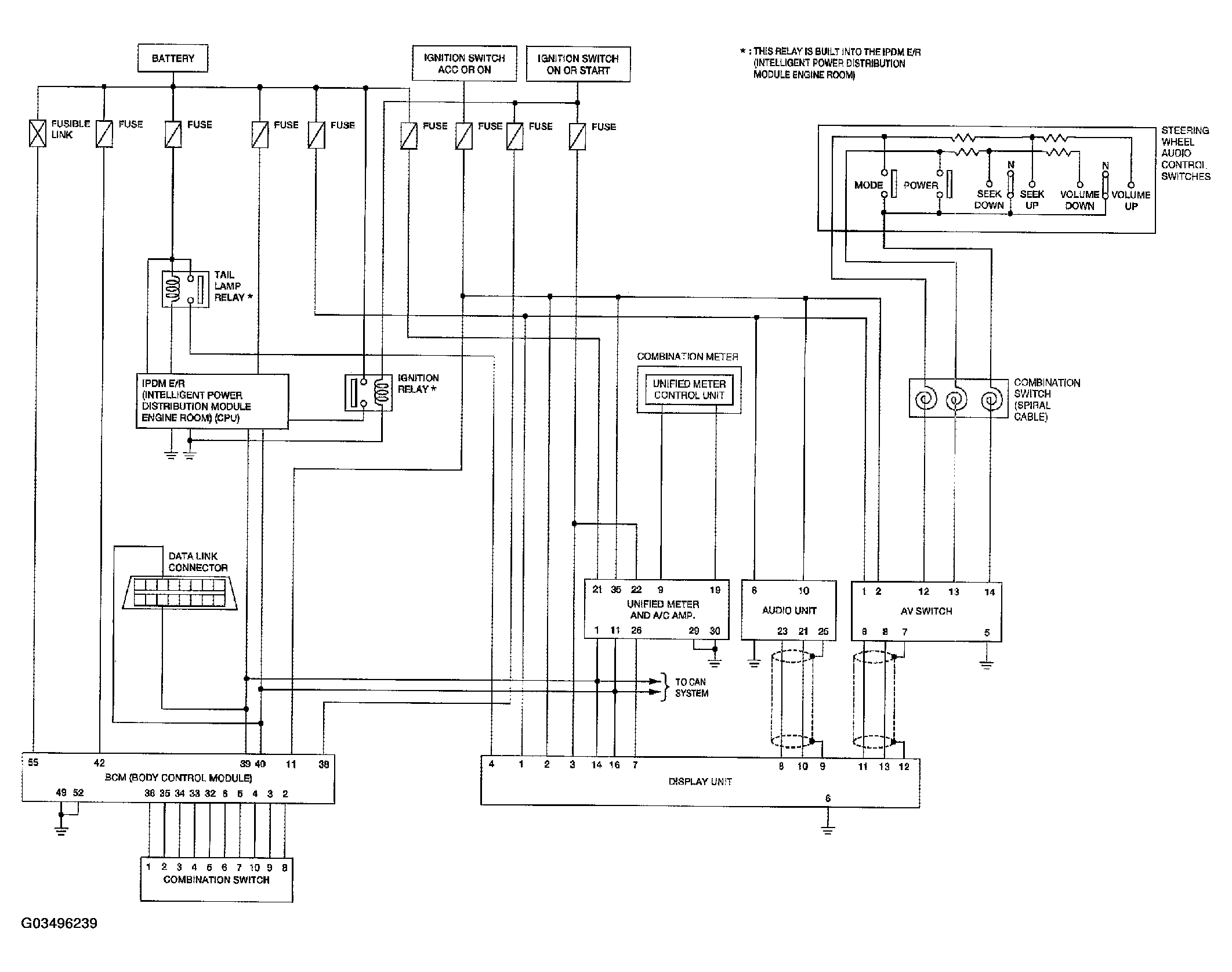
Section 1295 (Integrated Display System): Schematic

WARNING: This page is about a different car, the 2004 Nissan Maxima. However, it is still accessible from the selected car via links, so may be relevant.
Fig 1: Integrated Display System Schematic Wiring Schematic
G03496239Courtesy of NISSAN MOTOR CO., U.S.A.