LEMON Manuals: Even more car manuals for everyone: 1960-2025
Home >> Nissan-Datsun >> 2003 >> Sentra SE-R, Automatic >> Repair and Diagnosis >> External Pages >> Different car >> Section 192 (Engine Controls - Self-Diagnostics) >> Diagnostic Tests >> DTC P0221: Throttle Position Sensor Circuit Range Performance Problem >> Diagnostic Procedure
April 5, 2026: LEMON Manuals is launched! Read the announcement.

Diagnostic Procedure

WARNING: This page is about a different car, the 2003 Infiniti G35. However, it is still accessible from the selected car via links, so may be relevant.
CAUTION: DO NOT use ECM ground terminals when measuring voltage. Damage to ECM transistor may result. Use engine ground.

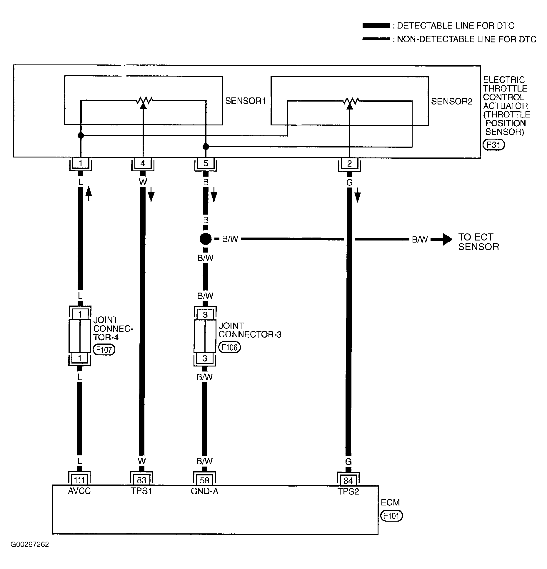
For component location, see COMPONENT LOCATIONS  . For connector terminal identification, see CONNECTOR IDENTIFICATION  . For circuit diagram, see Figure . For ECM pin voltage/resistance reference values, see Figure .

  1. Turn ignition off. Loosen and retighten 2 engine ground screws. See Figure . Then, go to next step.
  2. Disconnect electric throttle control actuator harness connector F31. Turn ignition on. Measure voltage between engine ground and electric throttle control actuator harness connector F31 terminal No. 1. About 5 volts should exist. If voltage is as specified, go to step  4 . If voltage is not as specified, go to next step.
  3. Check the following:
    • Joint connector-4.
    • Harness for open or short between electric throttle control actuator harness connector F31 and ECM harness connector F101.
    Repair as necessary.
  4. Turn ignition off. Disconnect electric throttle control actuator harness connector F31. Check harness continuity between electric throttle control actuator harness connector F31 terminal No. 5 and engine ground. Continuity should exist. Also check harness for short to ground and short to power. If problem is found, go to next step. If no problem is found, go to step  6 .
  5. Check the following:
    • Joint connector-3.
    • Harness for open or short between electric throttle control actuator harness connector F31 and ECM harness connector F101.
    Repair as necessary.
  6. Disconnect ECM harness connector F101. Check harness continuity between electric throttle control actuator harness connector F31 terminal No. 4 and ECM harness connector F101 terminal No. 83. Continuity should exist. Also check harness for short to ground and short to power. If problem is found, repair as necessary. If no problem is found, go to next step.
  7. Reconnect all harness connectors. Perform throttle valve closed position learning procedure. See THROTTLE VALVE CLOSED POSITION LEARNING  under PROGRAMMING. Turn ignition on. Shift transmission into "D" position. Measure voltage between ground and ECM harness connector F101 terminals No. 83 and 84 by backprobing, with accelerator pedal in specified positions. See THROTTLE POSITION SENSOR VOLTAGE  table. If problem is found, go to next step. If no problem is found, go to step  9 .
  8. Replace electric throttle control actuator. See INTAKE MANIFOLD COLLECTOR (FX35 & G35) under AIR INDUCTION SYSTEMS in REMOVAL & INSTALLATION article. Perform throttle valve closed position learning and idle air volume learning procedures. See THROTTLE VALVE CLOSED POSITION LEARNING  and IDLE AIR VOLUME LEARNING  under PROGRAMMING.
  9. No problem is indicated at this time. Problem may be intermittent. See INTERMITTENTS in TROUBLE SHOOTING - NO CODES article.