LEMON Manuals: Even more car manuals for everyone: 1960-2025
Home >> Nissan-Datsun >> 2004 >> Sentra SE-R >> Repair and Diagnosis >> External Pages >> Different car >> Section 115 (Engine Controls - Self-Diagnostics) >> Diagnostic Tests >> DTC P0453: EVAP Control System Pressure Sensor >> Circuit Identification
April 5, 2026: LEMON Manuals is launched! Read the announcement.

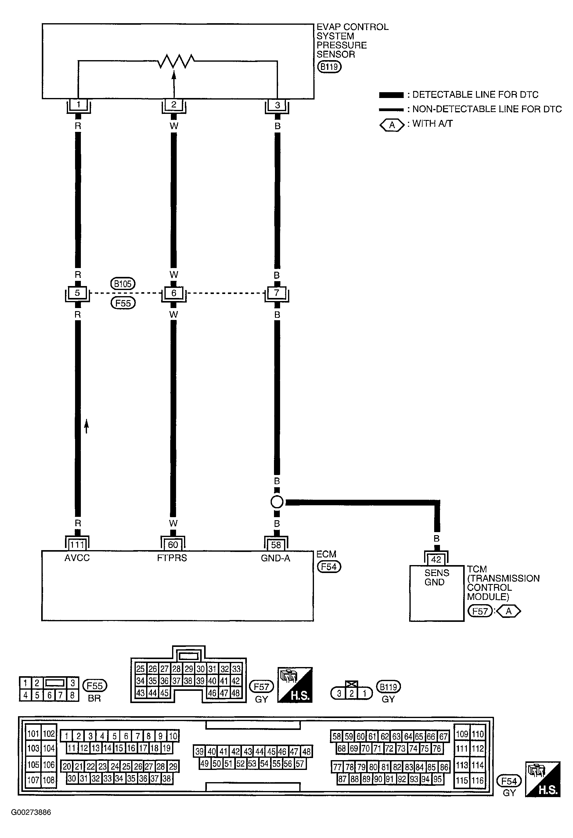
Circuit Identification

WARNING: This page is about a different car, the 2003 Nissan Altima. However, it is still accessible from the selected car via links, so may be relevant.

For circuit identification, see Figure-Figure .