LEMON Manuals: Even more car manuals for everyone: 1960-2025
Home >> Nissan-Datsun >> 2004 >> Sentra SE-R >> Repair and Diagnosis >> External Pages >> Different car >> Section 1946 (Windshield/Window Glass) >> Power Window Control System >> Front Passenger Side Power Window does not Operate with Front Passenger Side Power Window Switch >> Wiring Diagram
April 5, 2026: LEMON Manuals is launched! Read the announcement.

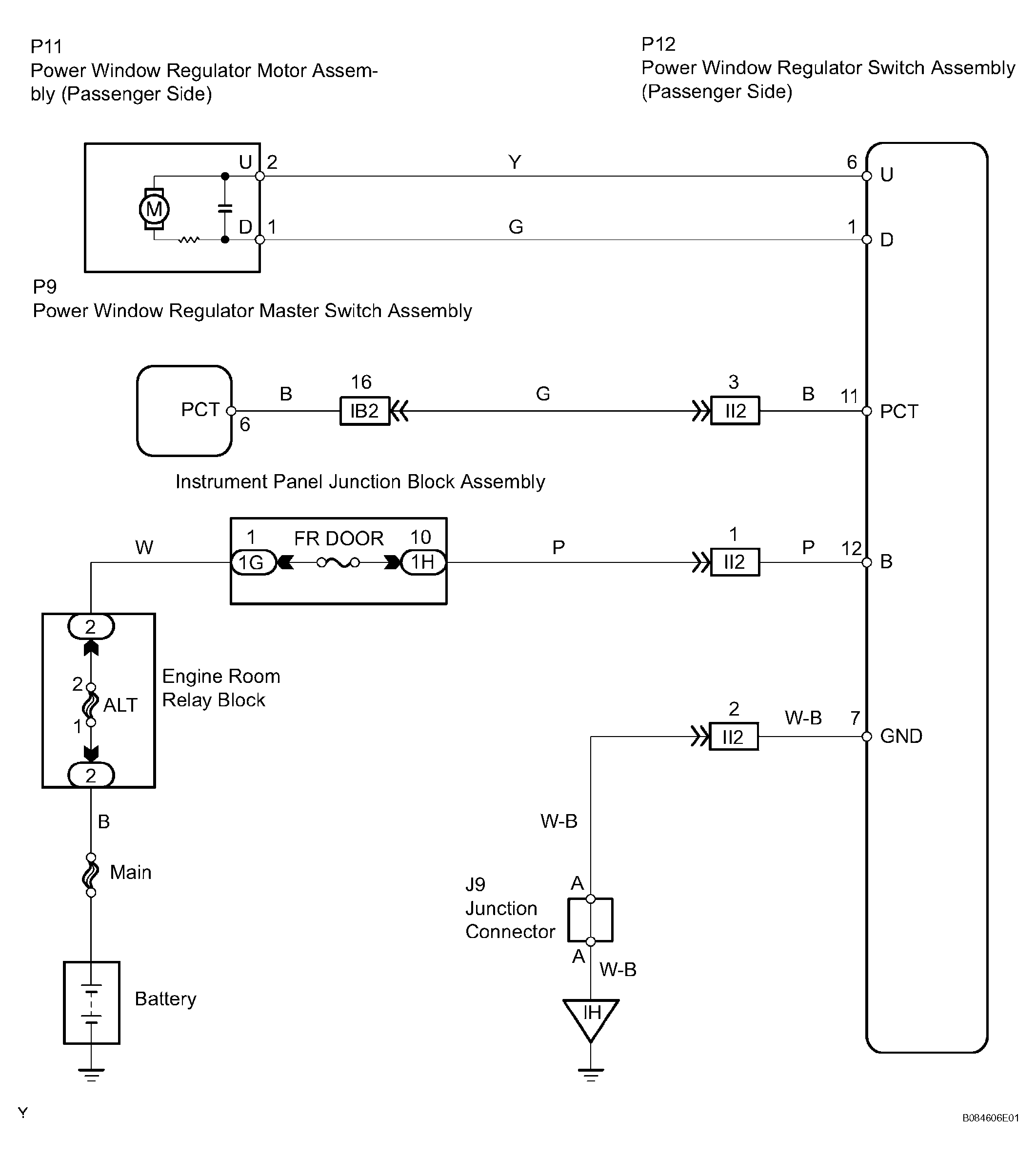
Front Passenger Side Power Window does not Operate with Front Passenger Side Power Window Switch: Wiring Diagram

WARNING: This page is about a different car, the 2006 Scion tC. However, it is still accessible from the selected car via links, so may be relevant.
Fig 1: Front Passenger Side Power Window Does Not Operate With Front Passenger Side Power Window Switch - Wiring Diagram
G04224433Courtesy of © TOYOTA, LICENSE AGREEMENT TMS1002