LEMON Manuals: Even more car manuals for everyone: 1960-2025
Home >> Nissan-Datsun >> 2004 >> Sentra SE-R >> Repair and Diagnosis >> External Pages >> Different car >> Section 631 (Body Control Module - Coupe) >> BCM (Body Control Module) >> System Description >> Combination Switch Reading Function >> Operation Mode
April 5, 2026: LEMON Manuals is launched! Read the announcement.

Operation Mode

WARNING: This page is about a different car, the 2005 Infiniti G35. However, it is still accessible from the selected car via links, so may be relevant.
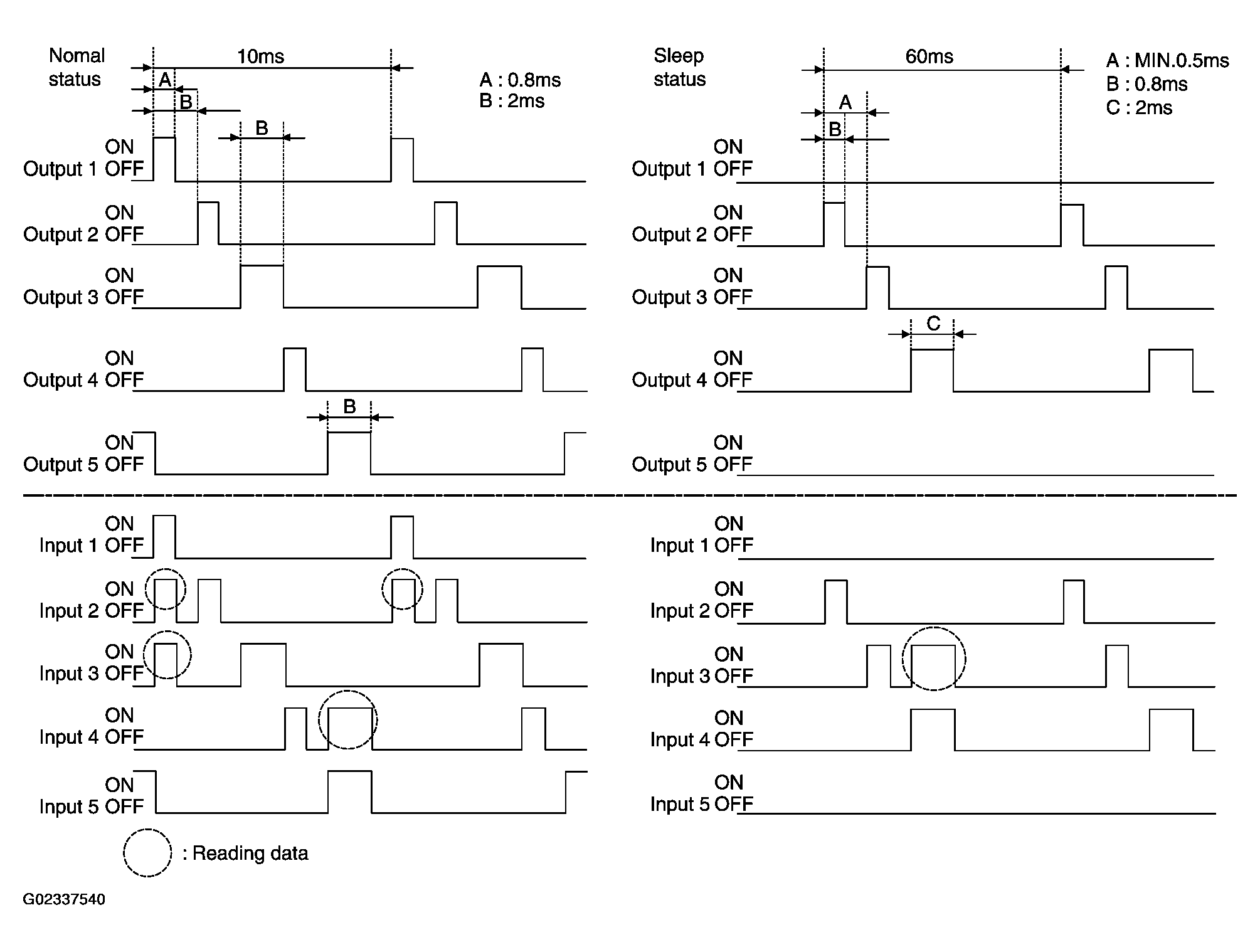
  1. Normal status
    • When BCM is not in sleep status, OUTPUT terminals (1-5) send out ON signal every 10 ms.
  2. Sleep status
    • When BCM is in sleep status, transistors of OUTPUT 1 and 5 stop the output, and BCM enters low power mode. Meanwhile OUTPUT 2, 3, and 4 send out ON signal every 60 ms, and accept only input from light switch system.
    Fig 1: Identifying BCM Low Power Mode Operation
    G02337540Courtesy of NISSAN MOTOR CO., U.S.A.