LEMON Manuals: Even more car manuals for everyone: 1960-2025
Home >> Nissan-Datsun >> 2005 >> Sentra Base, Automatic >> Repair and Diagnosis >> Engine Performance >> Engine Control System (QG18DE) >> Engine Control System >> System Diagram
April 5, 2026: LEMON Manuals is launched! Read the announcement.

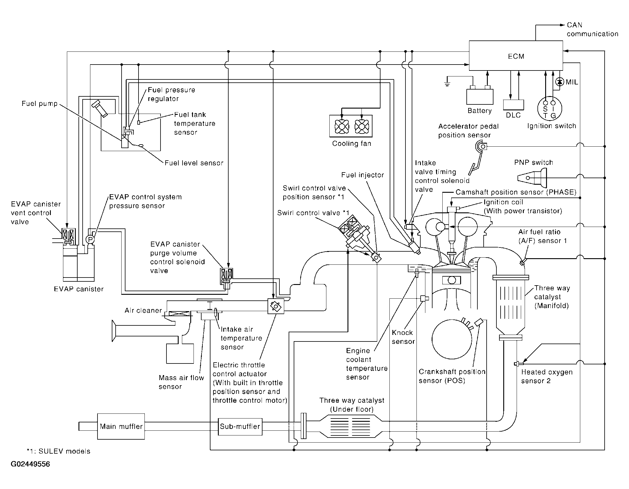
System Diagram

Fig 1: Engine Control System Diagram
G02449556Courtesy of NISSAN MOTOR CO., U.S.A.