LEMON Manuals: Even more car manuals for everyone: 1960-2025
Home >> Nissan-Datsun >> 2005 >> Sentra SE-R Spec V >> Repair and Diagnosis (Single Page) >> Engine Performance >> System >> Engine Control System - Component Testing (Qr25DE) >> Electrical Load Signal >> Wiring Diagram >> A/T Models ULEV And M/T Models
April 5, 2026: LEMON Manuals is launched! Read the announcement.

A/T Models ULEV And M/T Models

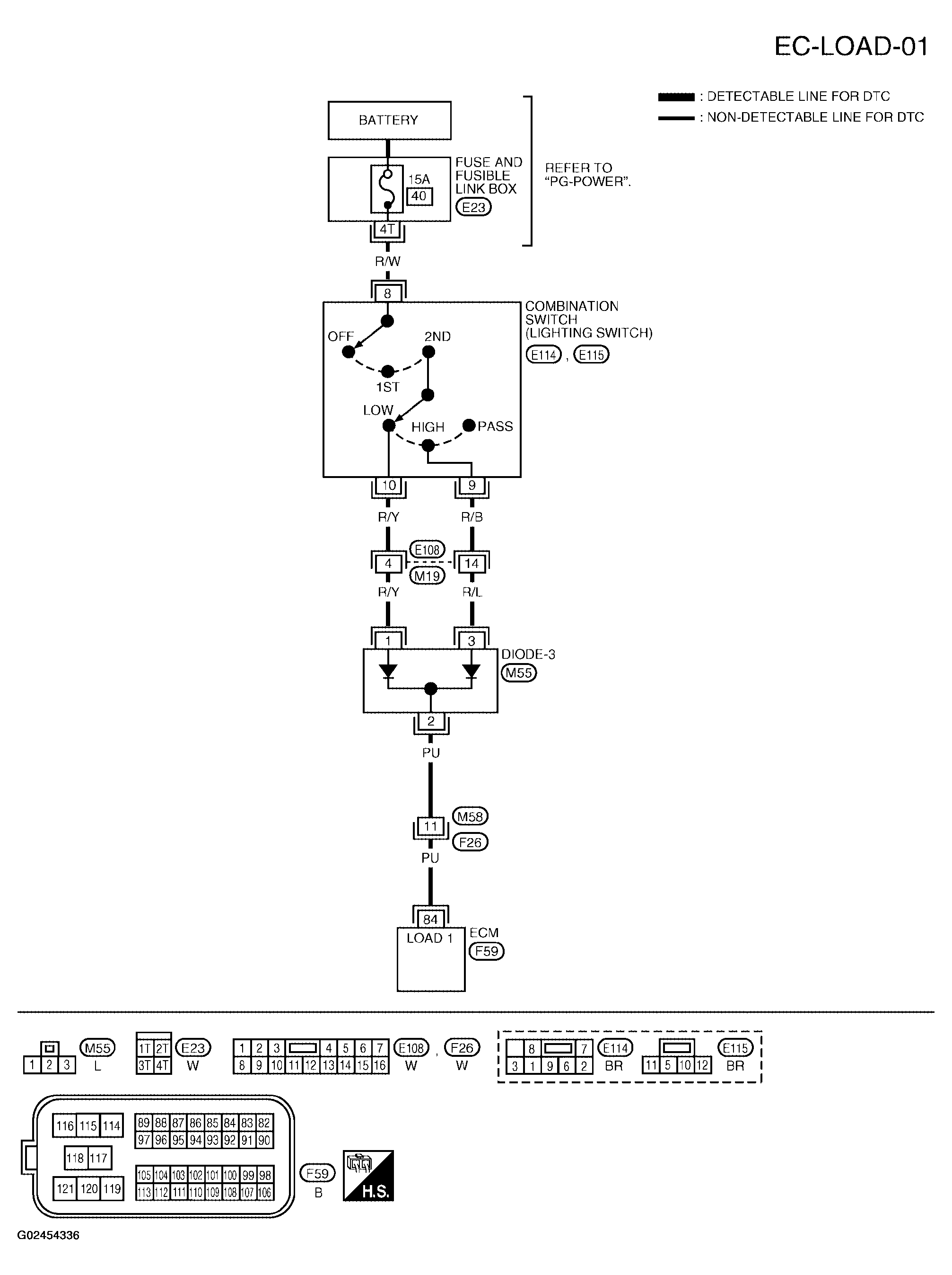
Fig 1: Wiring Diagram - Electrical Load Signal, A/T Models ULEV And M/T Models (EC-LOAD-01)
G02454336Courtesy of NISSAN MOTOR CO., U.S.A.

Specification data are reference values and are measured between each terminal and ground.

CAUTION: Do not use ECM ground terminals when measuring input/output voltage. Doing so may result in damage to the ECM's transistor. Use a ground other than ECM terminals, such as the ground.
Fig 2: ECM Terminal Values Chart - Electrical Load Signal (Headlamps)
G02454337Courtesy of NISSAN MOTOR CO., U.S.A.
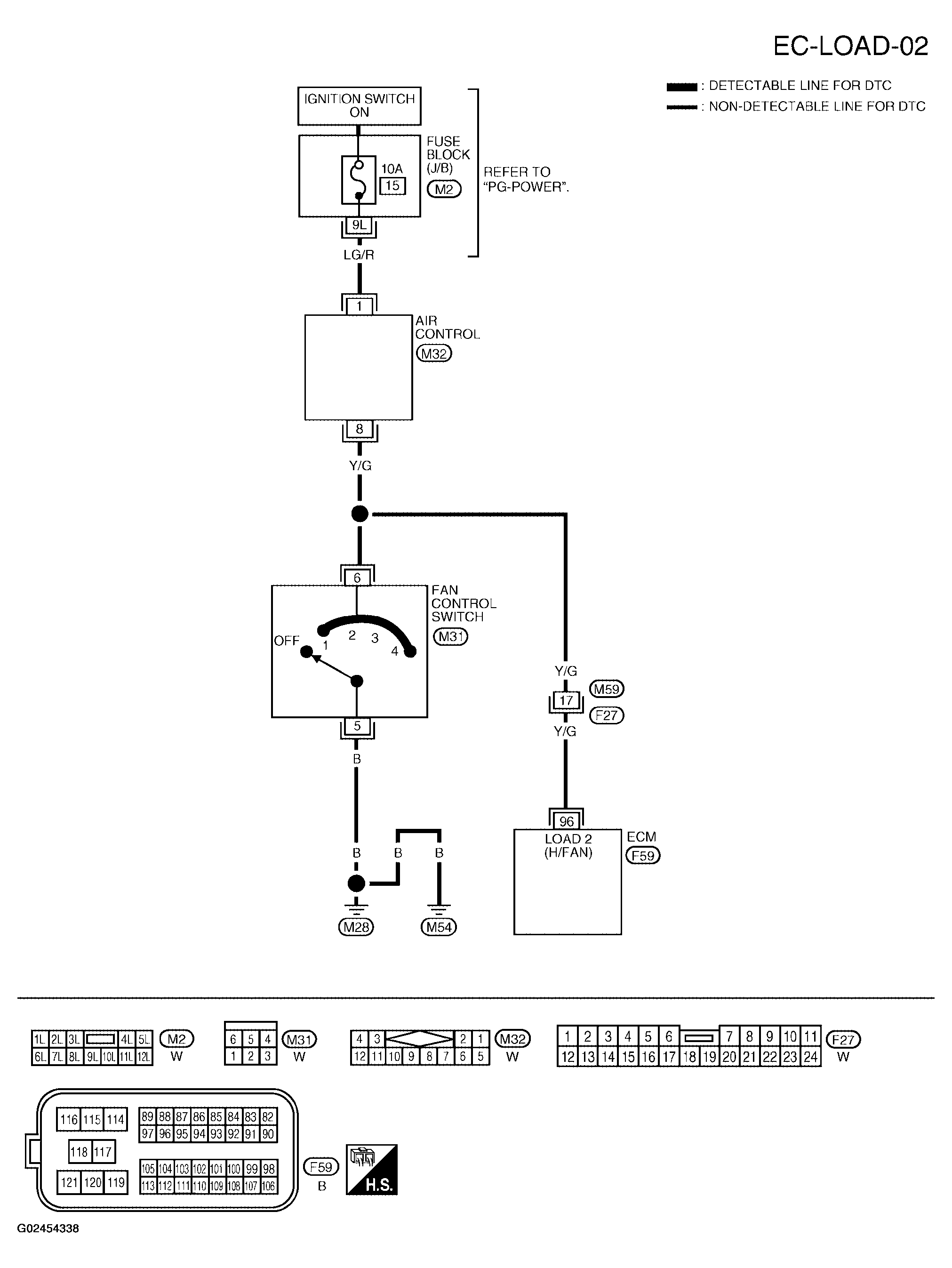
Fig 3: Wiring Diagram - Electrical Load Signal, A/T Models ULEV And M/T Models (EC-LOAD-02)
G02454338Courtesy of NISSAN MOTOR CO., U.S.A.

Specification data are reference values and are measured between each terminal and ground.

CAUTION: Do not use ECM ground terminals when measuring input/output voltage. Doing so may result in damage to the ECM's transistor. Use a ground other than ECM terminals, such as the ground.
Fig 4: ECM Terminal Values Chart - Electrical Load Signal (Heater Fan Circuit)
G02454339Courtesy of NISSAN MOTOR CO., U.S.A.
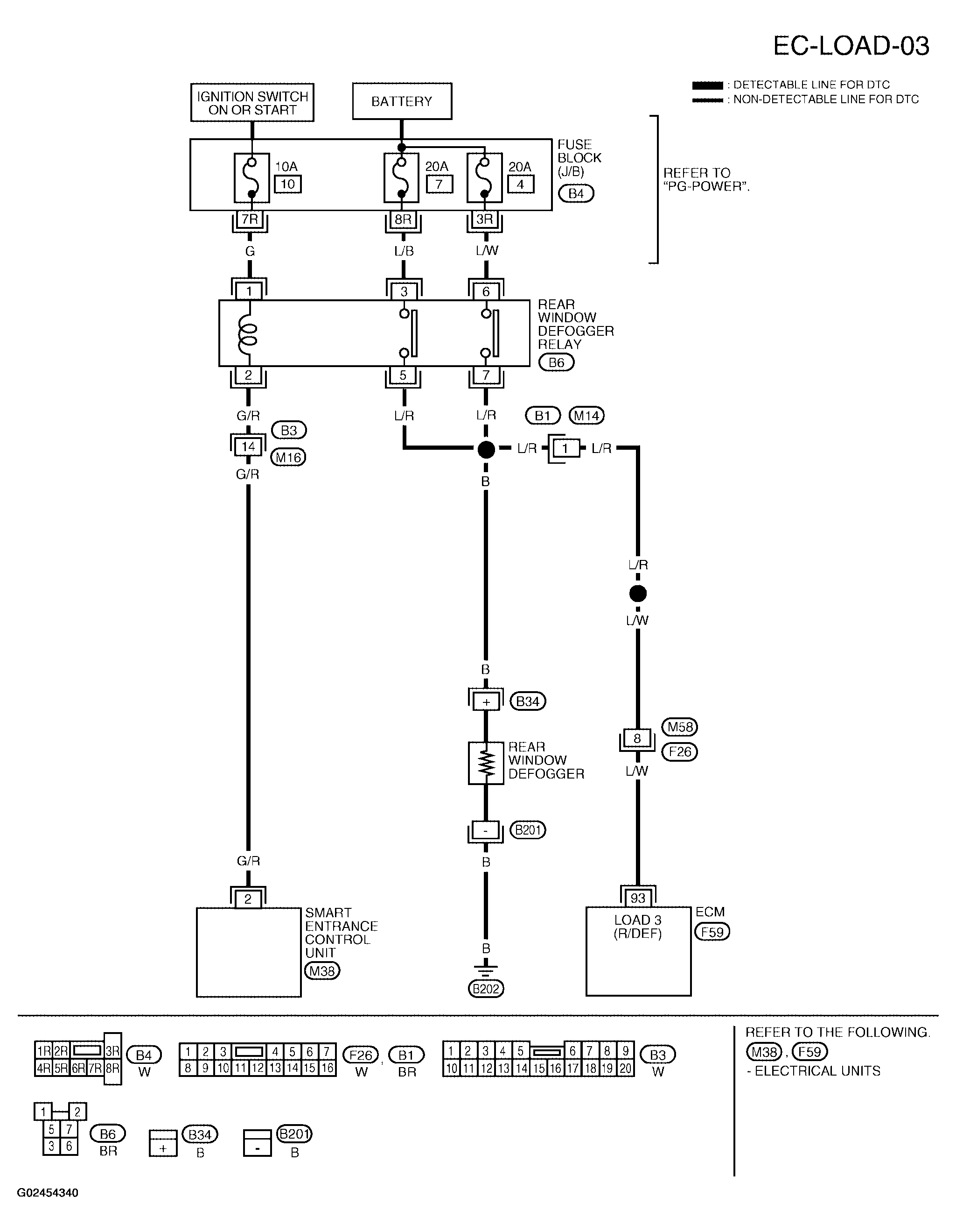
Fig 5: Wiring Diagram - Electrical Load Signal, A/T Models ULEV And M/T Models (EC-LOAD-03)
G02454340Courtesy of NISSAN MOTOR CO., U.S.A.

Specification data are reference values and are measured between each terminal and ground.

CAUTION: Do not use ECM ground terminals when measuring input/output voltage. Doing so may result in damage to the ECM's transistor. Use a ground other than ECM terminals, such as the ground.
Fig 6: ECM Terminal Values Chart - Electrical Load Signal (Rear Window Defogger Circuit)
G02454341Courtesy of NISSAN MOTOR CO., U.S.A.