LEMON Manuals: Even more car manuals for everyone: 1960-2025
Home >> Nissan-Datsun >> 2007 >> Altima Base >> Repair and Diagnosis >> Engine Performance >> System >> Engine Control System - Introduction (Qr25DE) (Except For CALIFORNIA) >> Function Diagnosis >> Engine Control System >> System Diagram
April 5, 2026: LEMON Manuals is launched! Read the announcement.

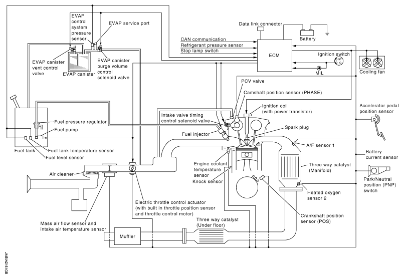
System Diagram

Fig 1: Engine Control System Diagram
G04887766