LEMON Manuals: Even more car manuals for everyone: 1960-2025
Home >> Nissan-Datsun >> 2007 >> Quest Base >> Repair and Diagnosis >> Engine Performance >> System >> Engine Control System - Component Testing >> Fuel Injector >> Wiring Diagram
April 5, 2026: LEMON Manuals is launched! Read the announcement.

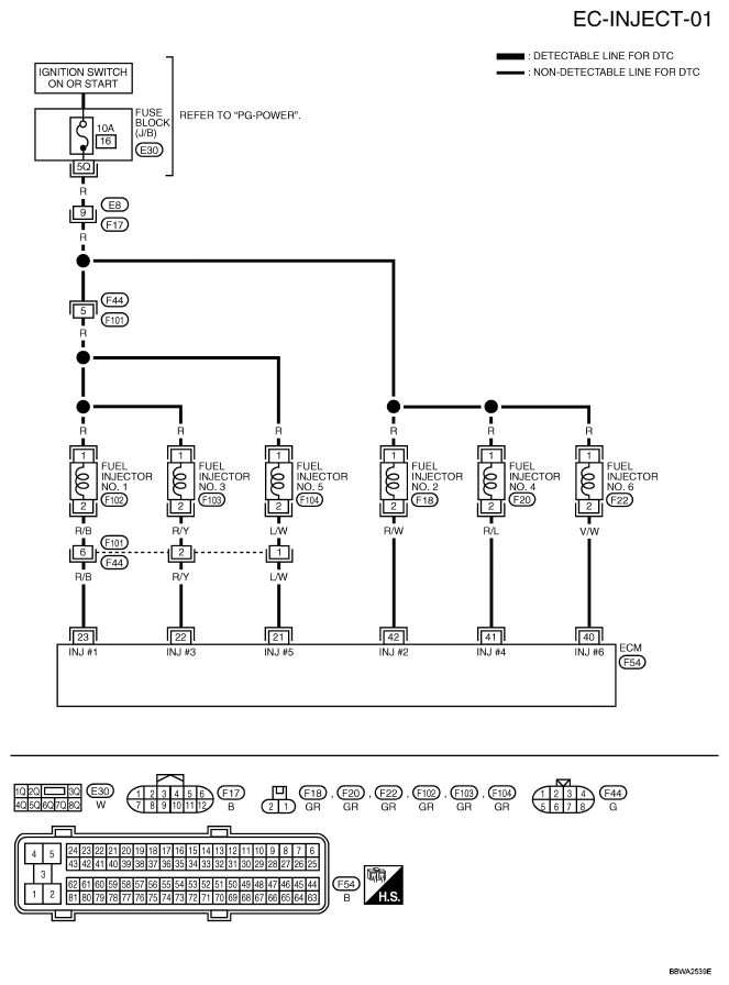
Fuel Injector: Wiring Diagram

For PG, go to POWER SUPPLY, GROUND & CIRCUIT ELEMENTS .

Fig 1: Wiring Diagram - EC-INJECT-01
G04905845Courtesy of NISSAN NORTH AMERICA, INC.

Specification data are reference values and are measured between each terminal and ground. Pulse signal is measured by CONSULT-II.

CAUTION: Do not use ECM ground terminals when measuring input/output voltage. Doing so may result in damage to the ECM's transistor. Use a ground other than ECM terminals, such as the ground.
CONNECTOR TERMINAL SPECIFICATION DATA REFERENCE VALUES

TERMINAL NO. WIRE COLOR ITEM CONDITION DATA (DC Voltage)
21
22
23
40
41
42
L/W
R/Y
R/B
V/W
R/L
R/W
Fuel injector No. 5
Fuel injector No. 3
Fuel injector No. 1
Fuel injector No. 6
Fuel injector No. 4
Fuel injector No. 2
[Engine is running] 
  • Warm-up condition 
  • Idle speed
NOTE: The pulse cycle changes depending on rpm at idle
G04905160Courtesy of NISSAN NORTH AMERICA, INC.
[Engine is running] 
  • Warm-up condition
  • Engine speed: 2, 000 rpm.
G04905161Courtesy of NISSAN NORTH AMERICA, INC.
*: Average voltage for pulse signal (Actual pulse signal can be confirmed by oscilloscope.)