LEMON Manuals: Even more car manuals for everyone: 1960-2025
Home >> Nissan-Datsun >> 2007 >> Quest Base >> Repair and Diagnosis >> Engine Performance >> System >> Engine Control System - Introduction >> Trouble Diagnosis >> Circuit Diagram
April 5, 2026: LEMON Manuals is launched! Read the announcement.

Circuit Diagram

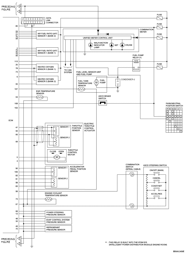
Fig 1: Trouble Diagnosis - Circuit Diagram (1 Of 2)
G04905146Courtesy of NISSAN NORTH AMERICA, INC.
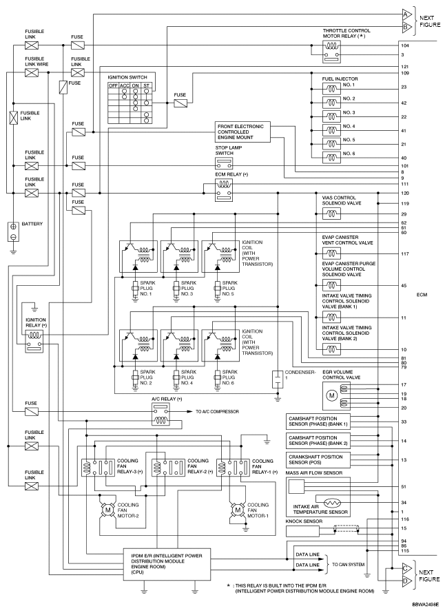
Fig 2: Trouble Diagnosis - Circuit Diagram (2 Of 2)
G04905147Courtesy of NISSAN NORTH AMERICA, INC.