LEMON Manuals: Even more car manuals for everyone: 1960-2025
Home >> Nissan-Datsun >> 2007 >> Sentra SE-R >> Repair and Diagnosis >> External Pages >> Different car >> Section 63 (Body, Lock & Security System) >> Service Information >> Power Door Lock System >> Schematic (With Intelligent Key)
April 5, 2026: LEMON Manuals is launched! Read the announcement.

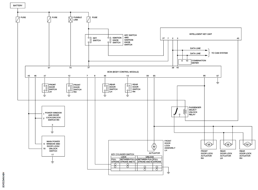
Schematic (With Intelligent Key)

WARNING: This page is about a different car, the 2009 Nissan Sentra. However, it is still accessible from the selected car via links, so may be relevant.
Fig 1: Intelligent Key Schematic Diagram
G05924590Courtesy of NISSAN MOTOR CO., U.S.A.