LEMON Manuals: Even more car manuals for everyone: 1960-2025
Home >> Nissan-Datsun >> 2008 >> Rogue SL, AWD >> Repair and Diagnosis >> Engine Performance >> Engine Control Systems >> Engine Control System - Introduction (CALIFORNIA) >> Function Diagnosis [For CALIFORNIA] >> Engine Control System >> System Diagram
April 5, 2026: LEMON Manuals is launched! Read the announcement.

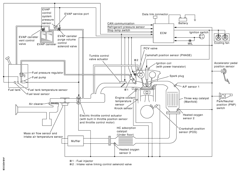
System Diagram

Fig 1: Engine Control System Diagram
G05369439Courtesy of NISSAN NORTH AMERICA, INC.