LEMON Manuals: Even more car manuals for everyone: 1960-2025
Home >> Nissan-Datsun >> 2010 >> Rogue SL, AWD >> Repair and Diagnosis >> Engine Performance >> System >> Engine Control System - Introduction (CALIFORNIA) >> System Description >> Engine Control System >> System Diagram
April 5, 2026: LEMON Manuals is launched! Read the announcement.

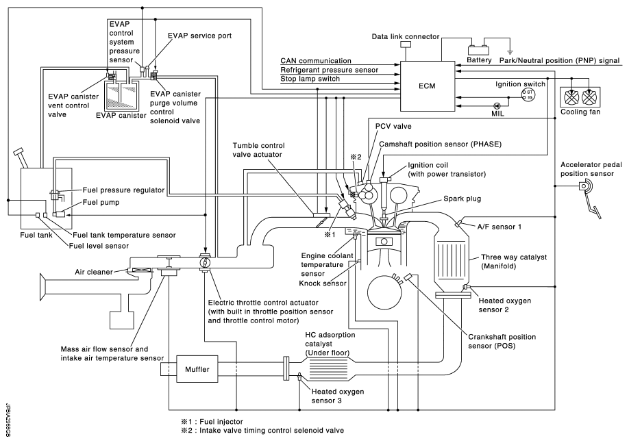
System Diagram

Fig 1: Engine Control System Diagram
G06583609Courtesy of NISSAN MOTOR CO., U.S.A.