LEMON Manuals: Even more car manuals for everyone: 1960-2025
Home >> Nissan-Datsun >> 2011 >> Cube Base >> Repair and Diagnosis >> Engine Performance >> System >> Engine Control System - Introduction & DTC Index (Except For CALIFORNIA) >> Introduction & DTC Index >> System Description >> Engine Control System >> System Diagram
April 5, 2026: LEMON Manuals is launched! Read the announcement.

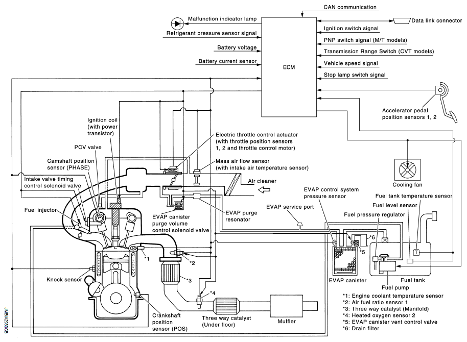
System Diagram

Fig 1: Engine Control System Diagram
G07104169Courtesy of NISSAN MOTOR CO., U.S.A.