LEMON Manuals: Even more car manuals for everyone: 1960-2025
Home >> Nissan-Datsun >> 2011 >> Sentra SE-R >> Repair and Diagnosis >> Engine Performance >> System >> Engine Control System - Introduction (MR20DE) (Except CALIFORNIA) >> Service Information >> Engine Control System >> Schematic
April 5, 2026: LEMON Manuals is launched! Read the announcement.

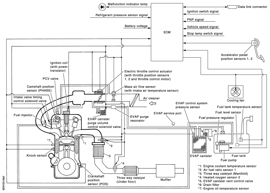
Engine Control System: Schematic

Fig 1: Engine Control System - Schematic
G07139676Courtesy of NISSAN MOTOR CO., U.S.A.