LEMON Manuals: Even more car manuals for everyone: 1960-2025
Home >> Nissan-Datsun >> 2012 >> Cube Base >> Repair and Diagnosis >> Engine Performance >> System >> Engine Control System - Introduction (Except CALIFORNIA) >> System Description >> Engine Control System >> System Diagram
April 5, 2026: LEMON Manuals is launched! Read the announcement.

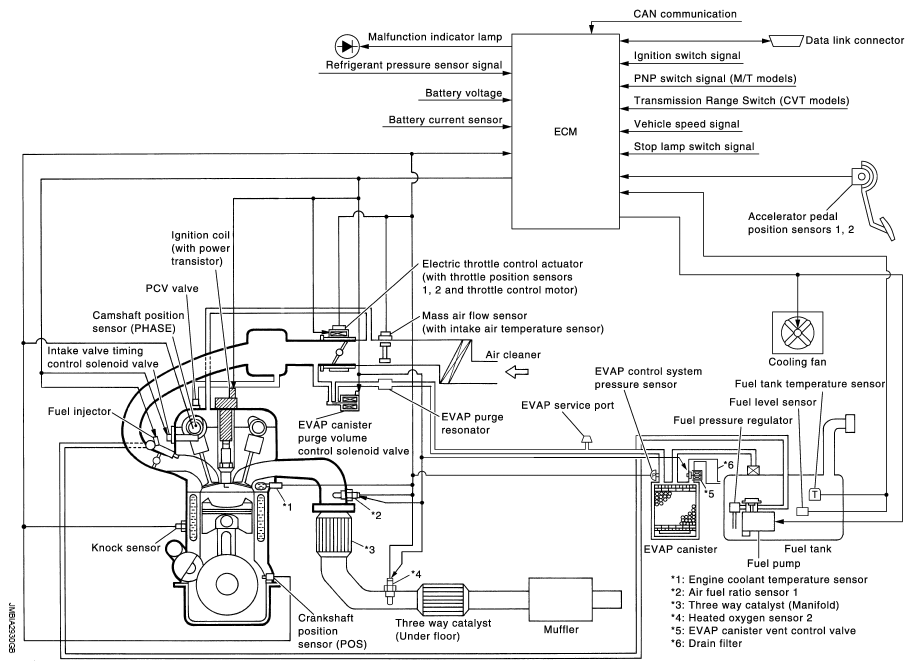
System Diagram

Fig 1: Identifying Engine Control System Diagram
G08128337Courtesy of NISSAN NORTH AMERICA, INC.