LEMON Manuals: Even more car manuals for everyone: 1960-2025
Home >> Nissan-Datsun >> 2012 >> Cube SL >> Repair and Diagnosis >> External Pages >> Different car >> Section 134 (Driver Position Memory System (DPMS)) >> Circuit Diagram - Power Tilt/Telescopic Steering
April 5, 2026: LEMON Manuals is launched! Read the announcement.

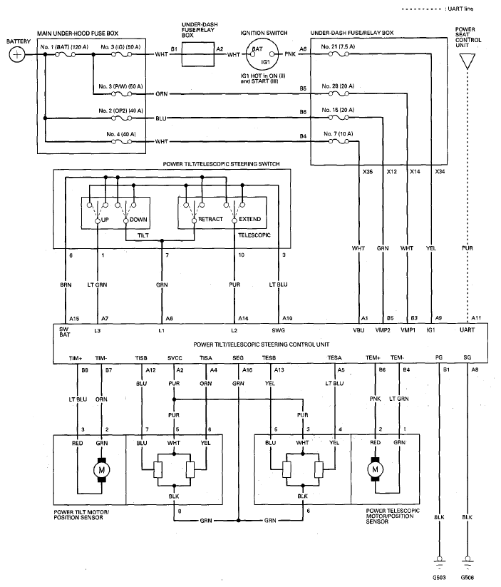
Circuit Diagram - Power Tilt/Telescopic Steering

WARNING: This page is about a different car, the 2013 Acura MDX, 2012 Acura MDX, 2011 Acura MDX, and 2010 Acura MDX. However, it is still accessible from the selected car via links, so may be relevant.
Fig 1: Power Tilt/Telescopic Steering - Circuit Diagram
G08053873Courtesy of AMERICAN HONDA MOTOR CO., INC.