LEMON Manuals: Even more car manuals for everyone: 1960-2025
Home >> Nissan-Datsun >> 2012 >> Quest LE >> Repair and Diagnosis >> Engine Performance >> System >> Engine Control System - Introduction >> Wiring Diagram >> Engine Control System >> Wiring Diagram-ENGINE CONTROL SYSTEM-
April 5, 2026: LEMON Manuals is launched! Read the announcement.

Wiring Diagram-ENGINE CONTROL SYSTEM-

For connector terminal arrangements, harness layouts, and alphabets in a "diamond shape" symbol (option abbreviation; if not described in wiring diagram), refer to "CONNECTOR INFORMATION ".

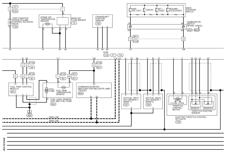
Fig 1: Engine Control System Wiring Diagram (1 Of 5)
G08171475Courtesy of NISSAN NORTH AMERICA, INC.
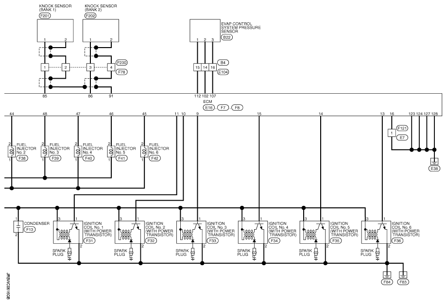
Fig 2: Engine Control System Wiring Diagram (2 Of 5)
G08171476Courtesy of NISSAN NORTH AMERICA, INC.
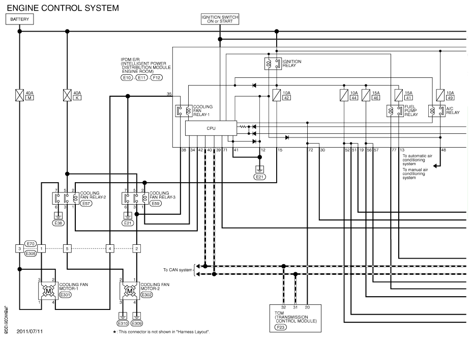
Fig 3: Engine Control System Wiring Diagram (3 Of 5)
G08171477Courtesy of NISSAN NORTH AMERICA, INC.
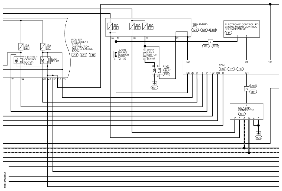
Fig 4: Engine Control System Wiring Diagram (4 Of 5)
G08171478Courtesy of NISSAN NORTH AMERICA, INC.
Fig 5: Engine Control System Wiring Diagram (5 Of 5)
G08171479Courtesy of NISSAN NORTH AMERICA, INC.