LEMON Manuals: Even more car manuals for everyone: 1960-2025
Home >> Nissan-Datsun >> 2012 >> Sentra SE-R >> Repair and Diagnosis >> Accessories & Equipment >> Communication Devices >> Body Control System >> Service Information >> BCM (Body Control Module) >> Schematic
April 5, 2026: LEMON Manuals is launched! Read the announcement.

BCM (Body Control Module): Schematic

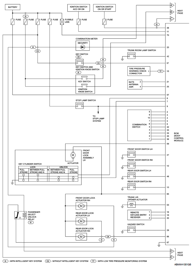
Fig 1: Body Control Module Schematic (1 Of 2)
G07143405Courtesy of NISSAN NORTH AMERICA, INC.
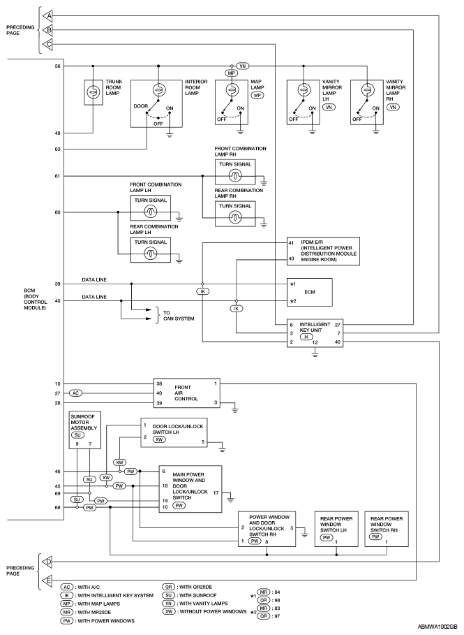
Fig 2: Body Control Module Schematic (2 Of 2)
G07143406Courtesy of NISSAN NORTH AMERICA, INC.