LEMON Manuals: Even more car manuals for everyone: 1960-2025
Home >> Nissan-Datsun >> 2012 >> Sentra SE-R >> Repair and Diagnosis >> Body & Frame >> Door Locks >> Body, Lock & Security System >> Service Information >> Intelligent Key System >> Schematic
April 5, 2026: LEMON Manuals is launched! Read the announcement.

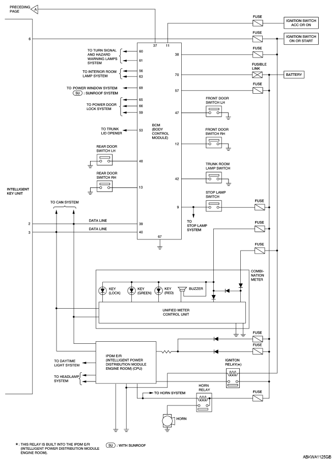
Intelligent Key System: Schematic

Fig 1: Identifying Intelligent Key System Schematic (1 Of 2)
G06552848Courtesy of NISSAN NORTH AMERICA, INC.
Fig 2: Identifying Intelligent Key System Schematic (2 Of 2)
G08181160Courtesy of NISSAN NORTH AMERICA, INC.