LEMON Manuals: Even more car manuals for everyone: 1960-2025
Home >> Nissan-Datsun >> 2013 >> 370Z Base, 2D Convertible, Automatic Trans >> Repair and Diagnosis >> Engine Performance >> System >> Engine Control System - Component Testing >> Ecu Diagnosis Information >> VVEL Control Module >> Wiring Diagram - ENGINE CONTROL SYSTEM -
April 5, 2026: LEMON Manuals is launched! Read the announcement.

Wiring Diagram - ENGINE CONTROL SYSTEM -

For connector terminal arrangements, harness layouts, and alphabets in a (option abbreviation; if not described in wiring diagram), refer to "CONNECTOR INFORMATION ".

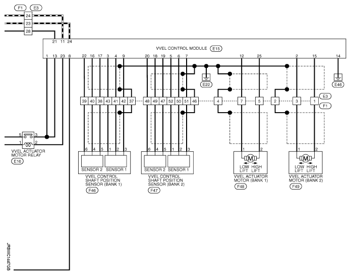
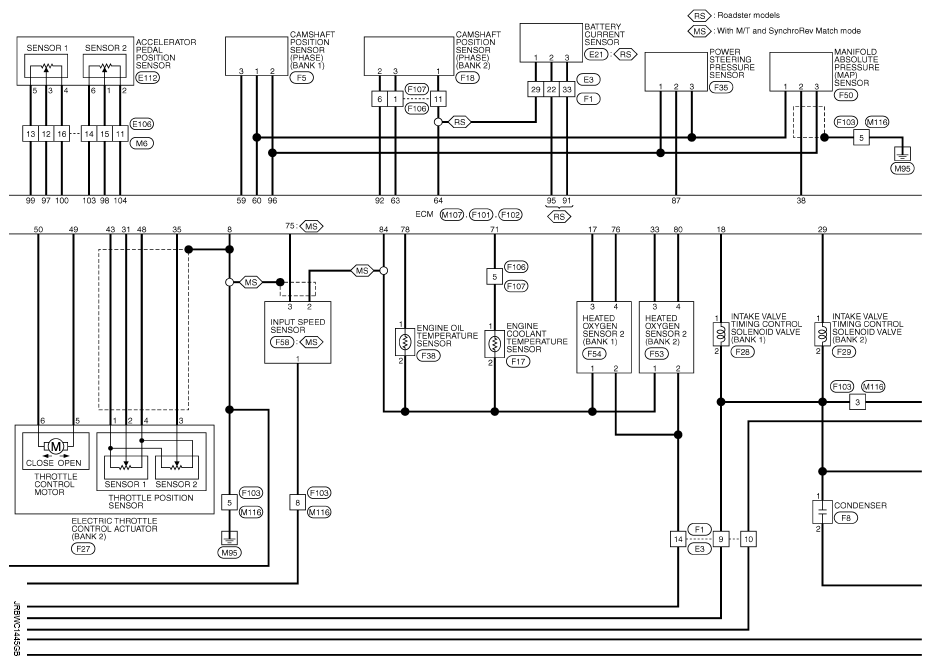
Fig 1: Engine Control System - Wiring Diagram (1 Of 6)
G08674967Courtesy of NISSAN NORTH AMERICA, INC.
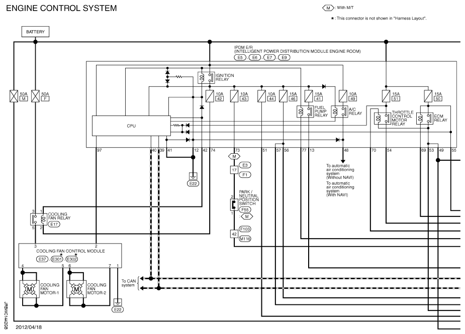
Fig 2: Engine Control System - Wiring Diagram (2 Of 6)
G08674968Courtesy of NISSAN NORTH AMERICA, INC.
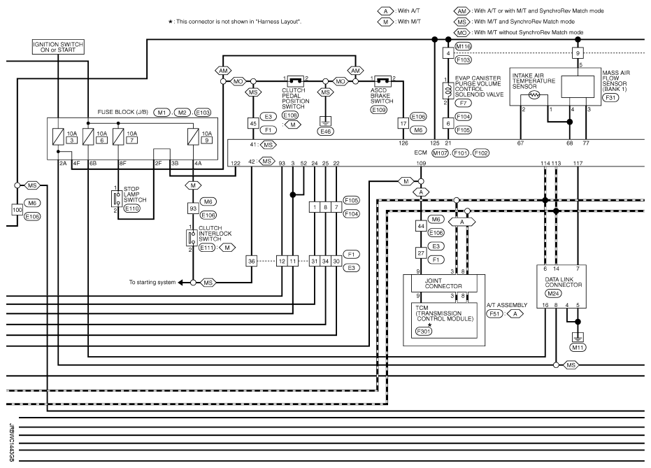
Fig 3: Engine Control System - Wiring Diagram (3 Of 6)
G08674969Courtesy of NISSAN NORTH AMERICA, INC.
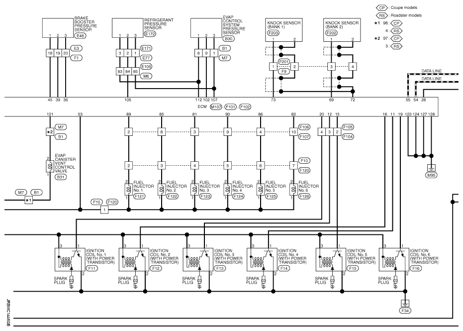
Fig 4: Engine Control System - Wiring Diagram (4 Of 6)
G08674970Courtesy of NISSAN NORTH AMERICA, INC.
Fig 5: Engine Control System - Wiring Diagram (5 Of 6)
G08674971Courtesy of NISSAN NORTH AMERICA, INC.
Fig 6: Engine Control System - Wiring Diagram (6 Of 6)
G08674972Courtesy of NISSAN NORTH AMERICA, INC.