LEMON Manuals: Even more car manuals for everyone: 1960-2025
Home >> Nissan-Datsun >> 2013 >> Rogue S, AWD >> Repair and Diagnosis >> Engine Performance >> System >> Engine Control System (Introduction) >> System Description >> Engine Control System >> System Diagram
April 5, 2026: LEMON Manuals is launched! Read the announcement.

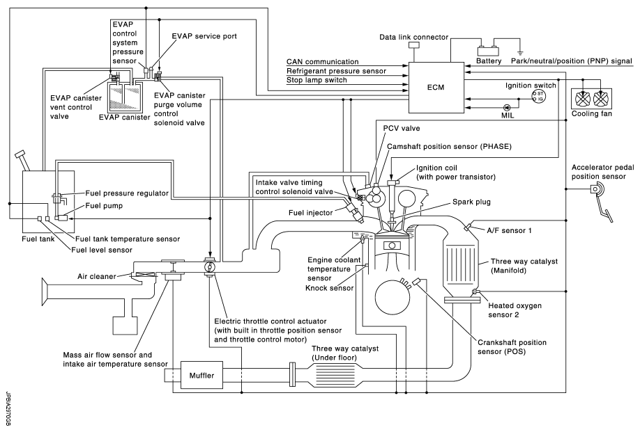
System Diagram

Fig 1: Engine Control System Diagram
G08986696Courtesy of NISSAN NORTH AMERICA, INC.