LEMON Manuals: Even more car manuals for everyone: 1960-2025
Home >> Nissan-Datsun >> 2016 >> Sentra SR >> Repair and Diagnosis >> External Pages >> Different car >> Section 20 (Security Control System (With Intelligent Key System)) >> Wiring Diagram >> Intelligent Key System/Engine Start Function >> Wiring Diagram
April 5, 2026: LEMON Manuals is launched! Read the announcement.

Intelligent Key System/Engine Start Function: Wiring Diagram

WARNING: This page is about a different car, the 2017 Nissan Sentra. However, it is still accessible from the selected car via links, so may be relevant.
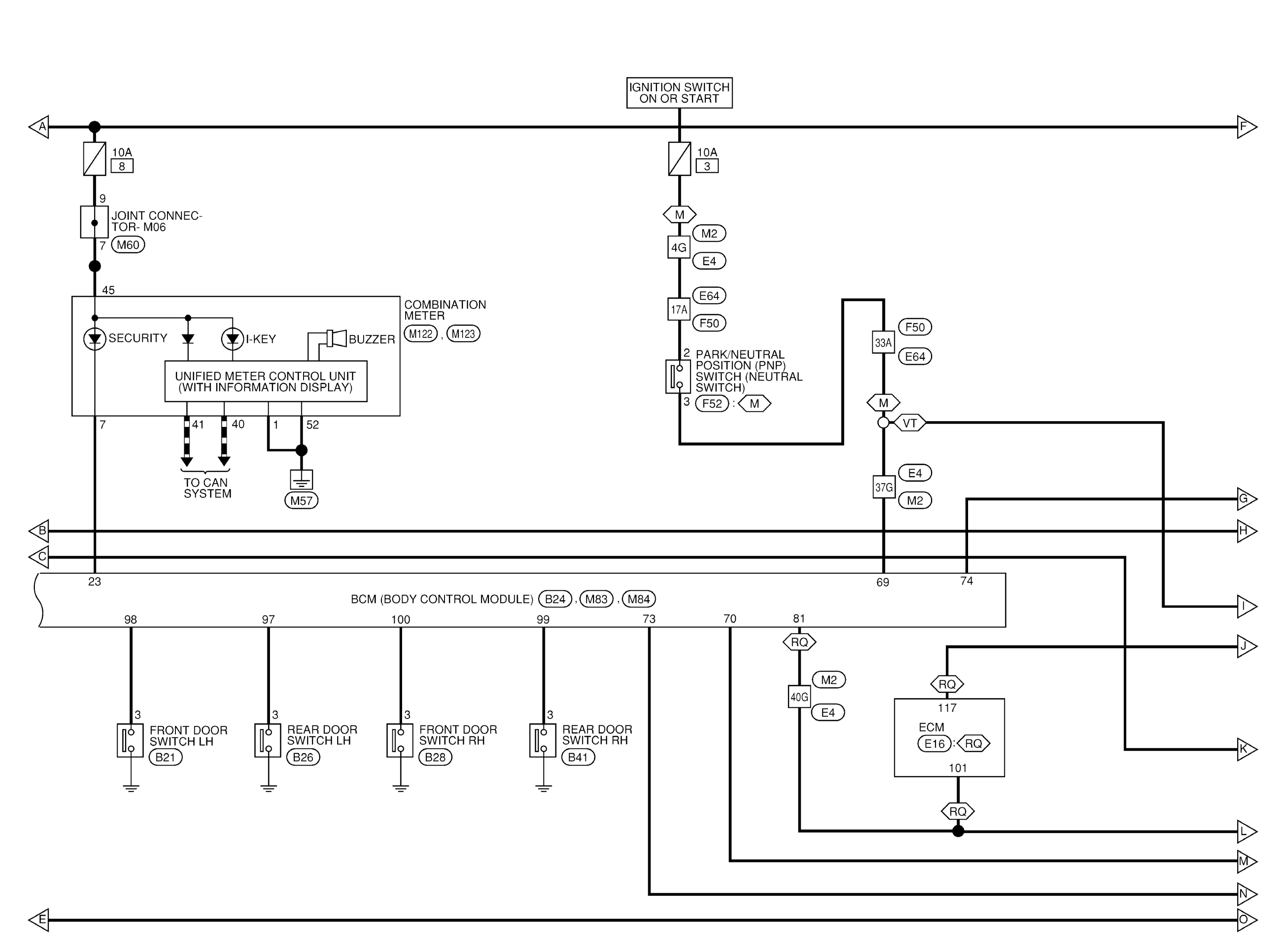
GNSAAKWA1656GB-656Courtesy of NISSAN NORTH AMERICA, INC.
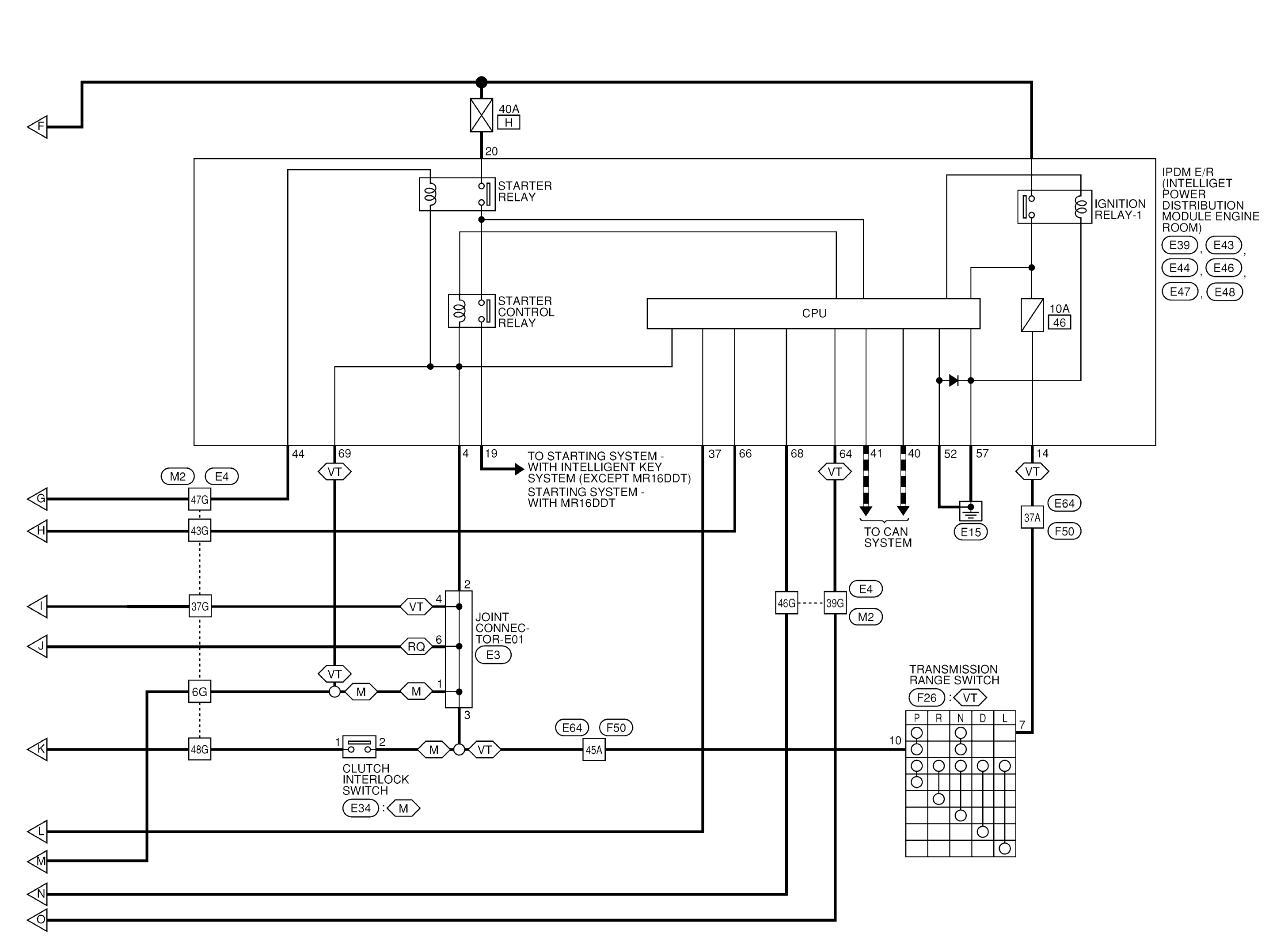
GNSAAKWA1657GB-657Courtesy of NISSAN NORTH AMERICA, INC.
GNSAAKWA1658GB-658Courtesy of NISSAN NORTH AMERICA, INC.
GNSAAKIA4593GB-593Courtesy of NISSAN NORTH AMERICA, INC.
GNSAAKIA4594GB-594Courtesy of NISSAN NORTH AMERICA, INC.
GNSAAKIA4595GB-595Courtesy of NISSAN NORTH AMERICA, INC.
GNSAAKIA4596GB-596Courtesy of NISSAN NORTH AMERICA, INC.
GNSAAKIA4597GB-597Courtesy of NISSAN NORTH AMERICA, INC.
GNSAAKIA4598GB-598Courtesy of NISSAN NORTH AMERICA, INC.
GNSAAKIA4599GB-599Courtesy of NISSAN NORTH AMERICA, INC.
GNSAAKIA4600GB-600Courtesy of NISSAN NORTH AMERICA, INC.
GNSAAKIA4603GB-603Courtesy of NISSAN NORTH AMERICA, INC.