LEMON Manuals: Even more car manuals for everyone: 1960-2025
Home >> Nissan-Datsun >> 2023 >> Z Performance, Automatic Trans >> Repair and Diagnosis >> Engine Performance >> Engine Control Systems >> Engine Control System (1 Of 2) >> System Description >> System >> Engine Control System >> Circuit Diagram
April 5, 2026: LEMON Manuals is launched! Read the announcement.

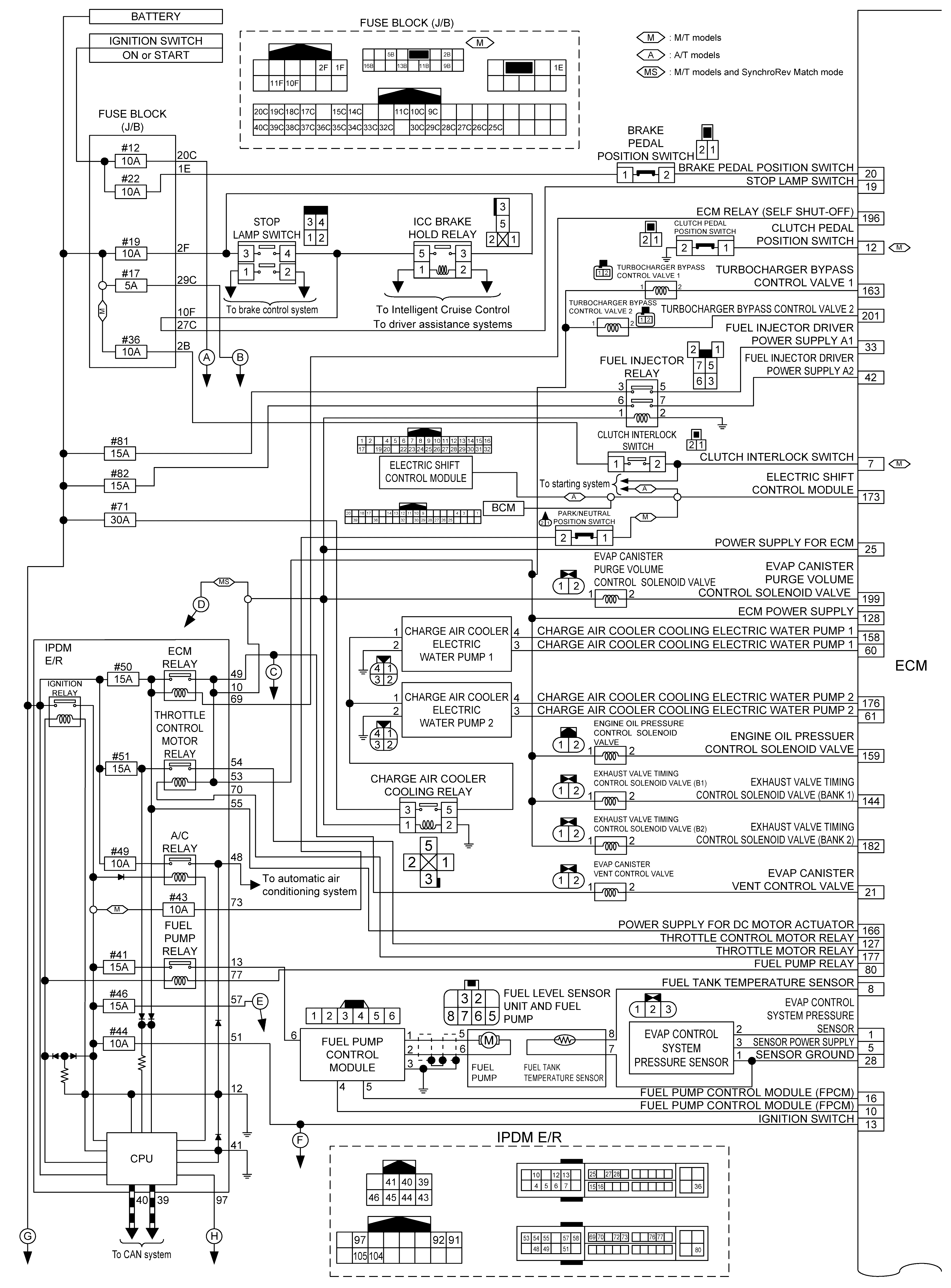
Circuit Diagram

GNSDB154738Courtesy of NISSAN NORTH AMERICA, INC.
GNSDB156102Courtesy of NISSAN NORTH AMERICA, INC.
GNSDB154788Courtesy of NISSAN NORTH AMERICA, INC.
GNSDB155950Courtesy of NISSAN NORTH AMERICA, INC.