LEMON Manuals: Even more car manuals for everyone: 1960-2025
Home >> Oldsmobile >> 1991 >> Cutlass Supreme Base, 2D Convertible >> Repair and Diagnosis >> Engine Performance >> System >> Engine Controls - System/Component Tests >> Miscellaneous Controls >> Transmission (C-8) >> Converter Lock-Up Signal From ECM
April 5, 2026: LEMON Manuals is launched! Read the announcement.

Converter Lock-Up Signal From ECM

  1. Warm engine to operating temperature. Raise vehicle and support drive wheels. Support suspension where necessary to prevent damage to drive axles.
  2. Connect a test light to battery voltage. Touch TCC control driver terminal with test light. On some vehicles this is terminal "F" of the ALDL connector. See Fig 1 -Fig 21 . Accelerate vehicle to 45 MPH and note test light. If test light does not illuminate, problem is a faulty ECM connector or ECM
Fig 1: 2.0L, 2.2L & 2.5L Converter Clutch Schematic (Except 2.5L Lumina)
G90I13183Courtesy of GENERAL MOTORS CORP.
Fig 2: 2.3L Converter Clutch Schematic (Cutlass Calais, Cutlass Supreme, Grand Am, Grand Prix & Skylark)
G90H13182Courtesy of GENERAL MOTORS CORP.
Fig 3: 2.5L Converter Clutch Schematic (Lumina)
G90J13184Courtesy of GENERAL MOTORS CORP.
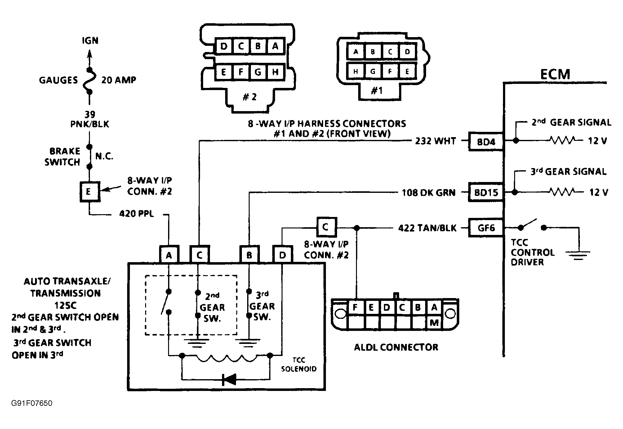
Fig 4: 3.1L Converter Clutch Schematic (Beretta & Corsica)
G91F07650Courtesy of GENERAL MOTORS CORP.
Fig 5: 3.1L Converter Clutch Schematic (Camaro & Firebird)
G91B07648Courtesy of GENERAL MOTORS CORP.
Fig 6: 3.1L Converter Clutch Schematic (Cavalier)
G91D07649Courtesy of GENERAL MOTORS CORP.
Fig 7: 3.1L Converter Clutch Schematic (6000 With 3T40 Transaxle)
G91H07651Courtesy of GENERAL MOTORS CORP.
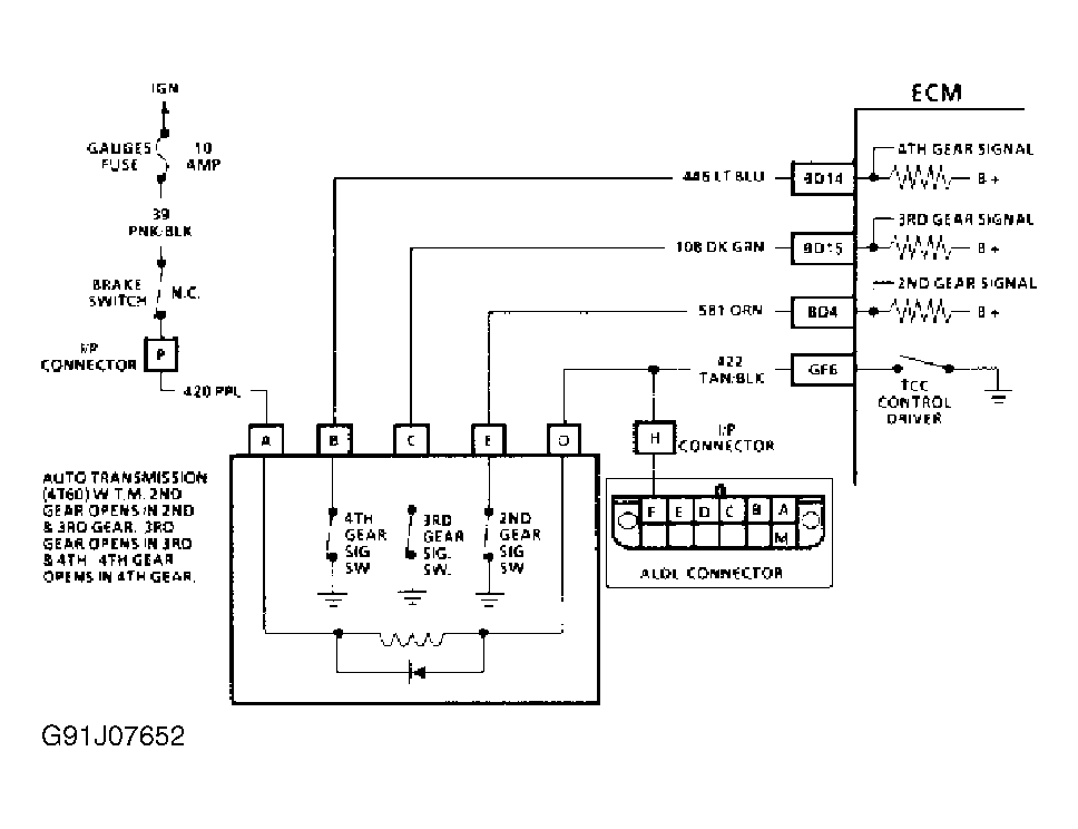
Fig 8: 3.1L Converter Clutch Schematic (6000 With 4T60 Transaxle)
G91J07652Courtesy of GENERAL MOTORS CORP.
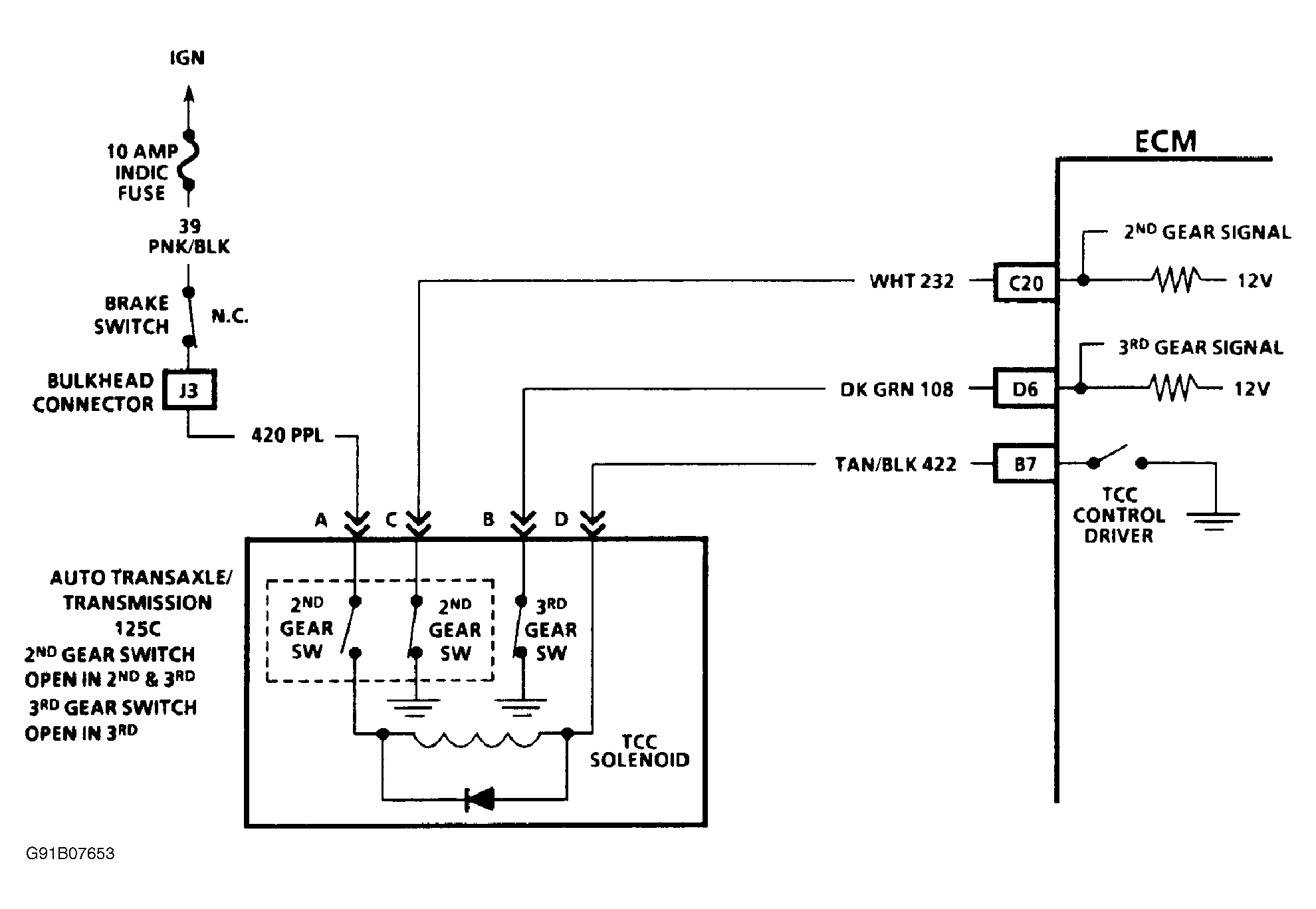
Fig 9: 3.1L Converter Clutch Schematic (Lumina With 3T40 Transaxle)
G91B07653Courtesy of GENERAL MOTORS CORP.
Fig 10: 3.1L Converter Clutch Schematic (Cutlass Supreme, Grand Prix, Regal & Lumina With 4T60 Transaxle)
G90I13191Courtesy of GENERAL MOTORS CORP.
Fig 11: 3.3L Converter Clutch Schematic (Century & Skylark With 3T40 Transaxle)
G90J13192Courtesy of GENERAL MOTORS CORP.
Fig 12: 3.3L Converter Clutch Schematic (Century with 4t60 Transaxle)
G90A13193Courtesy of GENERAL MOTORS CORP.
Fig 13: 3.8L Converter Clutch Schematic (Bonneville, Eighty-Eight & LeSabre)
G90B13194Courtesy of GENERAL MOTORS CORP.
Fig 14: 3.8L Converter Clutch Schematic (Ninety-Eight, Park Avenue, Reatta, Riviera, Touring Sedan & Trofeo)
G91D07654Courtesy of GENERAL MOTORS CORP.
Fig 15: 4.9L Converter Clutch Schematic (Eldorado & Seville)
G91A07657Courtesy of GENERAL MOTORS
Fig 16: 4.9L Converter Clutch Schematic (DeVille & Fleetwood)
G91C07658Courtesy of GENERAL MOTORS CORP.
Fig 17: 5.0L TBI Converter Clutch Schematic (Camaro & Firebird)
G90F13198Courtesy of GENERAL MOTORS CORP.
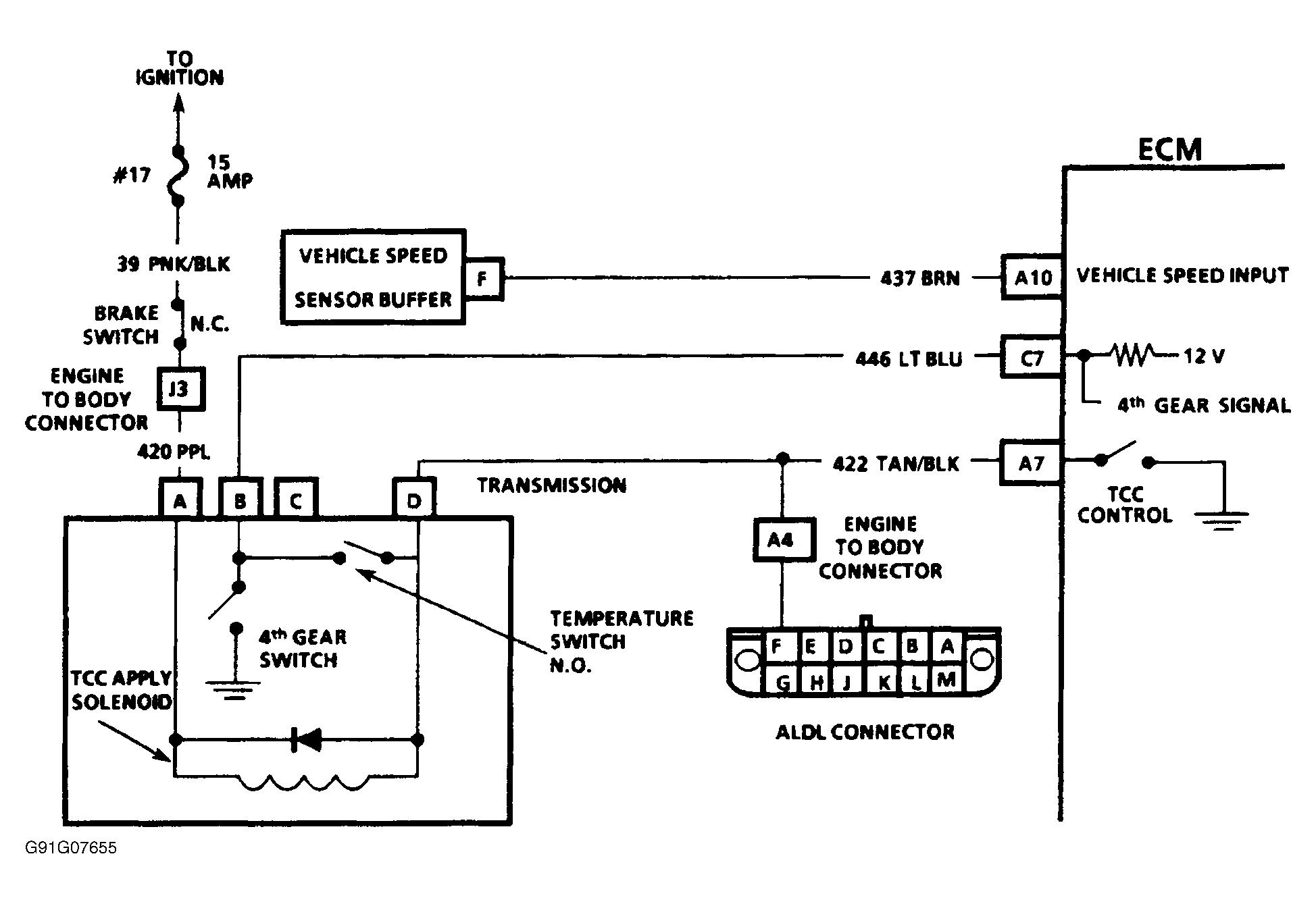
Fig 18: 5.0L & 5.7L TBI Converter Clutch Schematic (Caprice, Custom Cruiser & Roadmaster)
G91G07655Courtesy of GENERAL MOTORS CORP.
Fig 19: 5.0L & 5.7L PFI Converter Clutch Schematic (Camaro & Firebird)
G90J13200Courtesy of GENERAL MOTORS CORP.
Fig 20: 5.7L Converter Clutch Schematic (Brougham)
G90A13201Courtesy of GENERAL MOTORS CORP.
Fig 21: 5.7L Converter Clutch Schematic (Corvette)
G90B13202Courtesy of GENERAL MOTORS CORP.