LEMON Manuals: Even more car manuals for everyone: 1960-2025
Home >> Oldsmobile >> 1991 >> Toronado Base >> Repair and Diagnosis >> Engine Performance >> System >> Engine Controls - Tests W/Codes - Pcm/BCM >> BCM Trouble Code Charts >> Code B110, Outside Temperature Sensor Circuit >> Note On Intermittents
April 5, 2026: LEMON Manuals is launched! Read the announcement.

Note On Intermittents

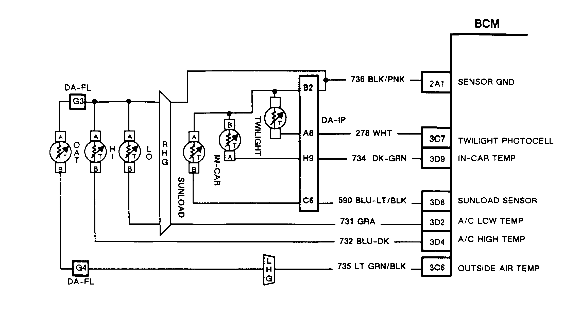
If ambient temperature drops to less than about -36°F (-38°C), this code should be ignored. If B110 is set with any of the following codes: B119, B120, B122, B132 or B440, the most likely cause is an intermittent open circuit No. 736.

If an intermittent Code B110 is being set, manipulate related wiring while observing BD26 display. If failure is induced, reading will jump from its normal value to a reading outside the range of -36°F (-38°C) to 131°F (55°C).

If value indicated by BD26 display is not reasonably close to actual temperature of air at sensor, check for poor terminal contact or replace sensor.

Fig 1: Code B110, Schematic, Outside Temperature Sensor Circuit
G91A05371
Fig 2: Flow Chart, Code B110, Outside Temperature Sensor Circuit
GB0022671