LEMON Manuals: Even more car manuals for everyone: 1960-2025
Home >> Oldsmobile >> 1992 >> Toronado Base >> Repair and Diagnosis >> Engine Performance >> System >> Engine Controls - Tests W/Codes - Pcm/BCM >> BCM Trouble Code Charts >> Code B123, Panel Lamp Switch Circuit >> Note On INTERMITTENTS
April 5, 2026: LEMON Manuals is launched! Read the announcement.

Note On INTERMITTENTS

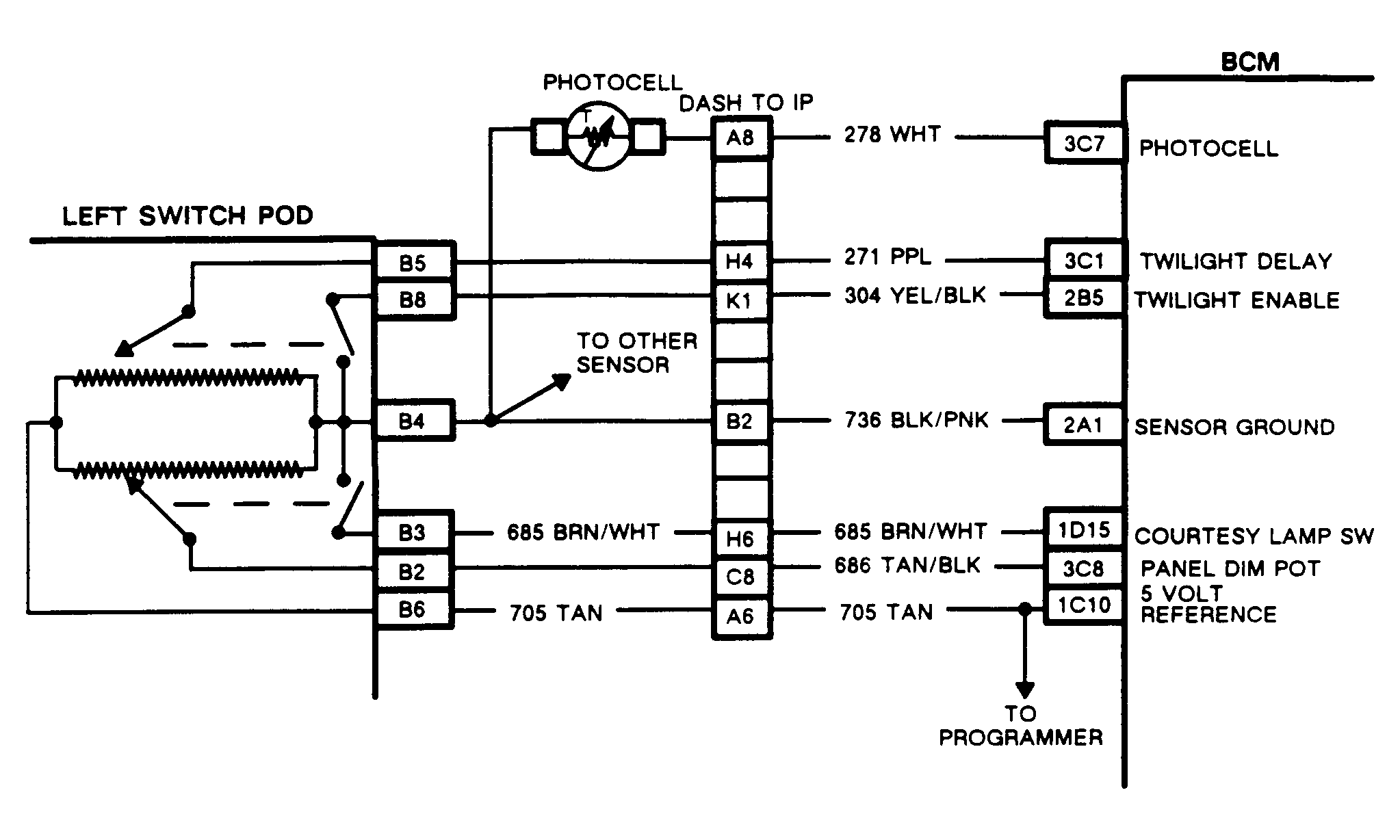
If circuit No. 685 was intermittently grounded, Code B123 could be stored. Manipulate circuit No. 685 wiring while observing BI01 display with dimmer at a low setting. If short occurs, value will switch from HI to LO.

Also check BD42 display. Cycle panel dimming control from minimum to maximum. If BD42 display does not range between 2 and 98 percent or never reads more than 75 percent, replace left switch assembly.

Fig 1: Code B123, Schematic, Panel Lamp Switch Ckt
G92E03760Courtesy of GENERAL MOTORS CORP.
Fig 2: Code B123, Flow Chart, Panel Lamp Switch Ckt
G90I14371Courtesy of GENERAL MOTORS CORP.