LEMON Manuals: Even more car manuals for everyone: 1960-2025
Home >> Oldsmobile >> 1996 >> Eighty-Eight Base >> Repair and Diagnosis (Single Page) >> Brakes >> Traction Control >> Anti-Lock Brake System >> Removal & Installation >> Electronic Brake Control Module/Electronic Brake, Traction Control Module >> Removal & Installation
April 5, 2026: LEMON Manuals is launched! Read the announcement.

Removal & Installation

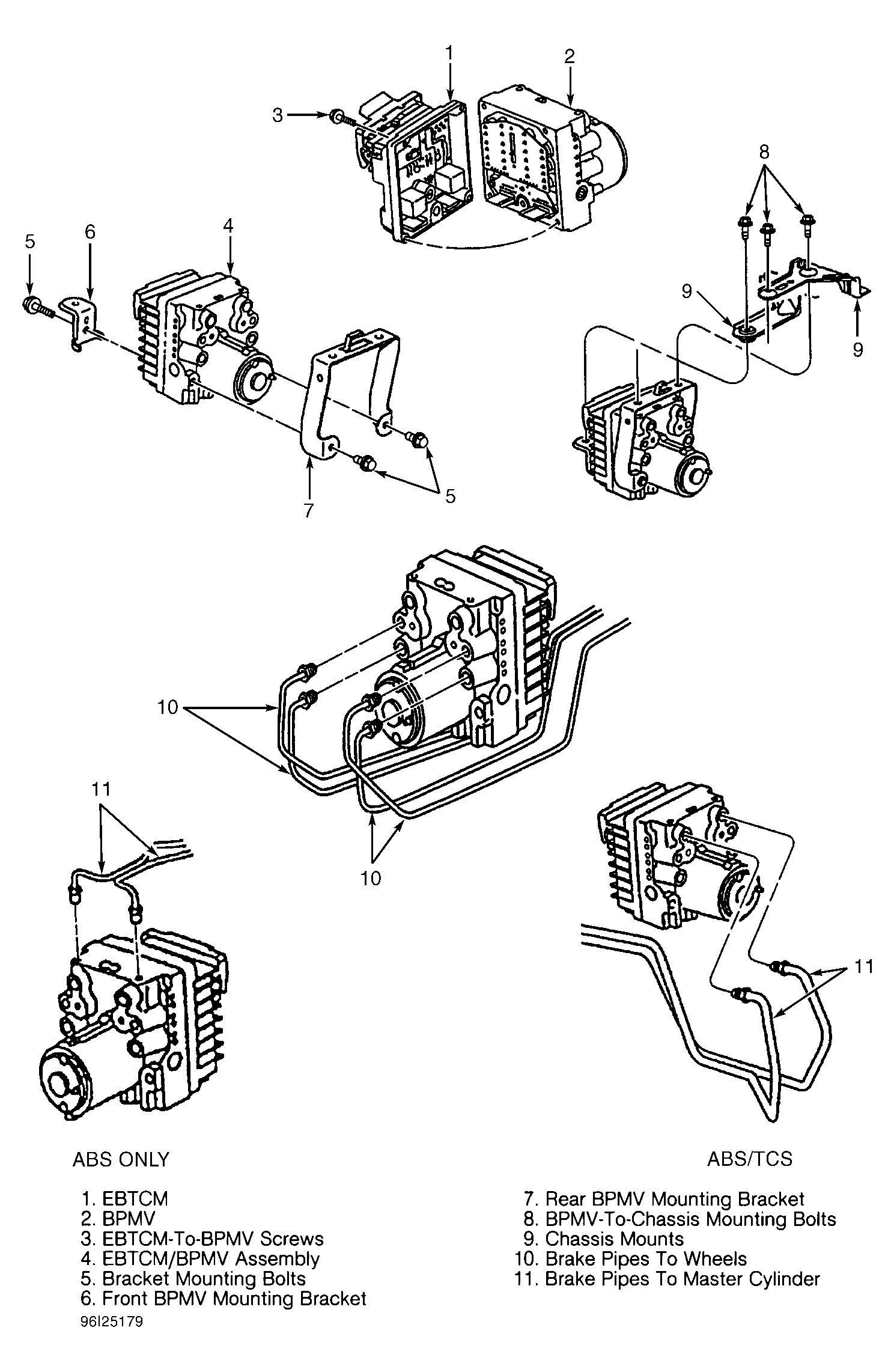
  1. EBCM/EBTCM is located in front of left front strut tower. Disconnect negative battery cable. Remove air cleaner assembly and PCM cover.
  2. Disconnect EBCM/EBTCM harness connector and motor ground cable connector. Remove EBCM/EBTCM bracket from vehicle. See Fig 1 .
  3. Remove 4 EBCM/EBTCM to BPMV bolts. Disconnect EBCM/EBTCM by pulling rearward until internal connector disengages (DO NOT twist).
CAUTION: DO NOT pry EBCM/EBTCM, Be careful not to damage seal (if reusing module). If seal is damaged during removal, repair damaged area using silicone sealer or replace EBCM/EBTCM. For installation, reverse removal procedure.
Fig 1: Removal & Installation Of EBCM/EBTCM & BPMV
G96I25179Courtesy of GENERAL MOTORS CORP.