LEMON Manuals: Even more car manuals for everyone: 1960-2025
Home >> Oldsmobile >> 1998 >> LSS V6-3.8L SC VIN 1 >> Repair and Diagnosis >> Powertrain Management >> Computers and Control Systems >> Relays and Modules - Computers and Control Systems >> Body Control Module >> Diagrams >> Electrical Diagrams >> Audible Warning Circuits
April 5, 2026: LEMON Manuals is launched! Read the announcement.

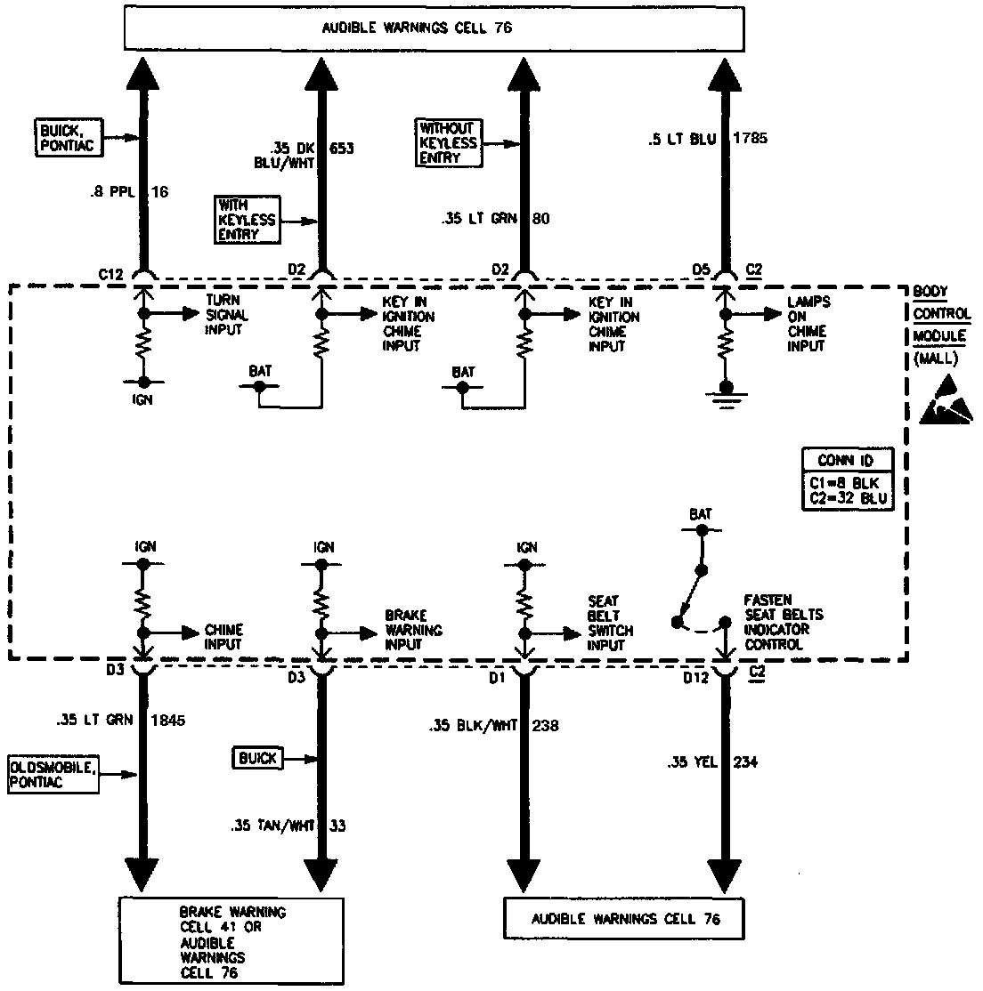
Audible Warning Circuits

Audible Warning Circuits: