LEMON Manuals: Even more car manuals for everyone: 1960-2025
Home >> Oldsmobile >> 2004 >> Bravada AWD >> Repair and Diagnosis >> External Pages >> Different car >> Section 1743 (Engine Control System - 5.3L - Introduction) >> Schematic and Routing Diagrams >> Engine Controls Schematics
April 5, 2026: LEMON Manuals is launched! Read the announcement.

Engine Controls Schematics

WARNING: This page does not describe the selected car, but rather 6 other vehicles, including the 2005 Isuzu Ascender, 2005 GMC Envoy XUV, 2005 GMC Envoy XL, 2005 GMC Envoy, and 2005 Chevrolet TrailBlazer. However, it is still accessible from the selected car via links, so may be relevant.
Fig 1: Module Power, Ground, Serial Data, and MIL Schematics
GM1430673Courtesy of GENERAL MOTORS CORP.
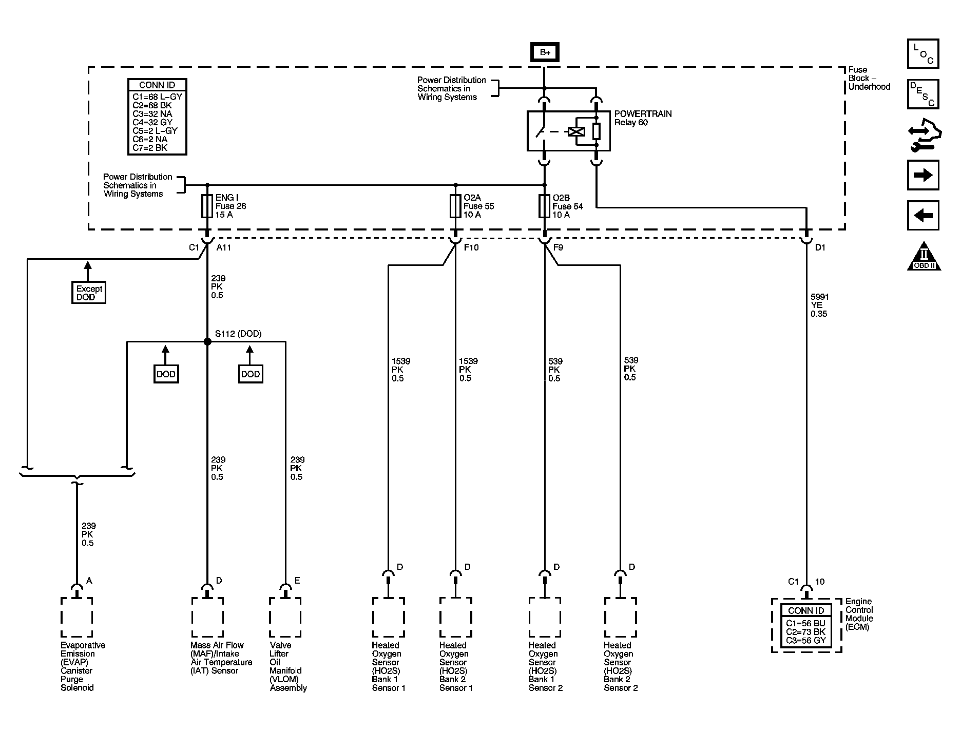
Fig 2: Fuse Block - Underhood Powertrain Relay Schematics - 1 of 2
GM1430676Courtesy of GENERAL MOTORS CORP.
Fig 3: Fuse Block - Underhood Powertrain Relay Schematics - 2 of 2
GM1430681Courtesy of GENERAL MOTORS CORP.
Fig 4: Engine Data Sensors Schematics - 5-Volt and Low Reference
GM1430686Courtesy of GENERAL MOTORS CORP.
Fig 5: Engine Data Sensors Schematics - MAF, Pressure, Temperature, and VSS
GM1430689Courtesy of GENERAL MOTORS CORP.
Fig 6: Engine Data Sensors Schematics - Oxygen Sensors
GM1430690Courtesy of GENERAL MOTORS CORP.
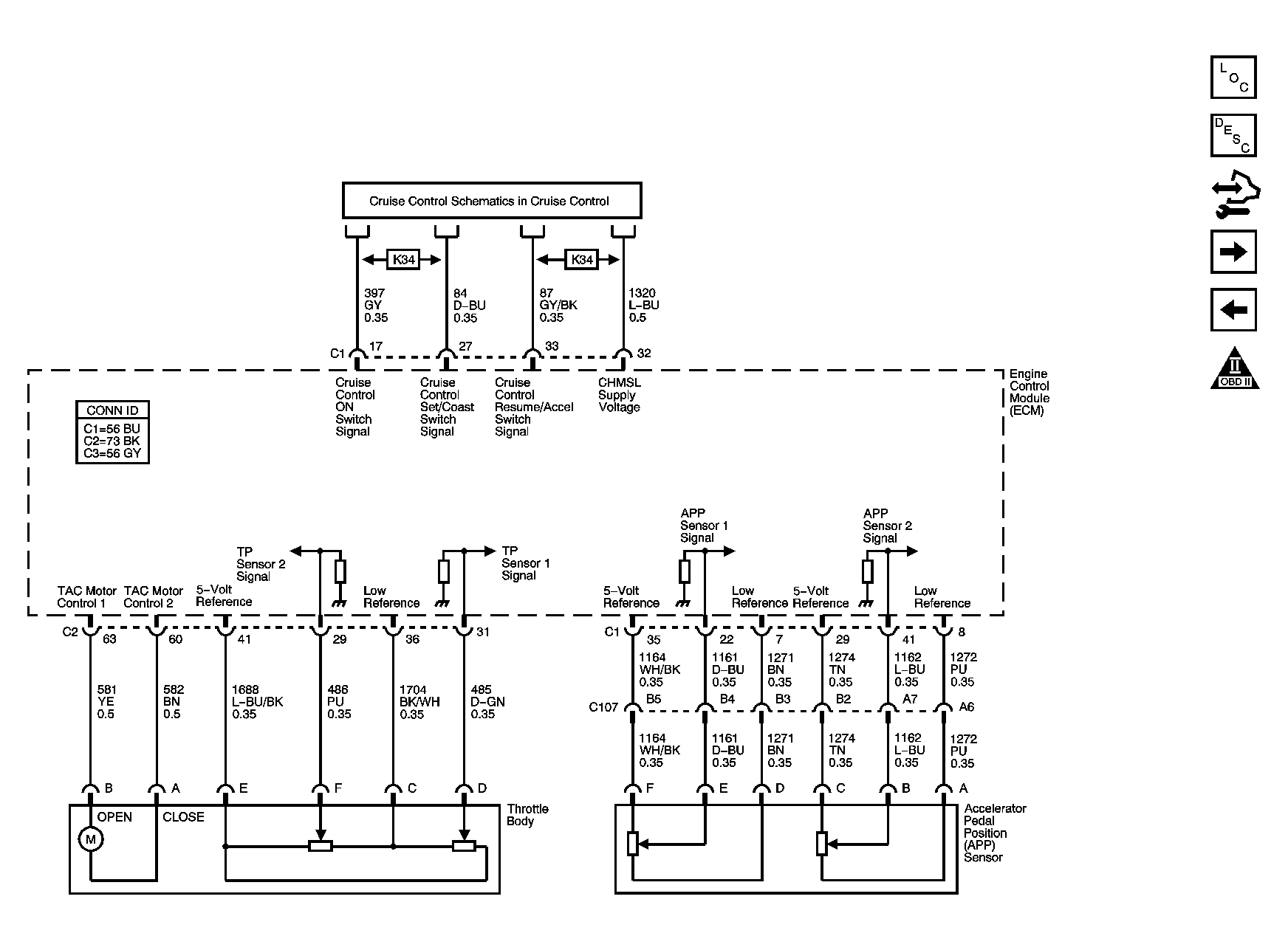
Fig 7: Engine Data Sensors Schematics - Throttle Actuator Controls
GM1430713Courtesy of GENERAL MOTORS CORP.
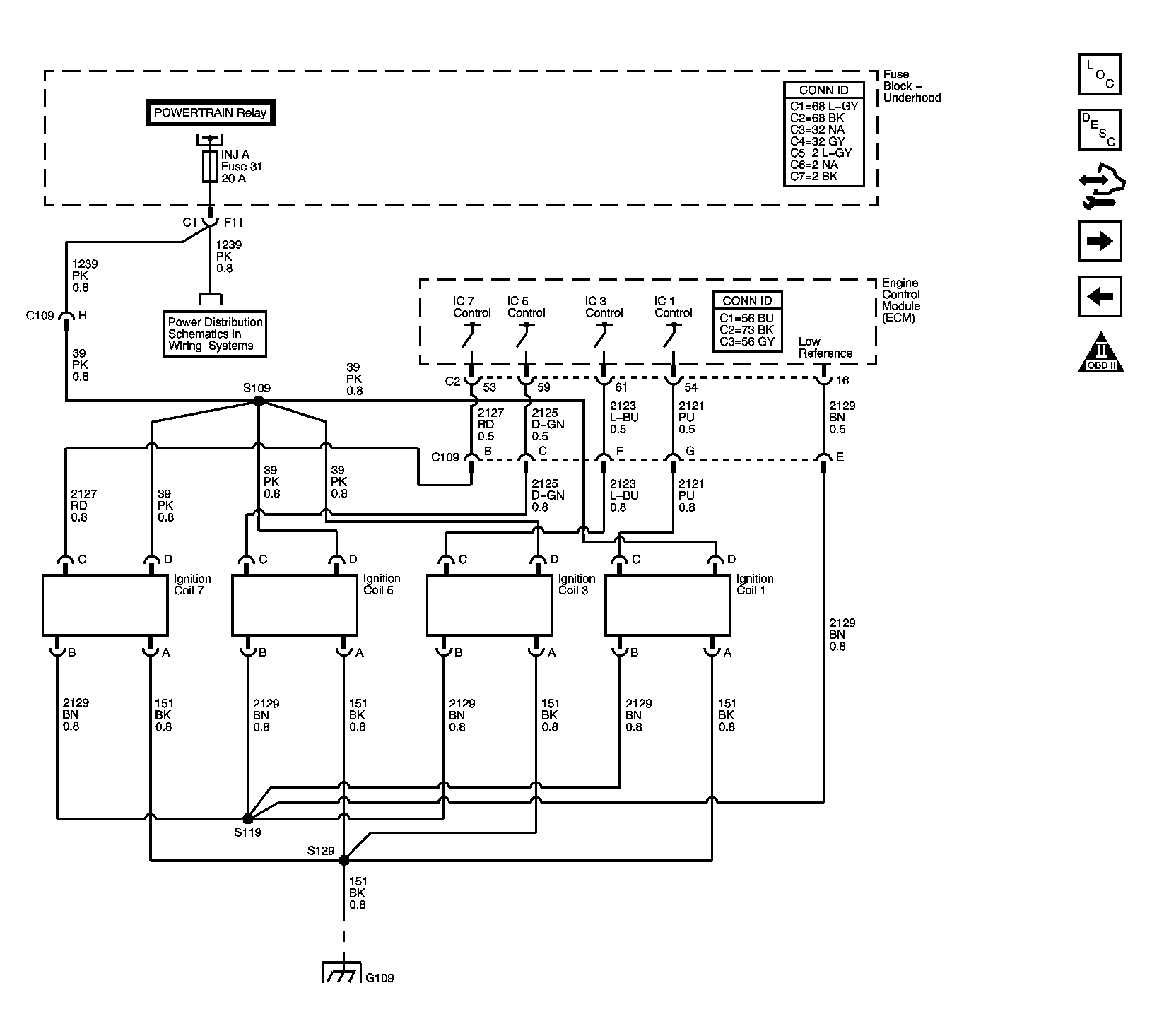
Fig 8: Ignition Controls Schematics - Ignition System Coils 1, 3, 5, 7
GM1430715Courtesy of GENERAL MOTORS CORP.
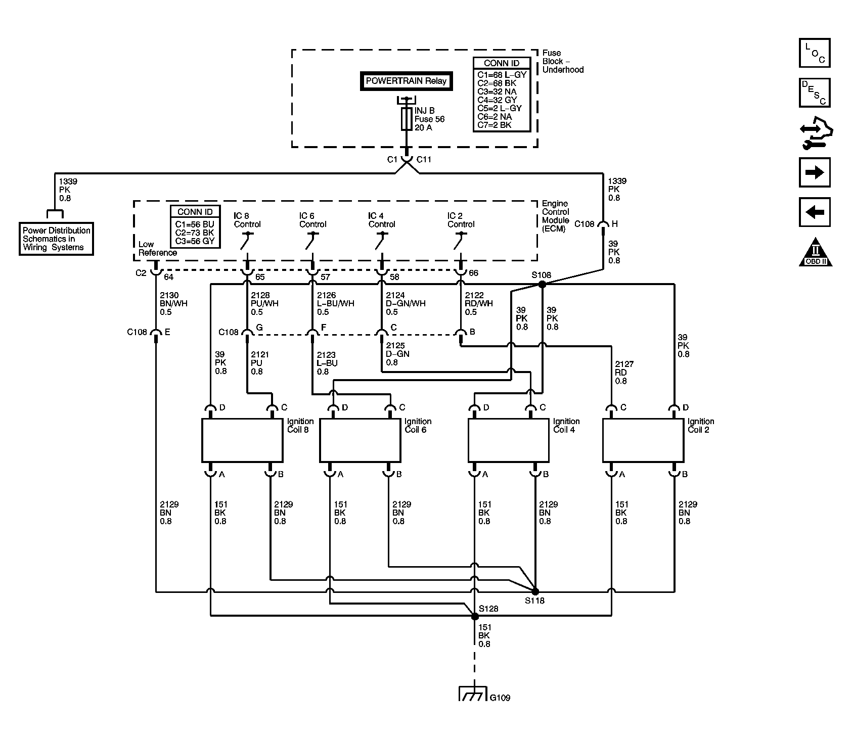
Fig 9: Ignition Controls Schematics - Ignition System Coils 2, 4, 6, 8
GM1430717Courtesy of GENERAL MOTORS CORP.
Fig 10: Ignition Controls Schematics - Sensors and Displacement on Demand
GM1430725Courtesy of GENERAL MOTORS CORP.
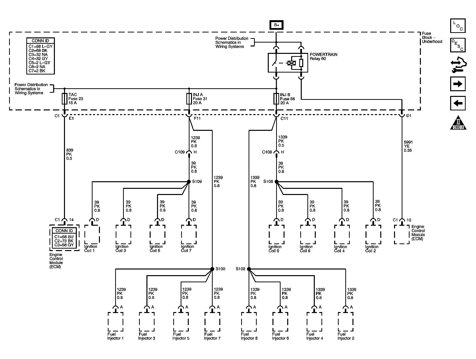
Fig 11: Fuel Controls Schematics - Fuel Pump Controls and Fuel Injectors
GM1430733Courtesy of GENERAL MOTORS CORP.
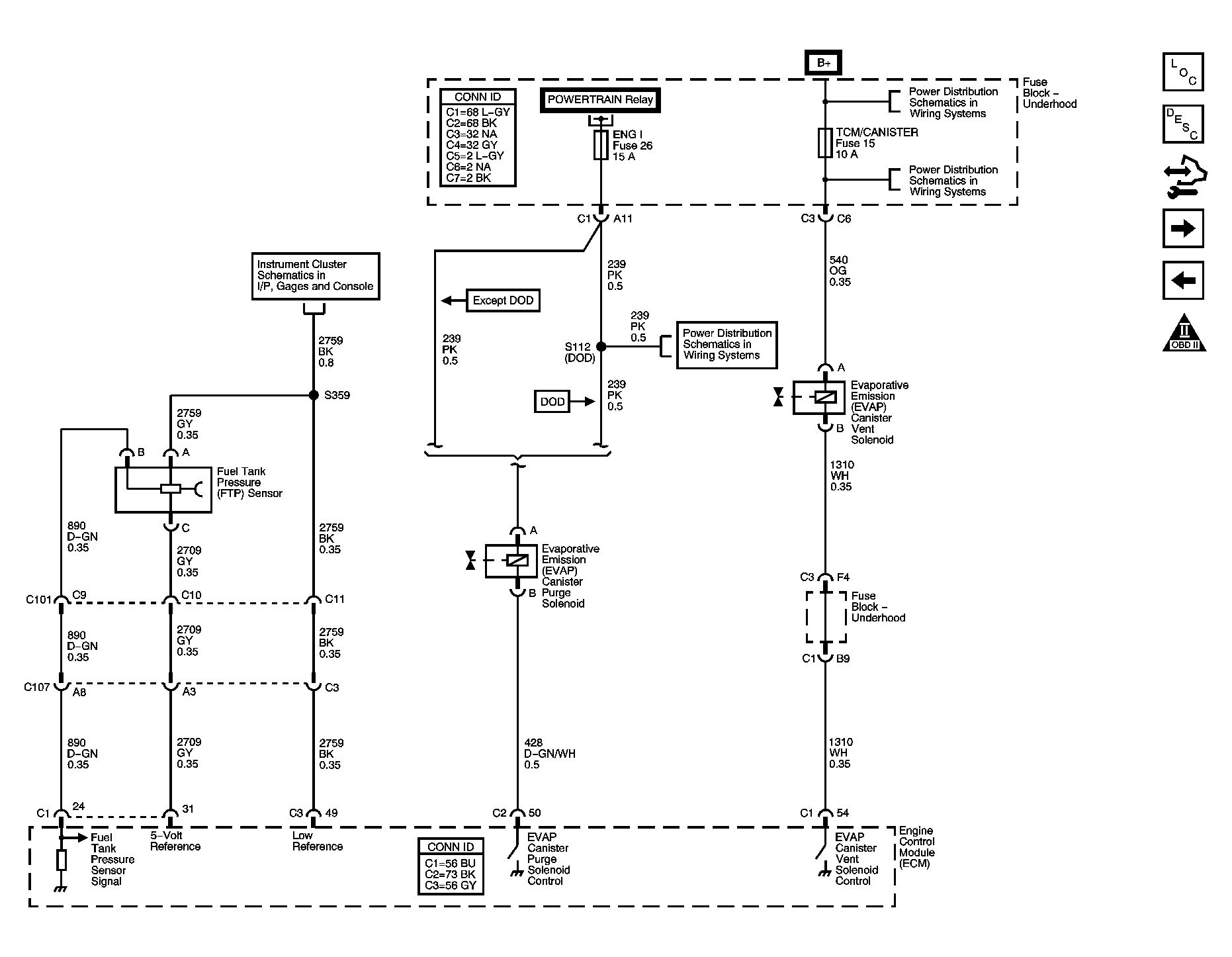
Fig 12: Fuel Controls Schematics - EVAP Controls
GM1430736Courtesy of GENERAL MOTORS CORP.
Fig 13: Controlled/Monitored Subsystem Schematics References
GM1430740Courtesy of GENERAL MOTORS CORP.