LEMON Manuals: Even more car manuals for everyone: 1960-2025
Home >> Plymouth >> 1977 >> Arrow Base, Automatic Trans >> Repair and Diagnosis >> Electrical >> Charging Systems >> Alternator Regulators >> Adjustment
April 5, 2026: LEMON Manuals is launched! Read the announcement.

Alternator Regulators: Adjustment

The Electronic Voltage Regulator cannot be adjusted. If specifications are not obtained and investigation has proved that the rest of the electrical system is not at fault, regulator must be replaced.

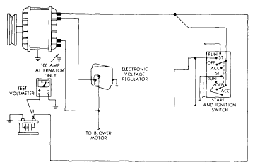
Fig 1: Meter Connections For Voltage Regulator Tests
G09343620Courtesy of CHRYSLER GROUP, LLC