LEMON Manuals: Even more car manuals for everyone: 1960-2025
Home >> Pontiac >> 2001 >> Aztek Base, AWD >> Repair and Diagnosis >> External Pages >> Different car >> Section 1559 (Antilock Brake System And TCS) >> Component Locator >> Antilock Brake System Component Views
April 5, 2026: LEMON Manuals is launched! Read the announcement.

Antilock Brake System Component Views

WARNING: This page is about a different car, the 2007 Saturn Vue. However, it is still accessible from the selected car via links, so may be relevant.
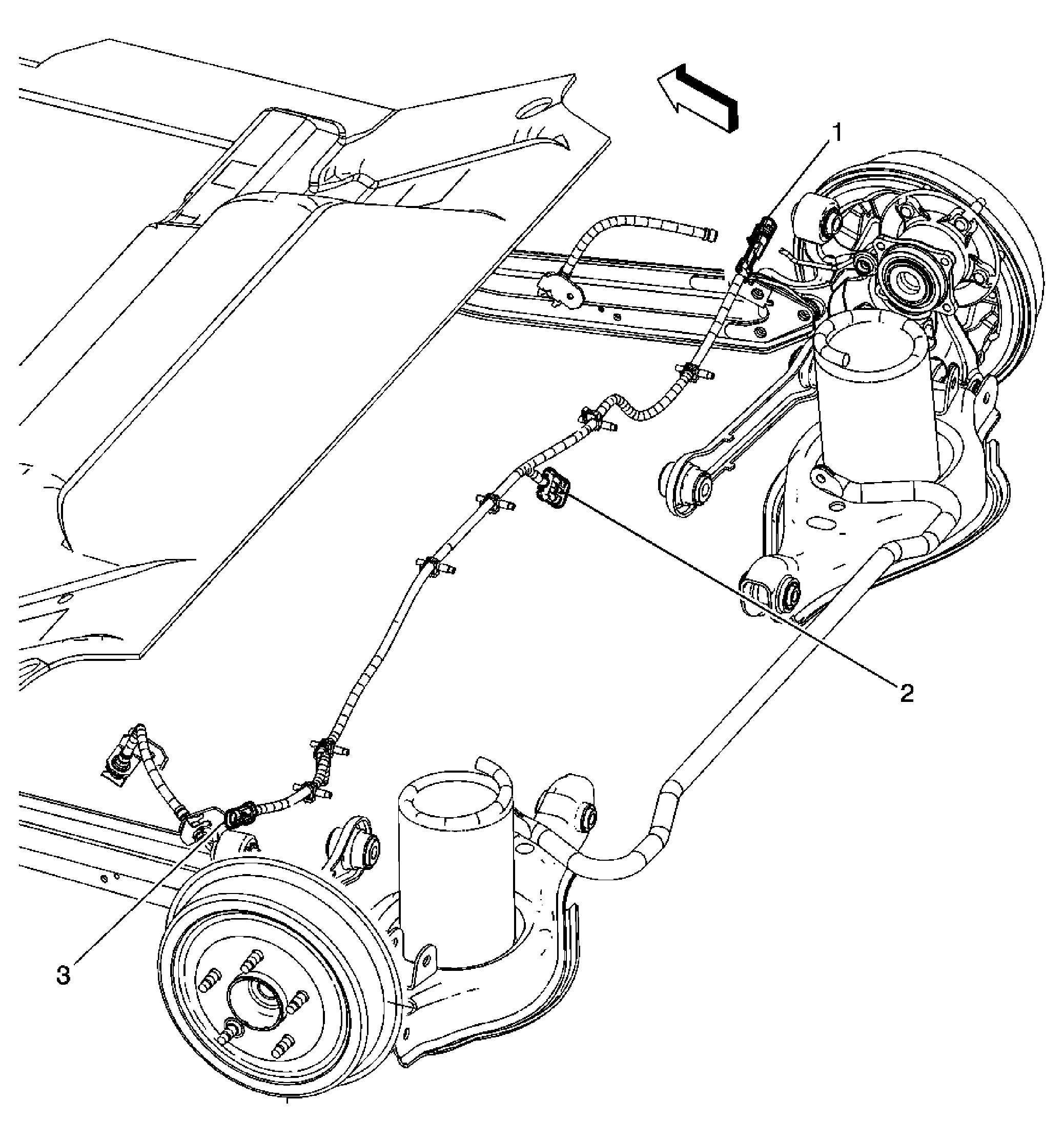
Fig 1: Front Wheel Speed Sensors and Park Brake Switch
GM1781862Courtesy of GENERAL MOTORS CORP.
Callout Component Name
1 Wheel Speed Sensor (WSS)-RF Connector
2 WSS-RF
3 Park Brake Switch
4 WSS-LF Connector
5 WSS-LF
Fig 2: Rear Wheel Speed Sensors
GM1781845Courtesy of GENERAL MOTORS CORP.
Callout Component Name
1 Wheel Speed Sensor (WSS)-RR Connector
2 C404
3 Wheel Speed Sensor (WSS)-LR Connector
Fig 3: Left Rear of Engine Compartment
GM1760315Courtesy of GENERAL MOTORS CORP.
Callout Component Name
1 Brake Fluid Level Switch
2 Electronic Brake Control Module (EBCM)
3 Hill Hold Valve (LAT)
4 Brake Pressure Sensor (LAT)
5 Brake Vacuum Sensor (LAT)
Fig 4: Instrument Panel Components
GM1781191Courtesy of GENERAL MOTORS CORP.
Callout Component Name
1 Instrument Panel Cluster (IPC)
2 Windshield Wiper/Washer Switch
3 I/P Dimmer Control
4 Hazard Switch
5 Inflatable Restraint Front Passenger Presence System (PPS) Indicator
6 Fog Lamp (T96) or Traction Control Switch (NW9)
7 Ambient Light Sensor
8 Inflatable Restraint I/P Module
9 HVAC Control Module
10 Cigar Lighter (DT4)
11 Window Switch - Passenger
12 Heated Seat Switches
13 Window Switch - Driver
14 Outside Rearview Mirror Switch (D22/DG7)
15 Radio
16 Steering Wheel Control Switch - Right (Radio)
17 Inflatable Restraint Steering Wheel Module
18 Steering Wheel Control Switch - Left (Cruise Control)
19 Turn Signal/Multifunction Switch