LEMON Manuals: Even more car manuals for everyone: 1960-2025
Home >> Pontiac >> 2003 >> Aztek AWD >> Repair and Diagnosis >> External Pages >> Different car >> Section 425 (Lighting Systems) >> Component Locator >> Lighting Systems Component Views
April 5, 2026: LEMON Manuals is launched! Read the announcement.

Lighting Systems Component Views

WARNING: This page is about a different car, the 2003 GMC Sonoma, 2003 GMC Jimmy, 2003 Chevrolet S10 Pickup, and 2003 Chevrolet Blazer. However, it is still accessible from the selected car via links, so may be relevant.
Fig 1: Repeater Lamp - Left (Export)
G01476094Courtesy of GENERAL MOTORS CORP.
Fig 2: Dome Lamp Harness W/O Driver Information Center (DIC) (Utility)
G01476095Courtesy of GENERAL MOTORS CORP.
Fig 3: Front Passenger Door Shown, Driver Similar
G01476096Courtesy of GENERAL MOTORS CORP.
Fig 4: Floor Shifter Harness Connections
G01476097Courtesy of GENERAL MOTORS CORP.
Fig 5: Floor Pedals
G01476098Courtesy of GENERAL MOTORS CORP.
Fig 6: Forward Lamps Wiring Harness (Left Shown, Right Opposite)
G01476099Courtesy of GENERAL MOTORS CORP.
Fig 7: Headlamp Switch
G01476100Courtesy of GENERAL MOTORS CORP.
Fig 8: Center High Mounted Stop Lamp (CHMSL) (Pickup)
G01476101Courtesy of GENERAL MOTORS CORP.
Fig 9: Instrument Panel, LF
G01476102Courtesy of GENERAL MOTORS CORP.
Fig 10: Instrument Panel, RF
G01476103Courtesy of GENERAL MOTORS CORP.
Fig 11: IP Wiring Harness
G01476104Courtesy of GENERAL MOTORS CORP.
Fig 12: License Lamp Wiring (Fleetside Pickup
G01476105Courtesy of GENERAL MOTORS CORP.
Fig 13: License Lamp Wiring (Sportside Pickup)
G01476106Courtesy of GENERAL MOTORS CORP.
Fig 14: License Lamp Wiring (Utility)
G01476107Courtesy of GENERAL MOTORS CORP.
Fig 15: License Lamp Wiring (Sportside Pickup)
G01476108Courtesy of GENERAL MOTORS CORP.
Fig 16: Manual Transmission (2.2 L)
G01476109Courtesy of GENERAL MOTORS CORP.
Fig 17: Rear Frame (4-Door Utility)
G01476110Courtesy of GENERAL MOTORS CORP.
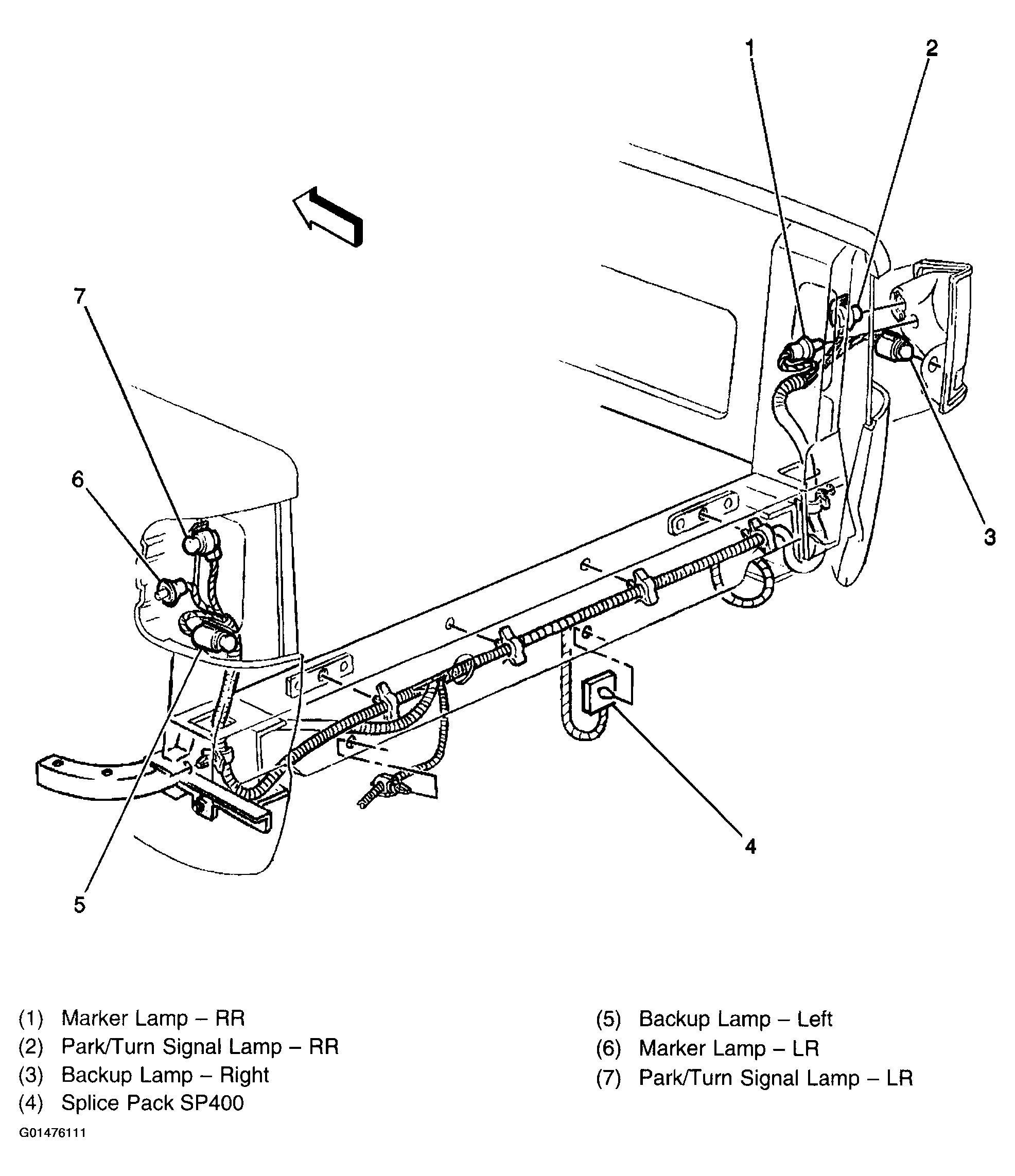
Fig 18: Rear Lamps (Pickup)
G01476111Courtesy of GENERAL MOTORS CORP.
Fig 19: Rear Lamps Connection (Utility LH Side Shown, RH Side Similar)
G01476112Courtesy of GENERAL MOTORS CORP.
Fig 20: Rear Lamp Connections (Export)
G01476113Courtesy of GENERAL MOTORS CORP.
Fig 21: Rear Roof (Utility)
G01476114Courtesy of GENERAL MOTORS CORP.
Fig 22: Door Jamb Switch Harness & Connector, RR (LR Similar)
G01476115Courtesy of GENERAL MOTORS CORP.