LEMON Manuals: Even more car manuals for everyone: 1960-2025
Home >> Pontiac >> 2003 >> Aztek AWD >> Repair and Diagnosis >> External Pages >> Different car >> Section 439 (Seat System) >> Repair Instructions >> Memory Seat Control Module Replacement >> Installation Procedure
April 5, 2026: LEMON Manuals is launched! Read the announcement.

Installation Procedure

WARNING: This page is about a different car, the 2003 GMC Sonoma, 2003 GMC Jimmy, 2003 Chevrolet S10 Pickup, and 2003 Chevrolet Blazer. However, it is still accessible from the selected car via links, so may be relevant.
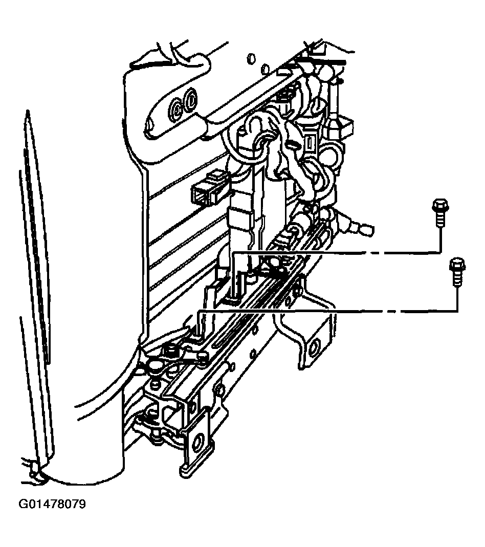
  1. Slide the memory seat module into the bracket until the module is seated.
    NOTE: Refer to FASTENER NOTICE in Cautions and Notices.
  2. Install the memory seat module and bracket to the seat adjuster frame assembly with 2 screws.

    Tighten 

    Tighten the memory seat module retaining screws to 3 N.m (26 lb in).

    Fig 1: Installing Memory Seat Module & Bracket To Seat Adjuster Frame Assembly With Screws
    G01478079Courtesy of GENERAL MOTORS CORP.
  3. Install the memory seat module harness connectors.
  4. Install the front seat to the vehicle. Refer to SEAT REPLACEMENT - Bucket .
    Fig 2: Memory Seat Module Harness Connectors
    G01478080Courtesy of GENERAL MOTORS CORP.