LEMON Manuals: Even more car manuals for everyone: 1960-2025
Home >> Pontiac >> 2005 >> Aztek Base, AWD >> Repair and Diagnosis >> Steering >> Steering Wheel & Steering Column >> Component Locator >> Steering Wheel and Column Component Views
April 5, 2026: LEMON Manuals is launched! Read the announcement.

Steering Wheel and Column Component Views

Fig 1: Center Console Component View (Pontiac)
GM861248Courtesy of GENERAL MOTORS CORP.
Callout Component Name
1 Body Control Module (BCM) C2
2 Body Control Module (BCM) C1
3 Body Control Module (BCM) C0
4 Automatic Transmission Floor Shift Control
5 Fuse Block - Center Console C2
6 Fuse Block - Center Console C1
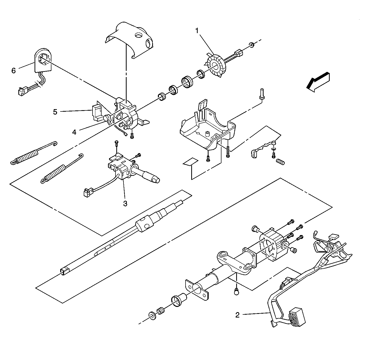
Fig 2: Steering Column Disassembled View (Pontiac)
GM1384374Courtesy of GENERAL MOTORS CORP.
Callout Component Name
1 Inflatable Restraint Steering Wheel Module
2 Wire Harness Assembly
3 Multifunction Switch
4 Ignition Lock Cylinder Control Actuator
5 Ignition Switch
6 Theft Deterrent Module