LEMON Manuals: Even more car manuals for everyone: 1960-2025
Home >> Pontiac >> 2005 >> Aztek Base, FWD >> Repair and Diagnosis >> Engine Performance >> System >> Engine Controls - 3.4L - Introduction >> Repair Instructions >> Fuel Level Sensor Replacement >> Installation Procedure
April 5, 2026: LEMON Manuals is launched! Read the announcement.

Installation Procedure

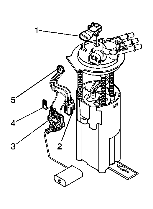
    Fig 1: Identifying Fuel Tank Pressure Sensor
    GM682671Courtesy of GENERAL MOTORS CORP.
  1. Install the fuel level sensor (3) to the modular fuel sender.
  2. Install the fuel level sensor retaining clip.
  3. Connect the fuel level sensor electrical connector.
  4. Install the fuel level sensor electrical connector retaining clip (4).
  5. Connect the fuel pump electrical connector (2).
  6. Install the fuel sender assembly. Refer to Fuel Sender Assembly Replacement .
  7. Inspect for fuel leaks with the following procedure:
    1. Turn ON the ignition for 2 seconds.
    2. Turn OFF the ignition for 10 seconds.
    3. Turn ON the ignition.
    4. Inspect for fuel leaks.