LEMON Manuals: Even more car manuals for everyone: 1960-2025
Home >> Pontiac >> 2005 >> Pursuit Base, Automatic >> Repair and Diagnosis >> External Pages >> Different car >> Section 47 (Data Communication System) >> Schematic and Routing Diagrams >> Body Control System Schematics
April 5, 2026: LEMON Manuals is launched! Read the announcement.

Body Control System Schematics

WARNING: This page is about a different car, the 2007 Pontiac G5 Pursuit, 2007 Pontiac G5, and 2007 Chevrolet Cobalt. However, it is still accessible from the selected car via links, so may be relevant.
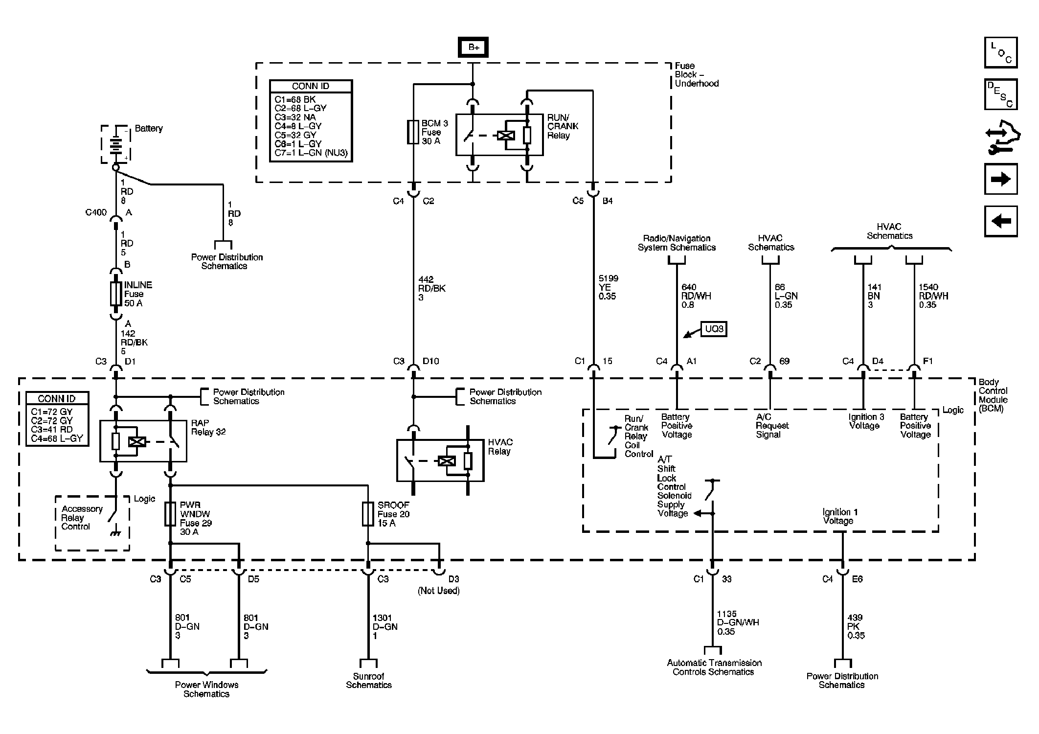
Fig 1: Power, Ground, Communication, Controlled/Monitored Subsystem References (1 of 5)
GM1785234Courtesy of GENERAL MOTORS CORP.
Fig 2: Controlled/Monitored Subsystem References (2 of 5)
GM1785245Courtesy of GENERAL MOTORS CORP.
Fig 3: Controlled/Monitored Subsystem References (3 of 5)
GM1785320Courtesy of GENERAL MOTORS CORP.
Fig 4: Controlled/Monitored Subsystem References (4 of 5)
GM1785331Courtesy of GENERAL MOTORS CORP.
Fig 5: Controlled/Monitored Subsystem References (5 of 5)
GM1785339Courtesy of GENERAL MOTORS CORP.