LEMON Manuals: Even more car manuals for everyone: 1960-2025
Home >> Pontiac >> 2005 >> Vibe Base, AWD >> Repair and Diagnosis (Single Page) >> Accessories & Equipment >> Infotainment >> Cellular Communication Systems >> Repair Instructions >> Communication Interface Module Replacement >> Installation Procedure
April 5, 2026: LEMON Manuals is launched! Read the announcement.

Installation Procedure

    Fig 1: Positioning Vehicle Communication Interface Module
    GM1528369Courtesy of GENERAL MOTORS CORP.
  1. Position the VCIM in the vehicle.
  2. NOTE: Refer to Fastener Notice in Cautions and Notices.
  3. Install the nuts (1).

    Tighten:  Tighten the nuts (1) to 4 N.m (36 lb in).

  4. Position the seat to the most rearward position.
  5. Fig 2: Connecting Cellular Antenna And Navigation Radio Antenna Connectors
    GM1528368Courtesy of GENERAL MOTORS CORP.
  6. Connect the cellular antenna and the navigation radio antenna connectors (1).
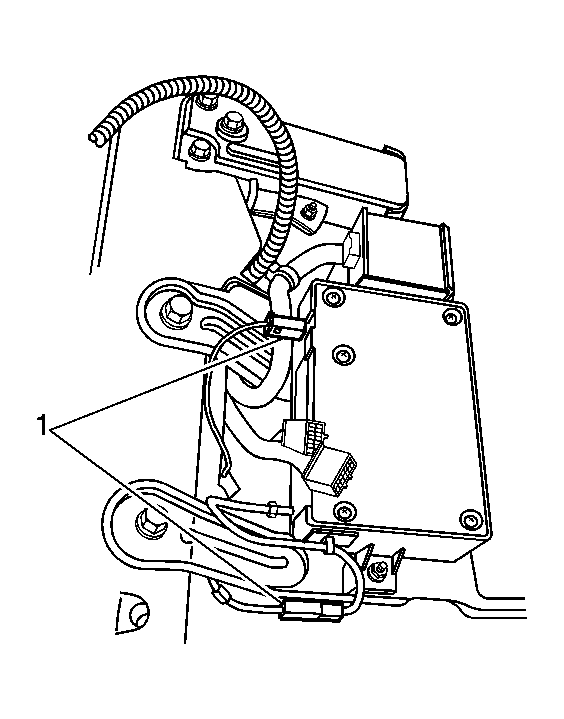
  7. Fig 3: Connecting Two Vehicle Communication Interface Module Electrical Connectors
    GM1528367Courtesy of GENERAL MOTORS CORP.
  8. Connect two vehicle communication interface module electrical connectors (1).
  9. CAUTION: Refer to Battery Disconnect Caution in Cautions and Notices.
  10. Connect the battery ground cable.
  11. IMPORTANT: If replacing the vehicle communication interface module, you must reconfigure the OnStar® system.
  12. Reconfigure the OnStar® system. Refer to Communication Interface Module (OnStar®) Programming and Setup in Programming and Setup