LEMON Manuals: Even more car manuals for everyone: 1960-2025
Home >> Pontiac >> 2005 >> Vibe Base, AWD >> Repair and Diagnosis >> Engine Performance >> System >> Engine Control System - 1.8L (LV6) - Introduction >> Schematic and Routing Diagrams >> Engine Controls Schematics
April 5, 2026: LEMON Manuals is launched! Read the announcement.

Engine Controls Schematics

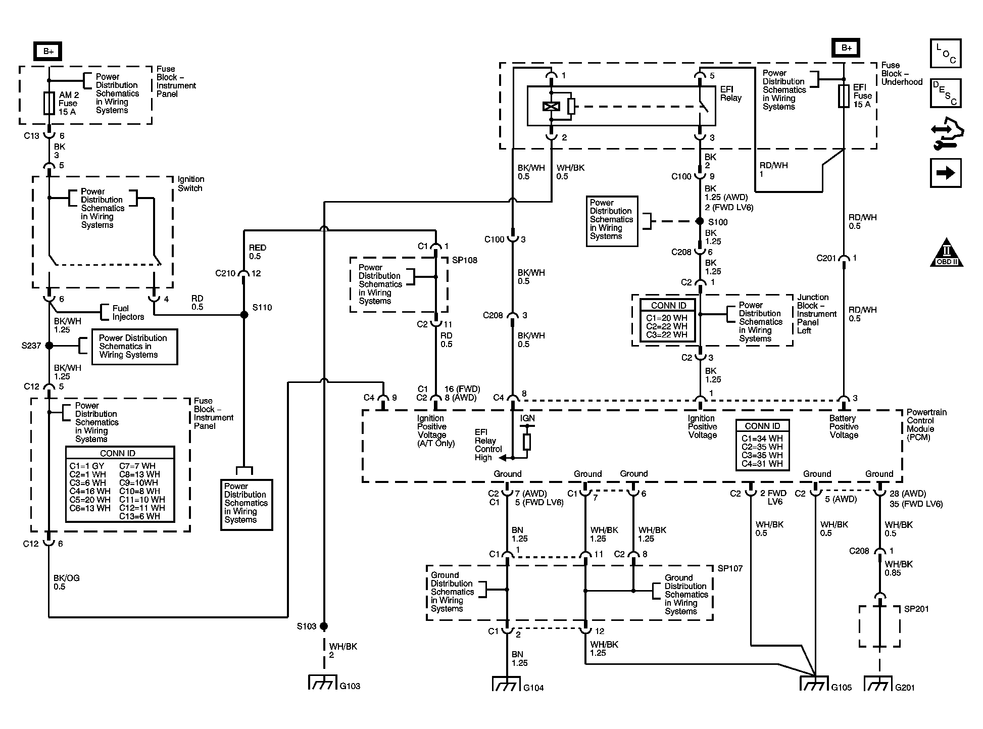
Fig 1: Powertrain Control Module (PCM) Power and Ground Schematic
GM1422196Courtesy of GENERAL MOTORS CORP.
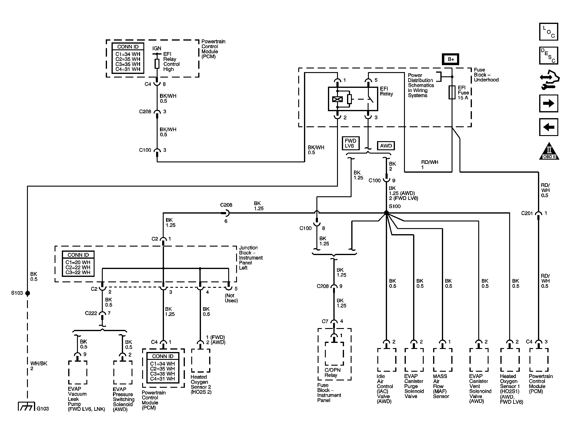
Fig 2: EFI Relay, S100 Schematic
GM1422197Courtesy of GENERAL MOTORS CORP.
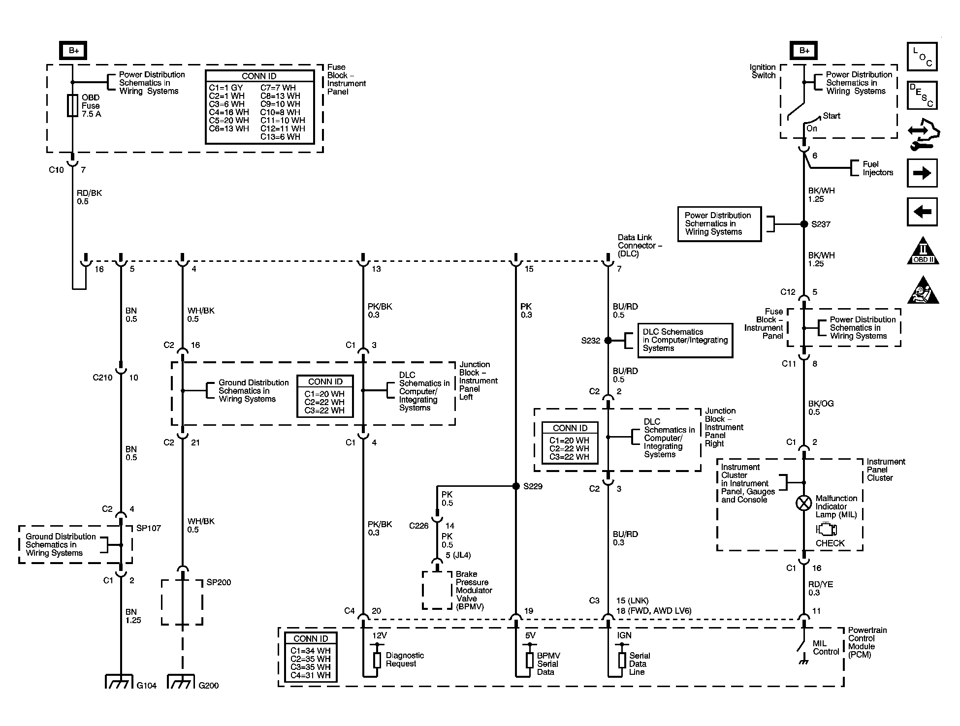
Fig 3: Data Link Connector (DLC) Schematic
GM1422198Courtesy of GENERAL MOTORS CORP.
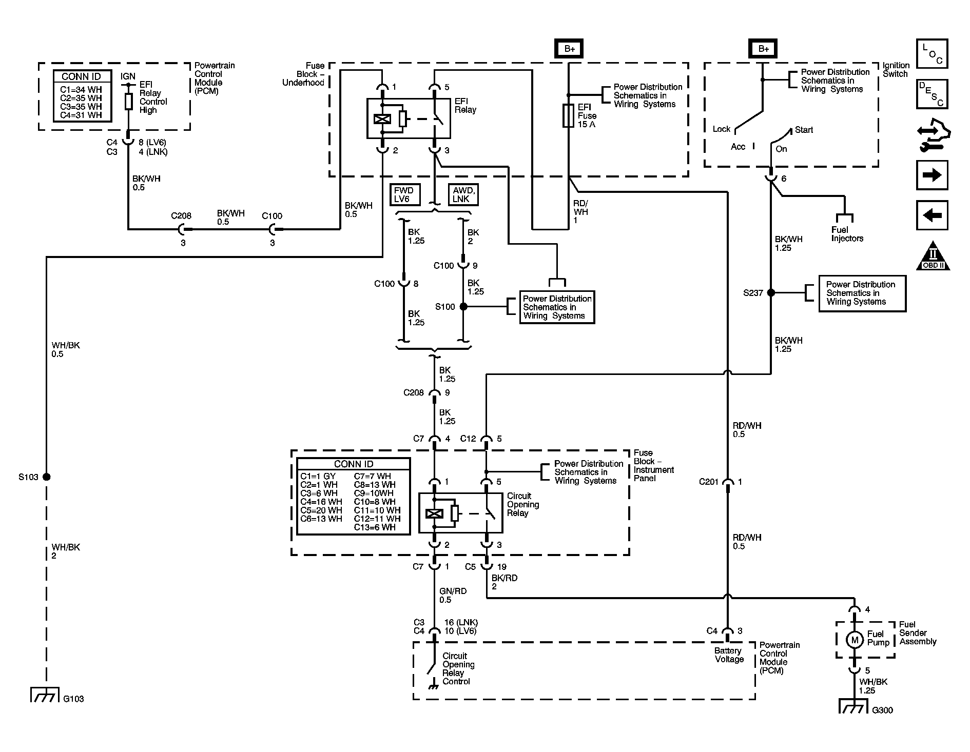
Fig 4: Fuel Sender Assembly Schematic
GM1422249Courtesy of GENERAL MOTORS CORP.
Fig 5: Fuel Injectors Schematic
GM1422201Courtesy of GENERAL MOTORS CORP.
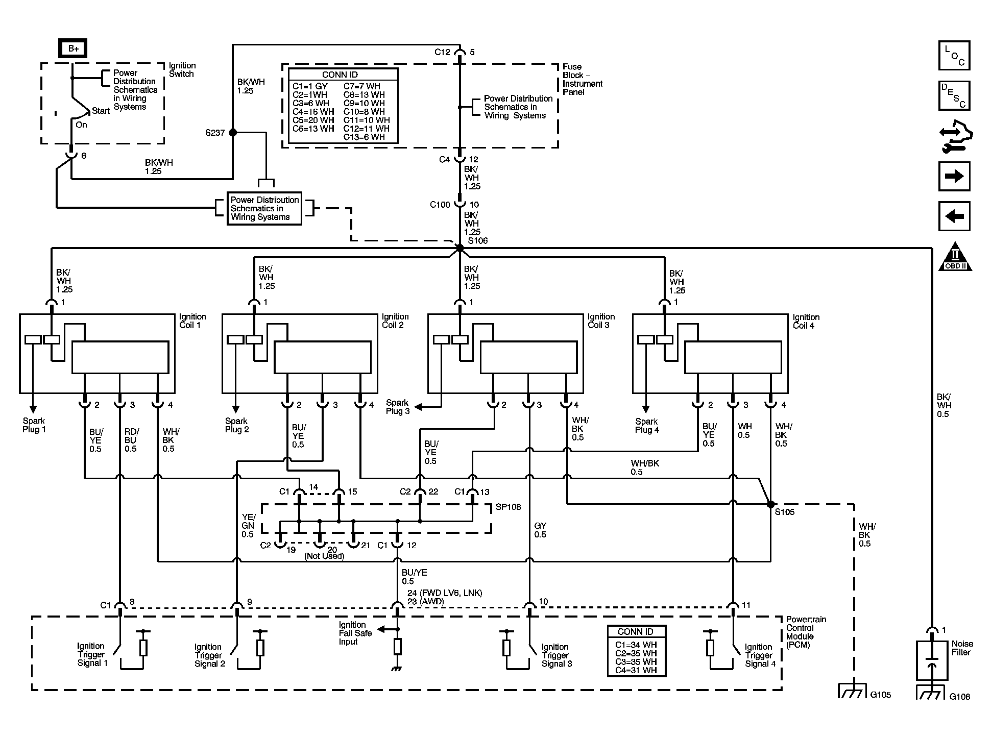
Fig 6: Ignition Coils Schematic
GM1422203Courtesy of GENERAL MOTORS CORP.
Fig 7: Accelerator Pedal Position (APP) Sensor Schematic
GM1470559Courtesy of GENERAL MOTORS CORP.
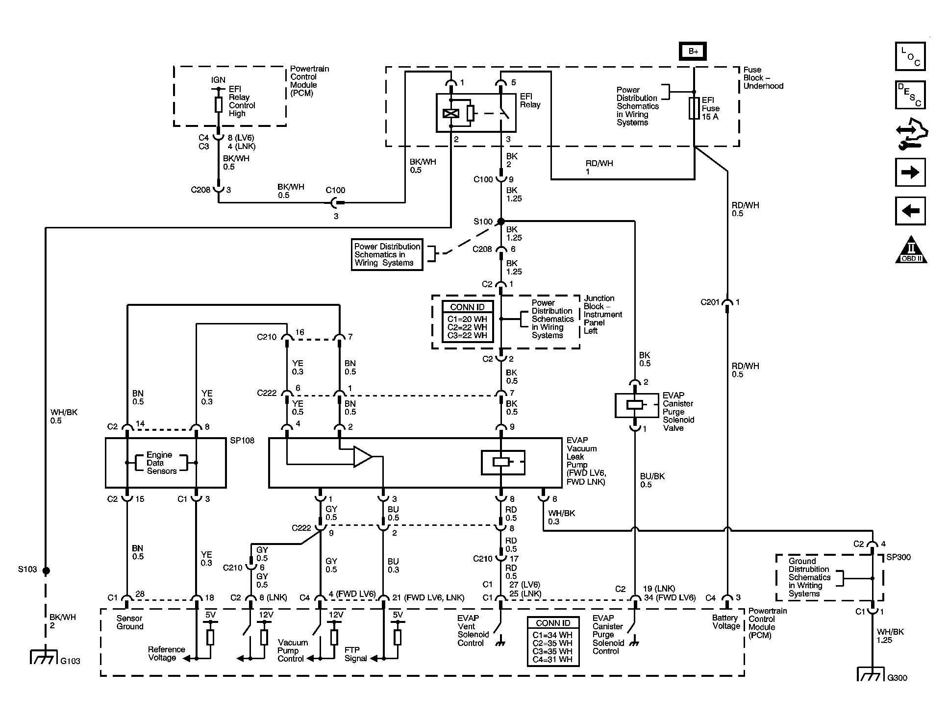
Fig 8: EVAP System (FWD) Schematic
GM1422200Courtesy of GENERAL MOTORS CORP.
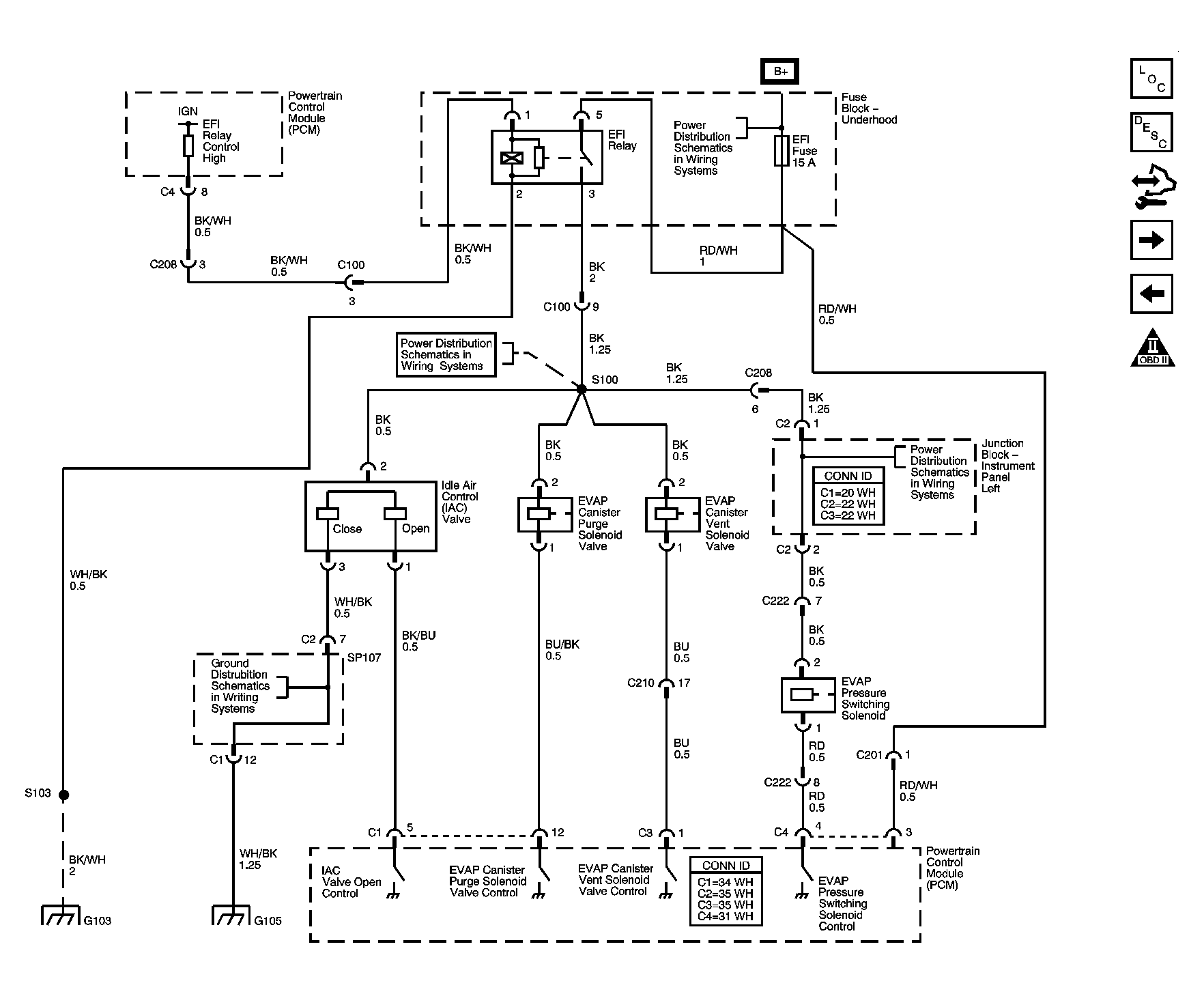
Fig 9: Idle Air Control Valve and EVAP System (AWD) Schematic
GM1422202Courtesy of GENERAL MOTORS CORP.
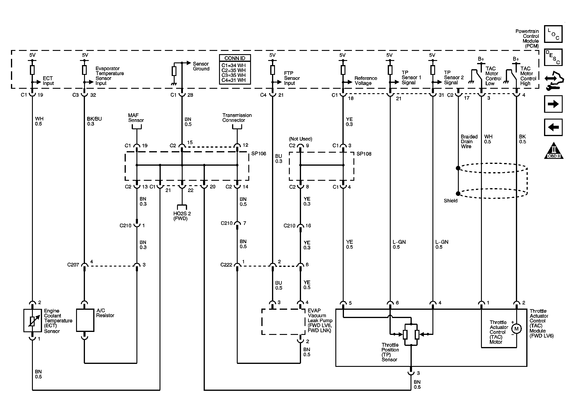
Fig 10: Engine Coolant Temperature (ECT) Sensor, A/C Resistor, EVAP Vacuum Leak Pump, Throttle Actuator Control (TAC) Module (FWD) Schematic
GM1422267Courtesy of GENERAL MOTORS CORP.
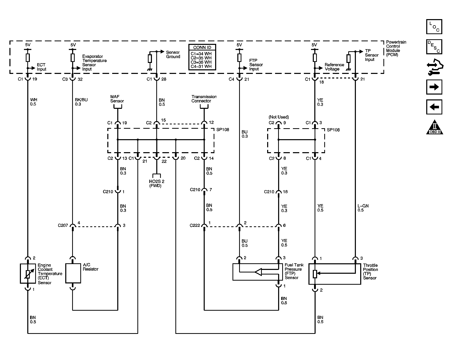
Fig 11: Engine Coolant Temperature (ECT) Sensor, A/C Resistor, Fuel Tank Pressure (FTP) Sensor, Throttle Position (TP) Sensor (AWD) Schematic
GM1422204Courtesy of GENERAL MOTORS CORP.
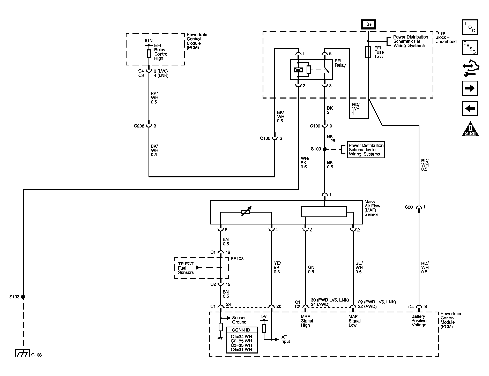
Fig 12: Mass Air Flow (MAF) Sensor Schematic
GM1422205Courtesy of GENERAL MOTORS CORP.
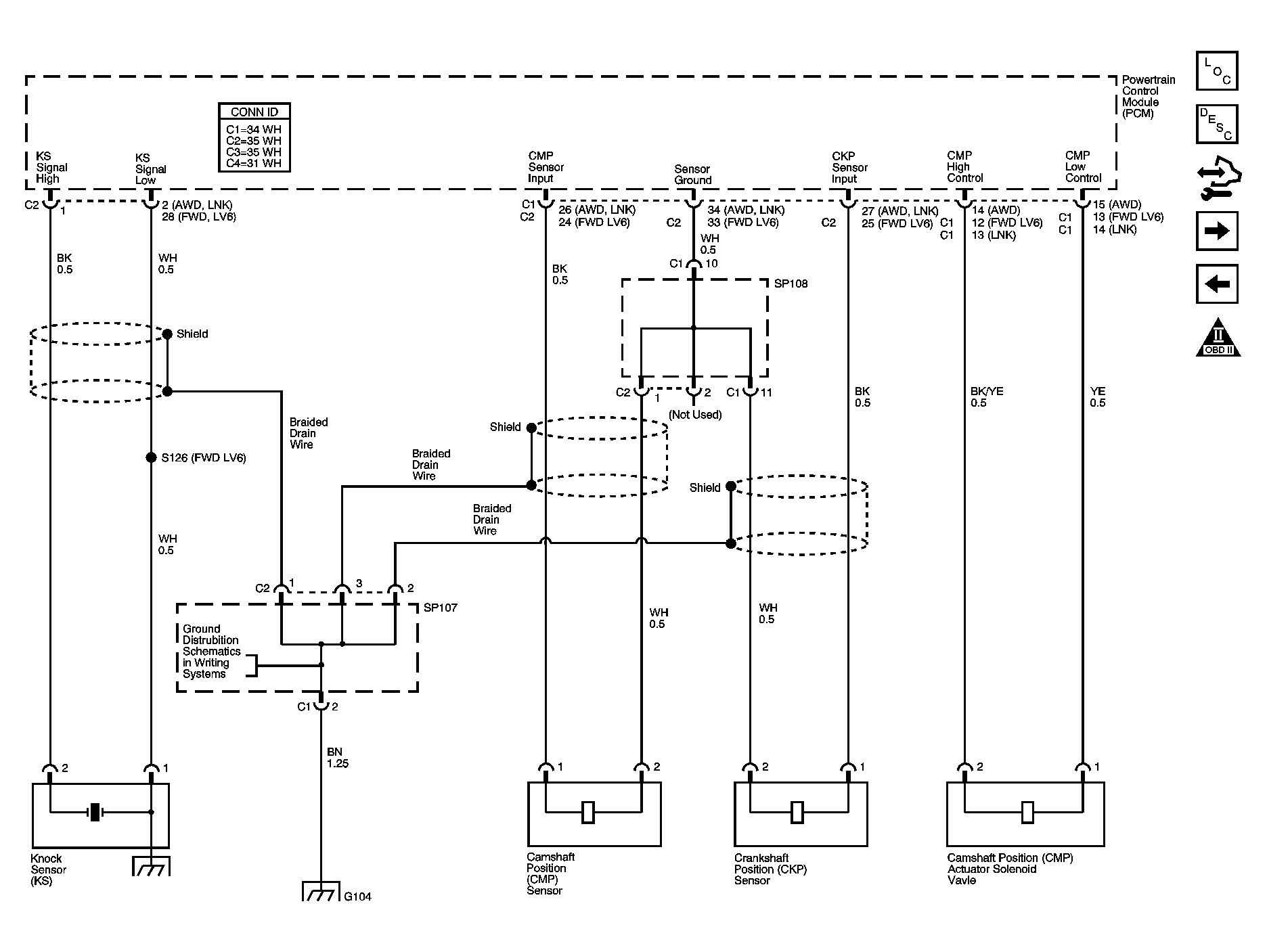
Fig 13: Knock Sensor (KS), Camshaft Position (CMP), Crankshaft Position (CKP) Sensors, Camshaft Position Actuator Solenoid Valve Schematic
GM1422207Courtesy of GENERAL MOTORS CORP.
Fig 14: Heated Oxygen Sensors (HO2S) (FWD) Schematic
GM1424565Courtesy of GENERAL MOTORS CORP.
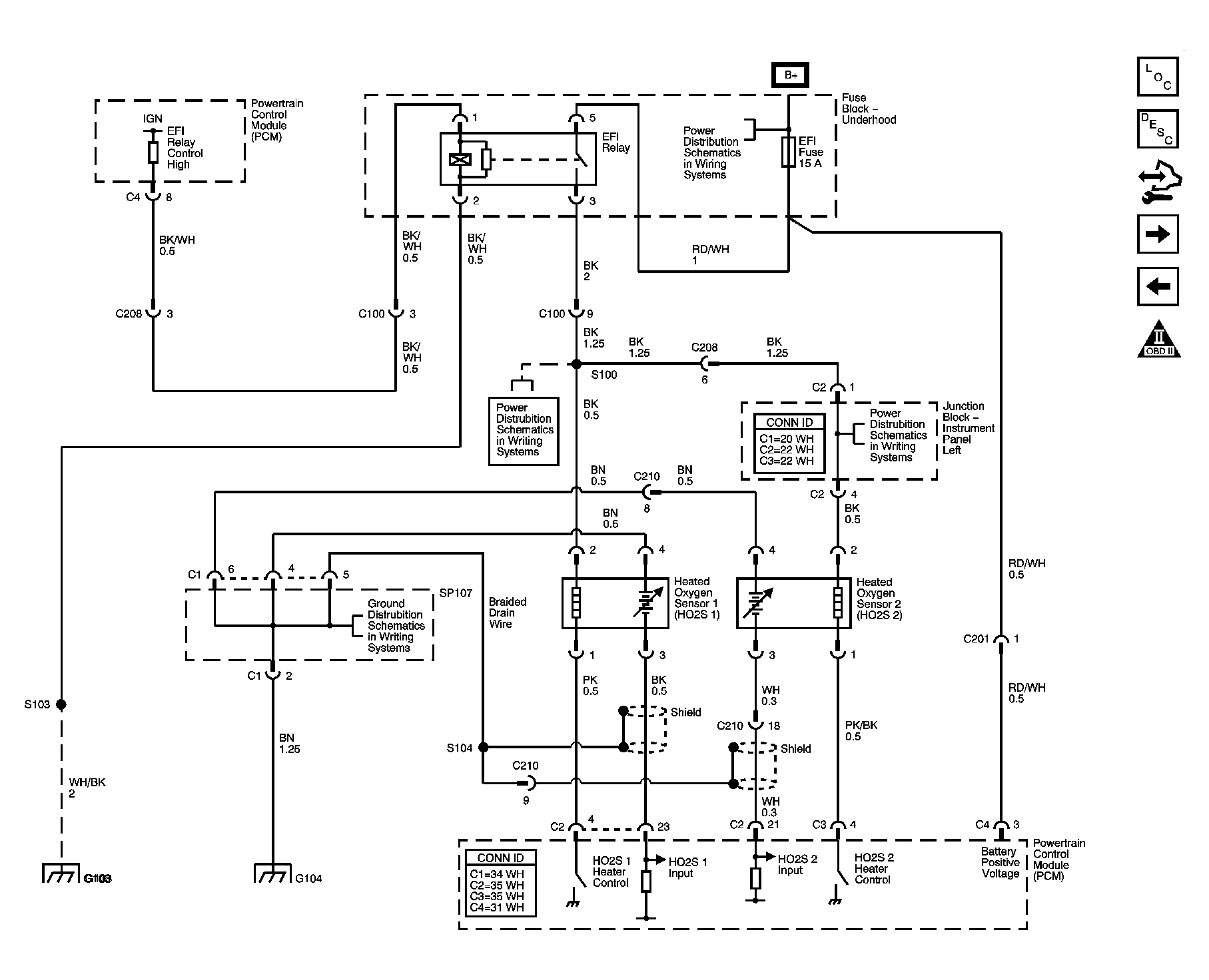
Fig 15: Heated Oxygen Sensors (HO2S) (AWD) Schematic
GM1422209Courtesy of GENERAL MOTORS CORP.
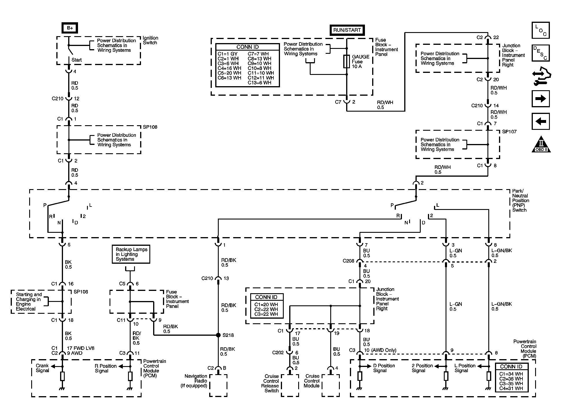
Fig 16: Park/Neutral Position (PNP) Switch Schematic
GM1422211Courtesy of GENERAL MOTORS CORP.
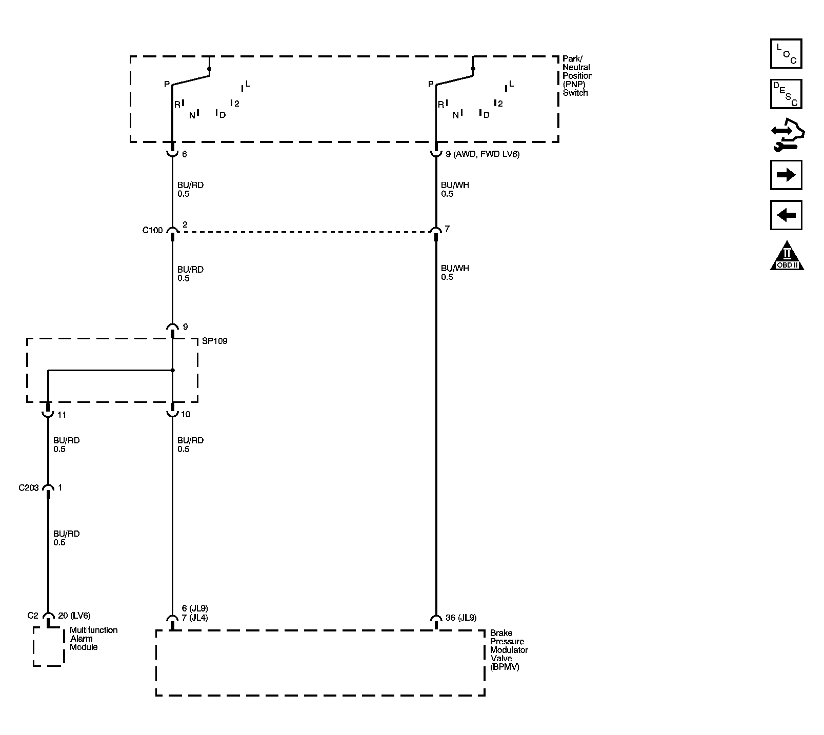
Fig 17: Park/Neutral Position Switch, Brake Pressure Modulator Valve (BPMV), Multifunction Alarm Module Schematic
GM1481319Courtesy of GENERAL MOTORS CORP.
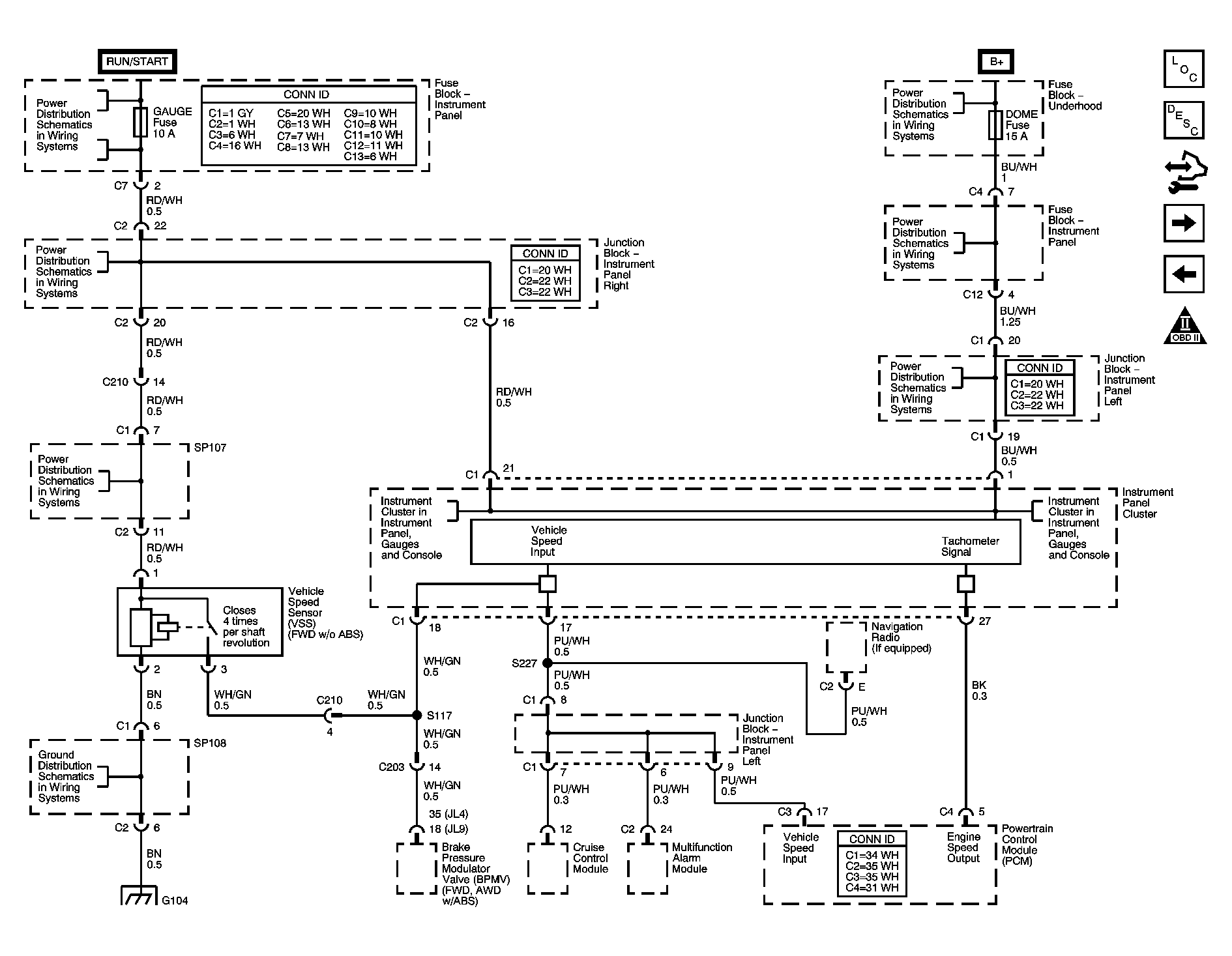
Fig 18: Vehicle Speed Sensor (VSS) (FWD w/o ABS) Schematic
GM1422212Courtesy of GENERAL MOTORS CORP.
Fig 19: Automatic Transaxle Controls (FWD) Schematic
GM1422223Courtesy of GENERAL MOTORS CORP.
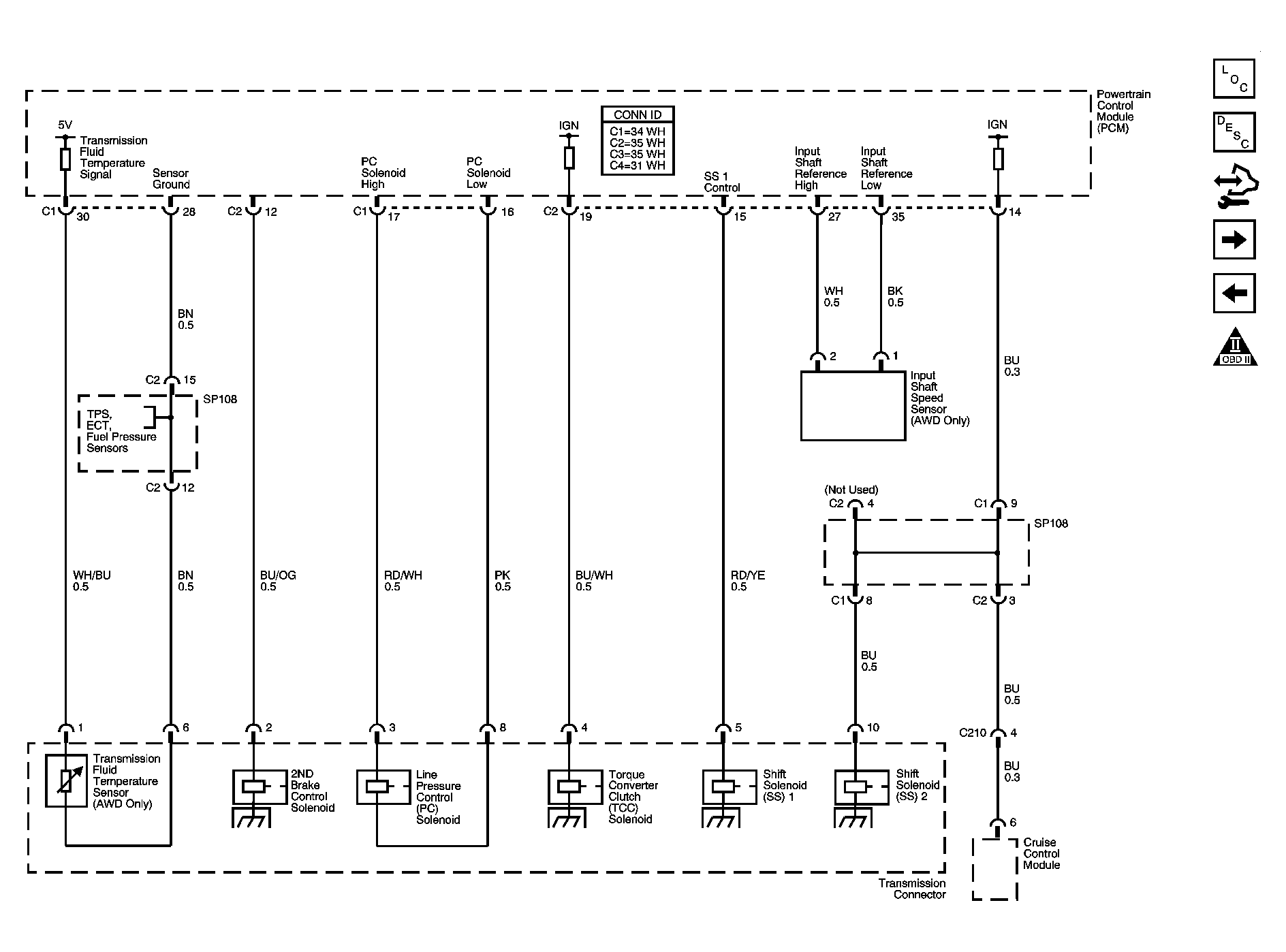
Fig 20: Automatic Transaxle Controls (AWD) Schematic
GM1422226Courtesy of GENERAL MOTORS CORP.
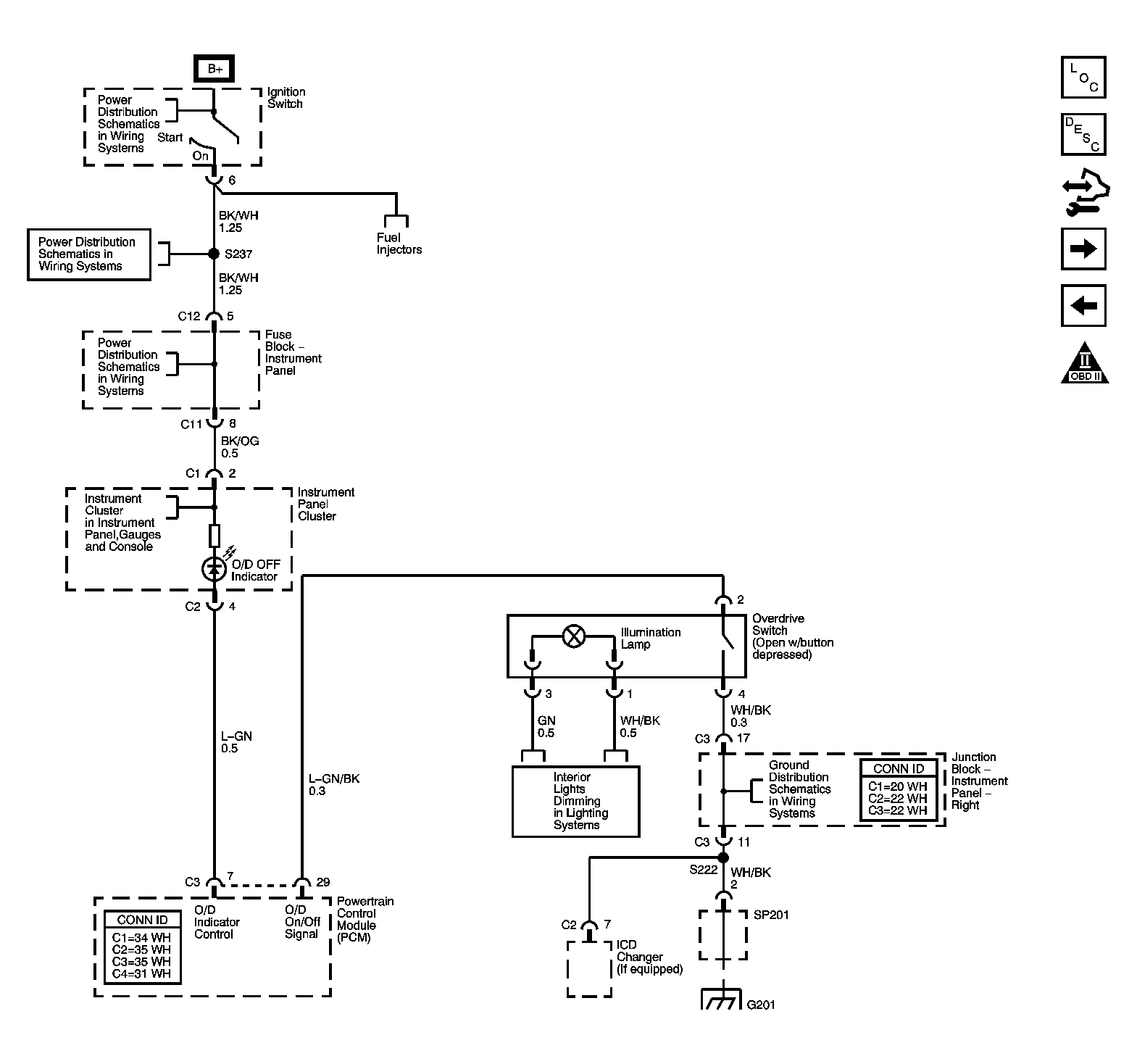
Fig 21: Overdrive Switch and Indicator Schematic
GM1422227Courtesy of GENERAL MOTORS CORP.
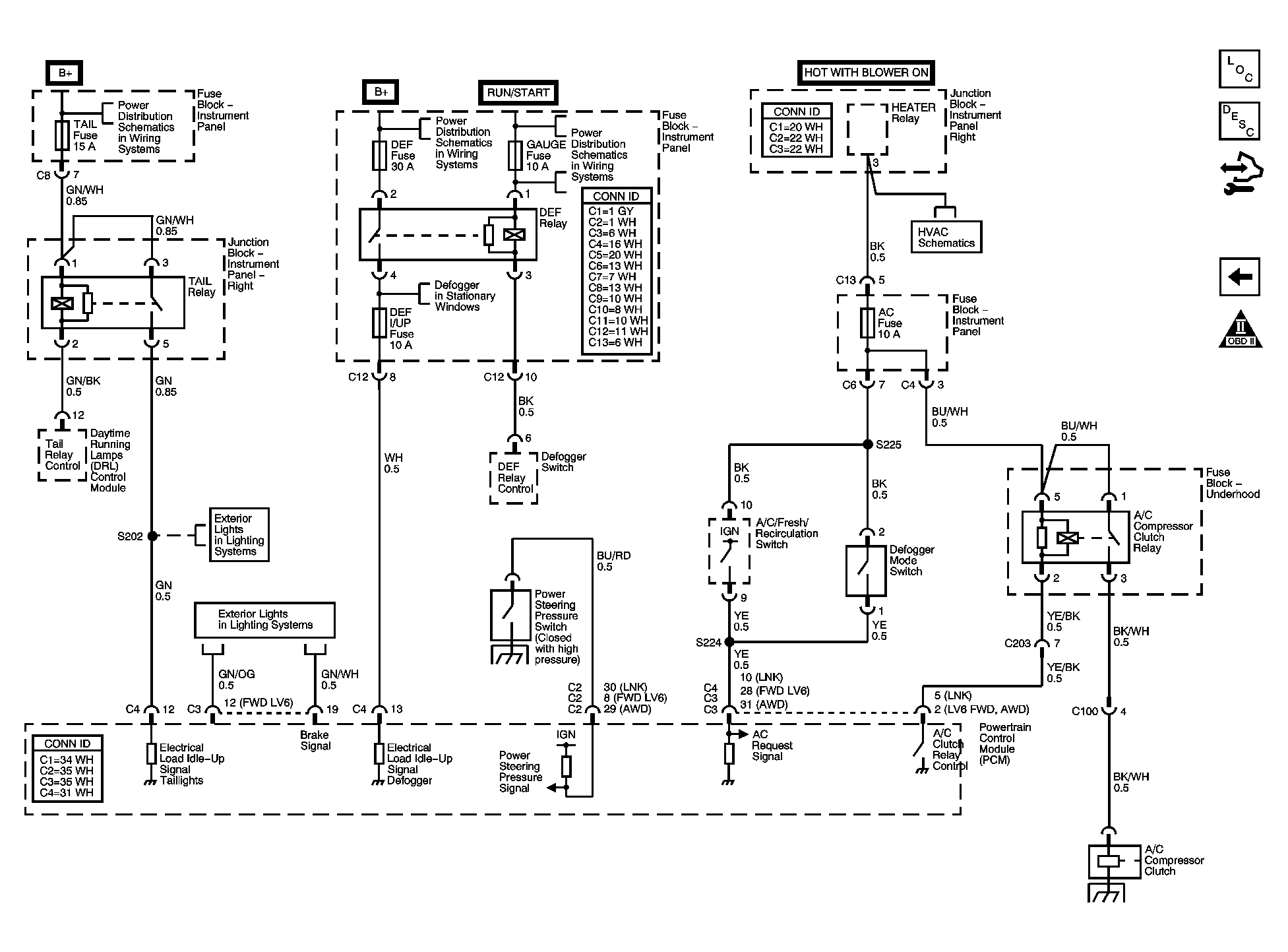
Fig 22: Powertrain Control Module (PCM) Idle-Up Inputs Schematic
GM1422228Courtesy of GENERAL MOTORS CORP.