LEMON Manuals: Even more car manuals for everyone: 1960-2025
Home >> Pontiac >> 2007 >> G6 Base, 2.4 B >> Repair and Diagnosis >> Engine Performance >> System >> Engine Control System & Fuel System - 2.4L - Introduction (2 Of 2) >> Schematic and Routing Diagrams >> Engine Controls Schematics
April 5, 2026: LEMON Manuals is launched! Read the announcement.

Engine Controls Schematics

Fig 1: DLC, Ground, MIL and Power Schematic
GM1783076Courtesy of GENERAL MOTORS CORP.
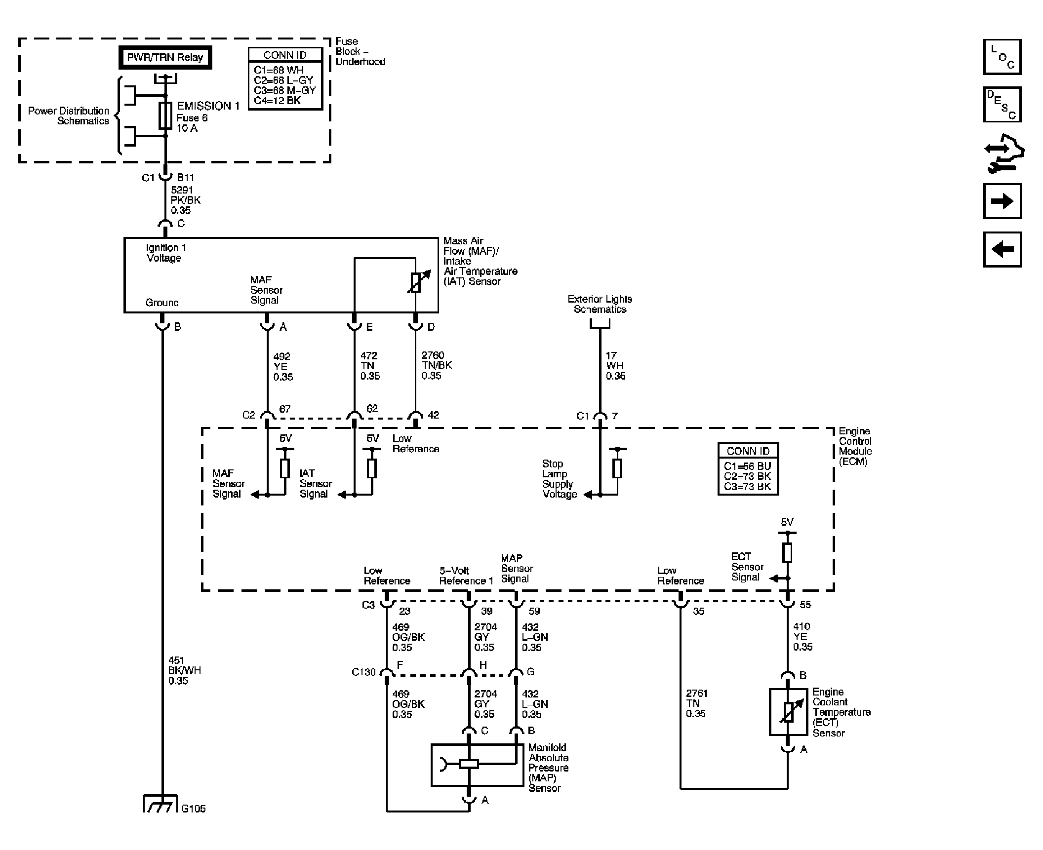
Fig 2: 5-Volt and Low References Schematic
GM1783081Courtesy of GENERAL MOTORS CORP.
Fig 3: MAF, VSS and Extended Brake Travel Switch Schematic
GM1783085Courtesy of GENERAL MOTORS CORP.
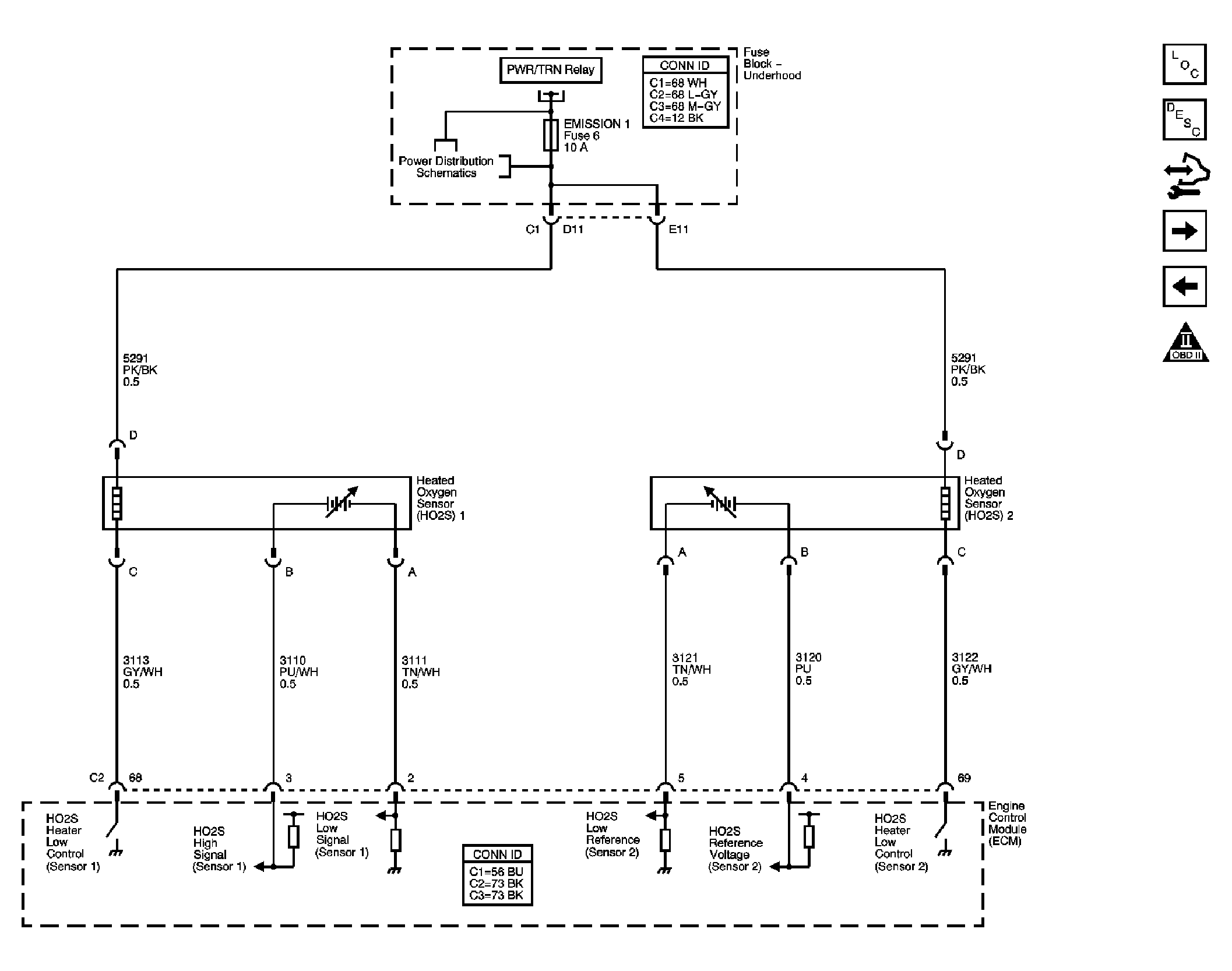
Fig 4: Heated Oxygen Sensors Schematic
GM1783087Courtesy of GENERAL MOTORS CORP.
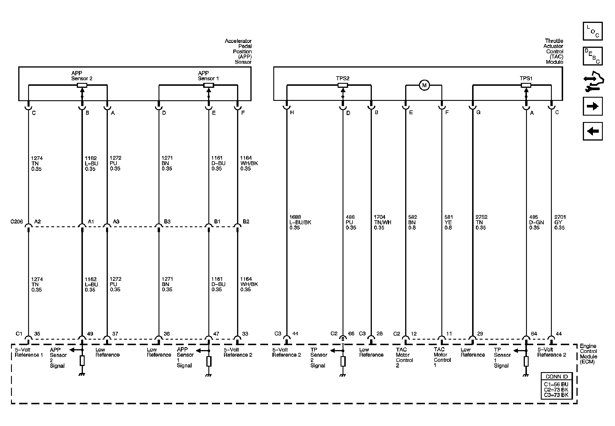
Fig 5: Electronic Throttle Controls Schematic
GM1783103Courtesy of GENERAL MOTORS CORP.
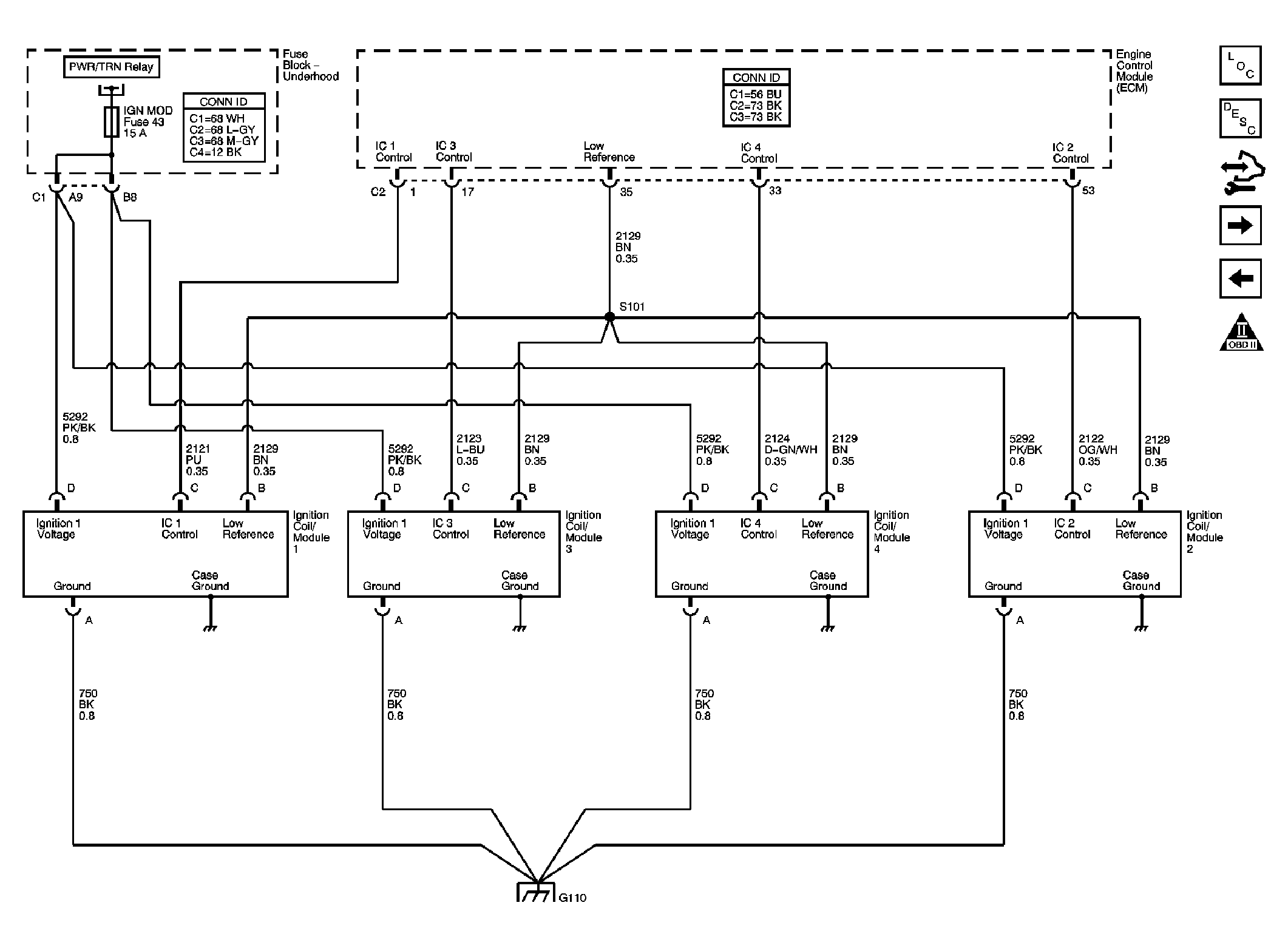
Fig 6: Ignition Coils/Modules Schematic
GM1783117Courtesy of GENERAL MOTORS CORP.
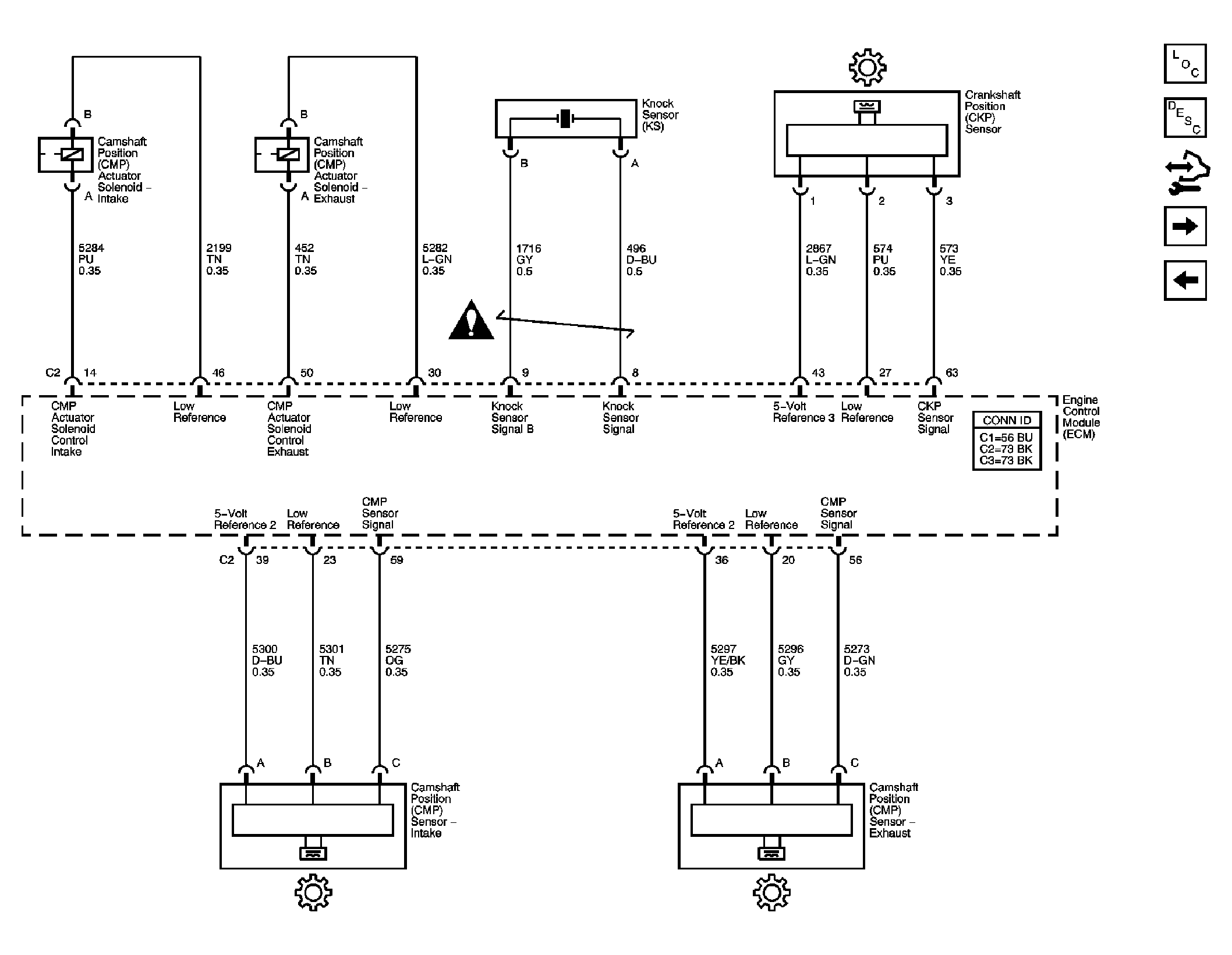
Fig 7: Ignition Sensors Schematic
GM1783133Courtesy of GENERAL MOTORS CORP.
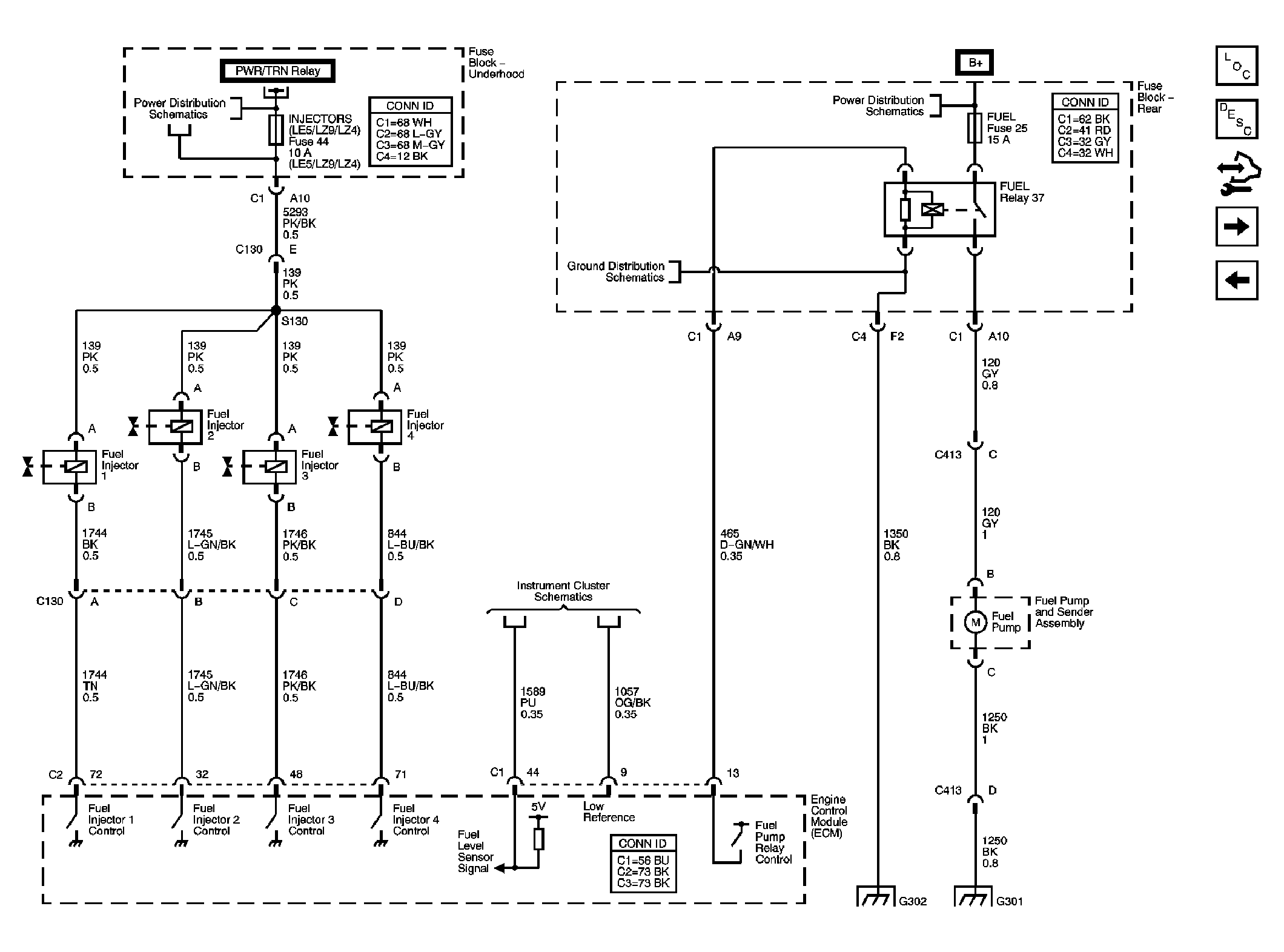
Fig 8: Fuel Injectors and Fuel Pump Schematic
GM1783146Courtesy of GENERAL MOTORS CORP.
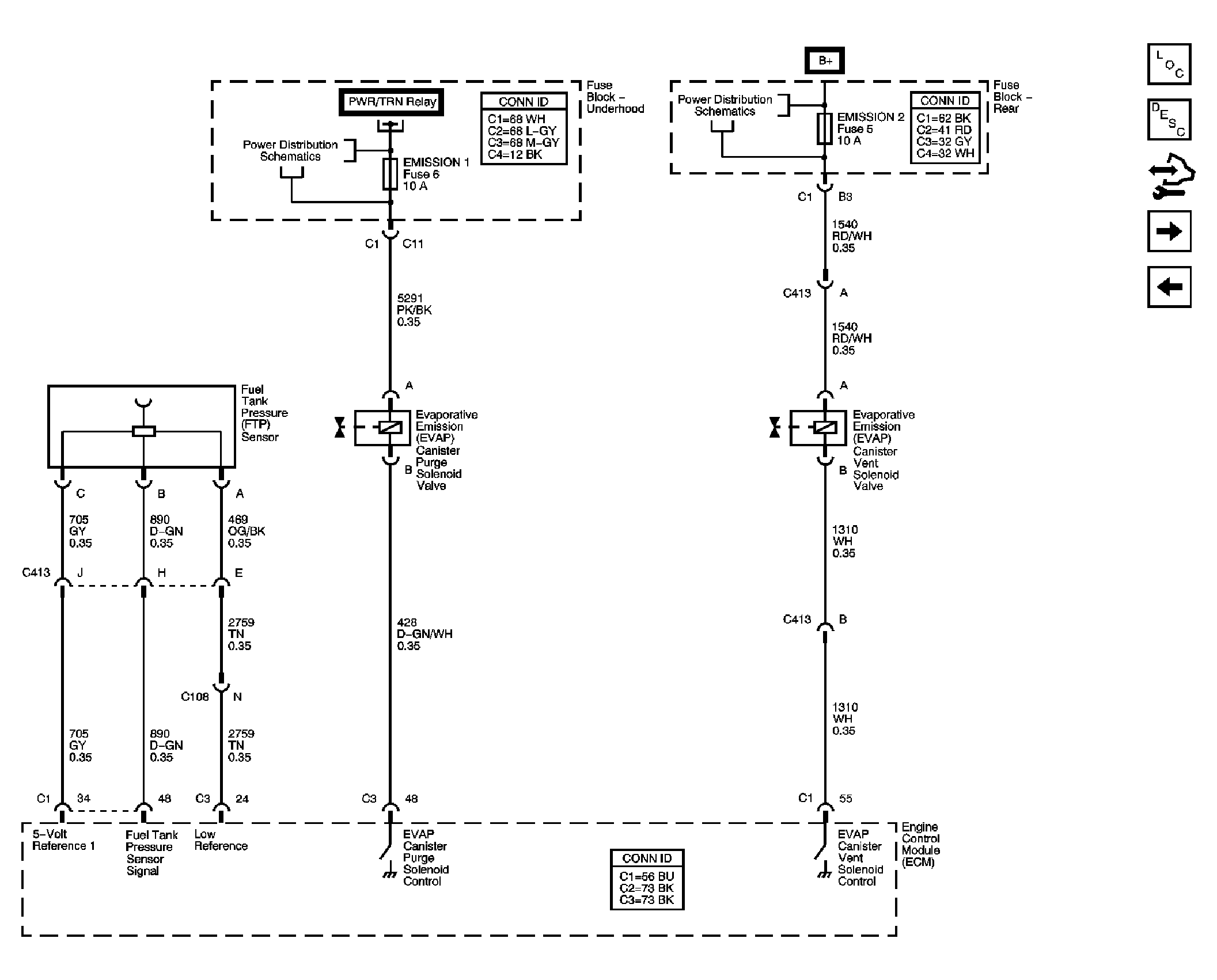
Fig 9: EVAP Controls and FTP Sensor Schematic
GM1783148Courtesy of GENERAL MOTORS CORP.
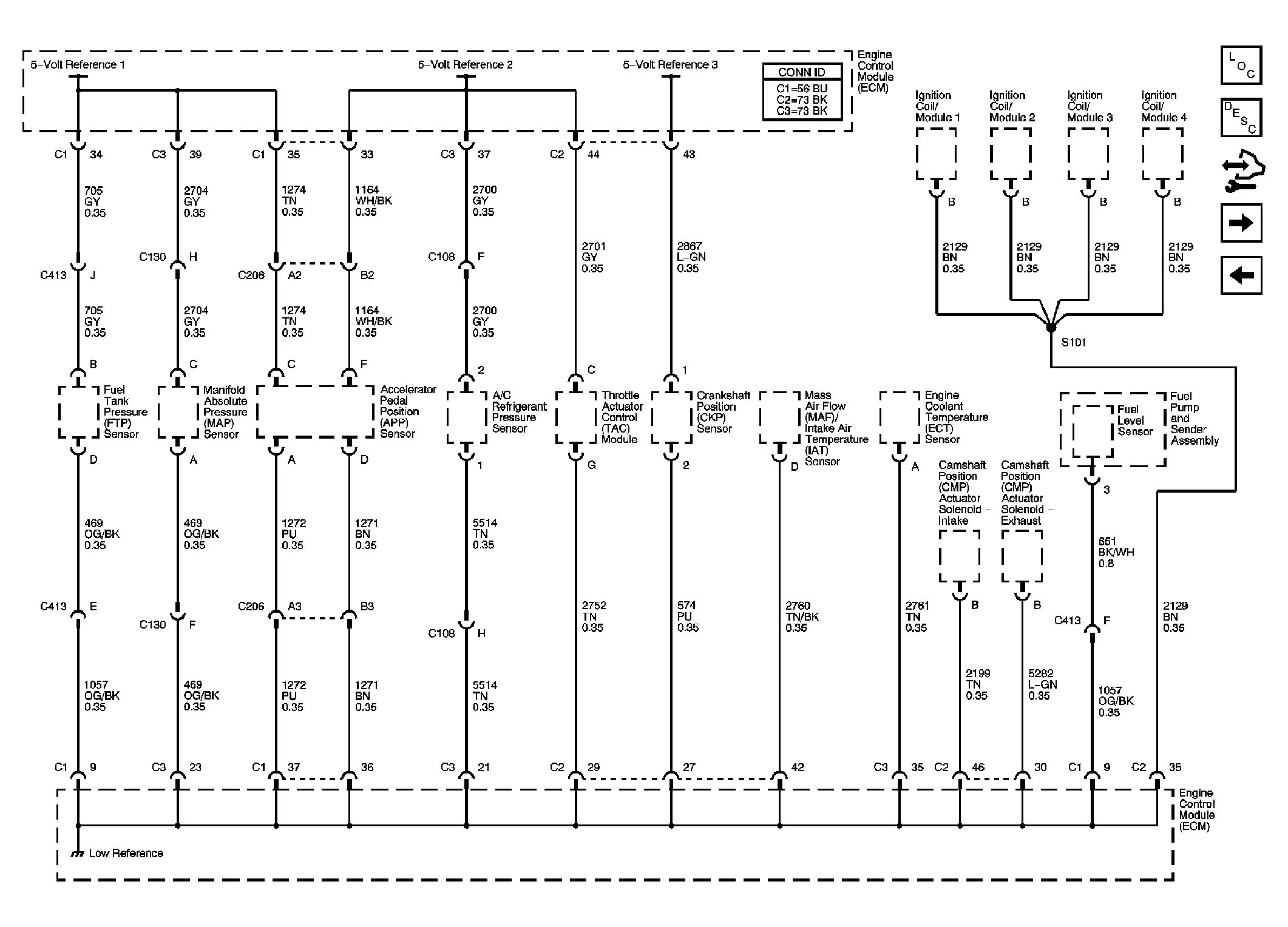
Fig 10: Controlled/Monitored Subsystem References Schematic
GM1783151Courtesy of GENERAL MOTORS CORP.