LEMON Manuals: Even more car manuals for everyone: 1960-2025
Home >> Pontiac >> 2007 >> G6 Base, 2.4 B >> Repair and Diagnosis >> External Pages >> Different car >> Section 2109 (Keyless Entry System And Remote Functions) >> Schematic Wiring Diagrams >> Remote Function Wiring Schematics >> Easy Keyless Entry (ATH)
April 5, 2026: LEMON Manuals is launched! Read the announcement.

Easy Keyless Entry (ATH)

WARNING: This page is about a different car, the 2013 Cadillac CTS. However, it is still accessible from the selected car via links, so may be relevant.
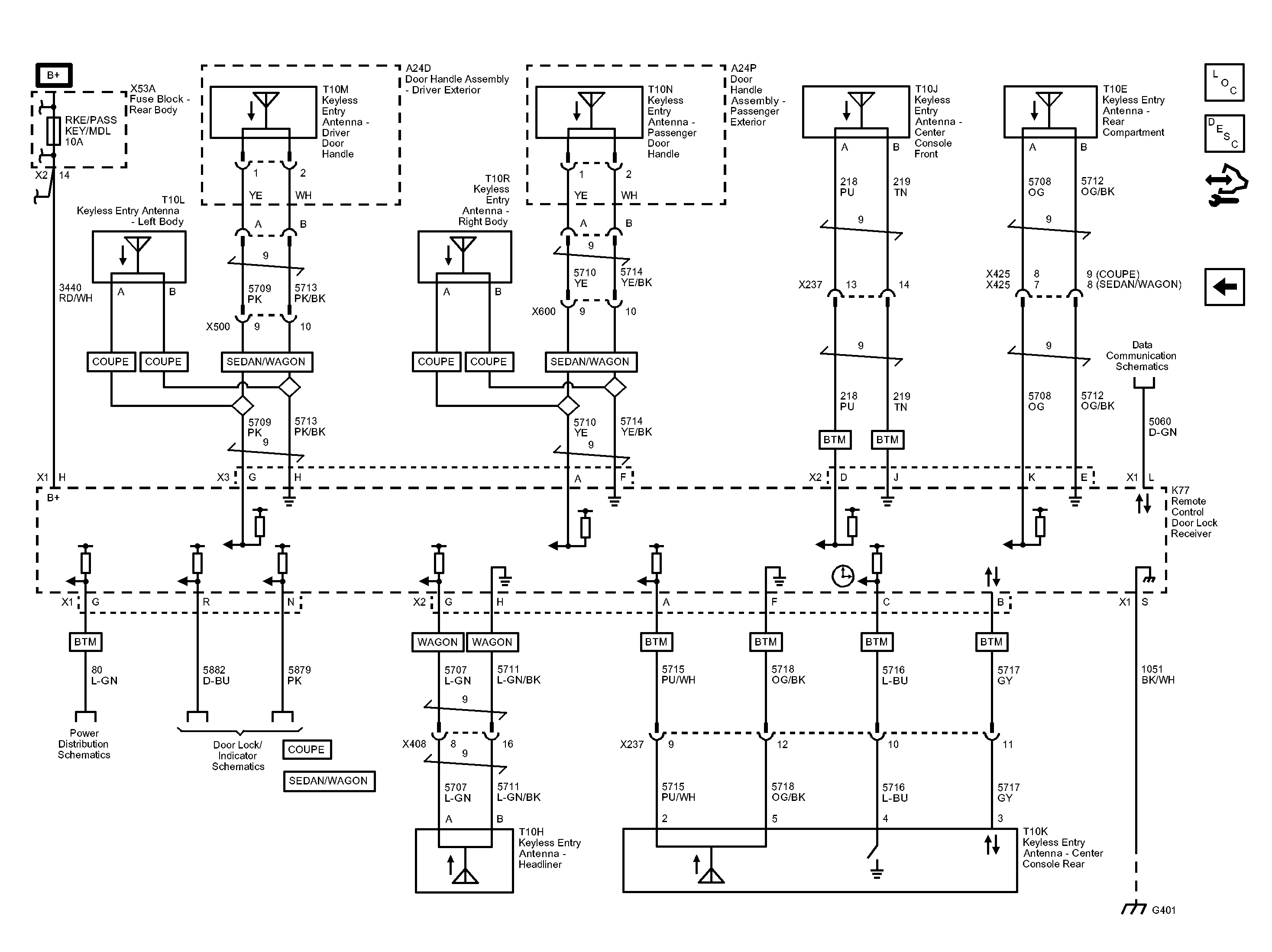
Fig 1: Easy Keyless Entry Wiring Schematic (ATH)
GM2779212Courtesy of GENERAL MOTORS COMPANY