LEMON Manuals: Even more car manuals for everyone: 1960-2025
Home >> Pontiac >> 2007 >> Torrent AWD >> Repair and Diagnosis >> Accessories & Equipment >> Infotainment >> Cellular System, Entertainment System, And Navigation System >> Schematic and Routing Diagrams >> Radio/Navigation System Schematics
April 5, 2026: LEMON Manuals is launched! Read the announcement.

Radio/Navigation System Schematics

Fig 1: Radio (UC1) Schematic
GM1810835Courtesy of GENERAL MOTORS CORP.
Fig 2: Radio (U65) Schematic
GM1810858Courtesy of GENERAL MOTORS CORP.
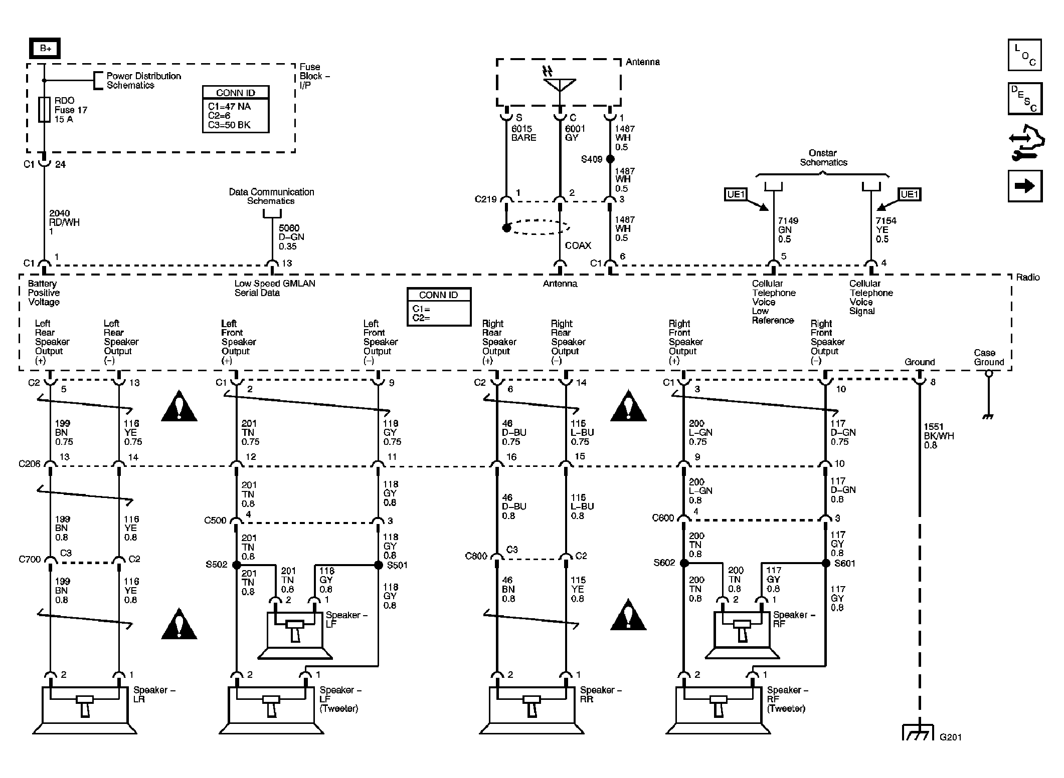
Fig 3: Speaker (U65) Schematic
GM1810912Courtesy of GENERAL MOTORS CORP.
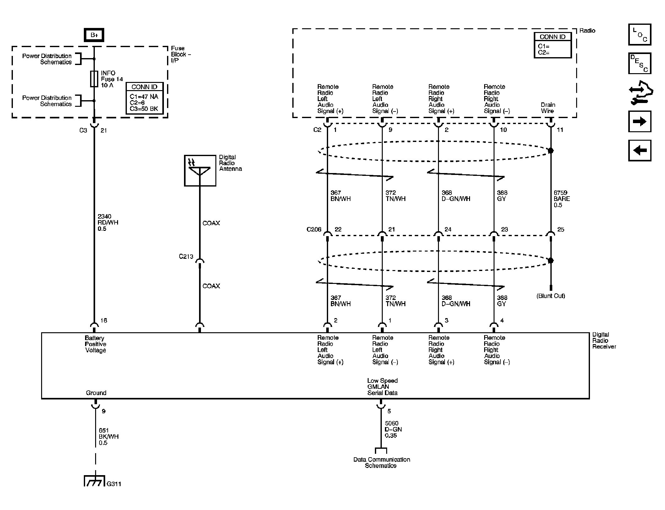
Fig 4: Digital Radio Receiver (U2K) Schematic
GM1810921Courtesy of GENERAL MOTORS CORP.
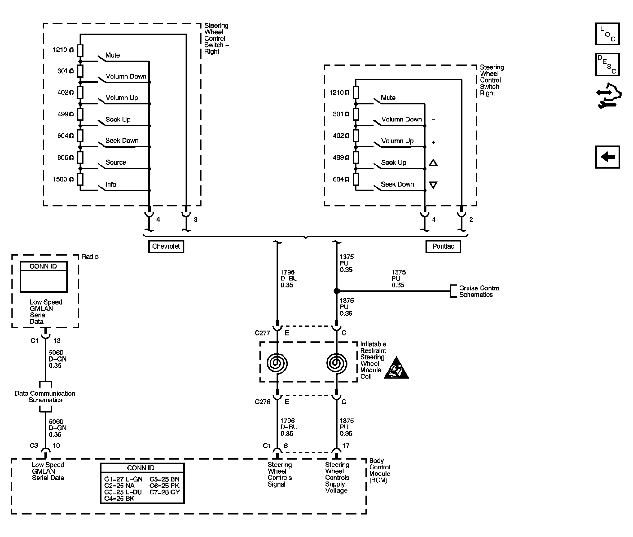
Fig 5: Steering Wheel Controls Schematic
GM1810947Courtesy of GENERAL MOTORS CORP.
Fig 6: Power, Ground and Video Signal Schematic
GM1810951Courtesy of GENERAL MOTORS CORP.
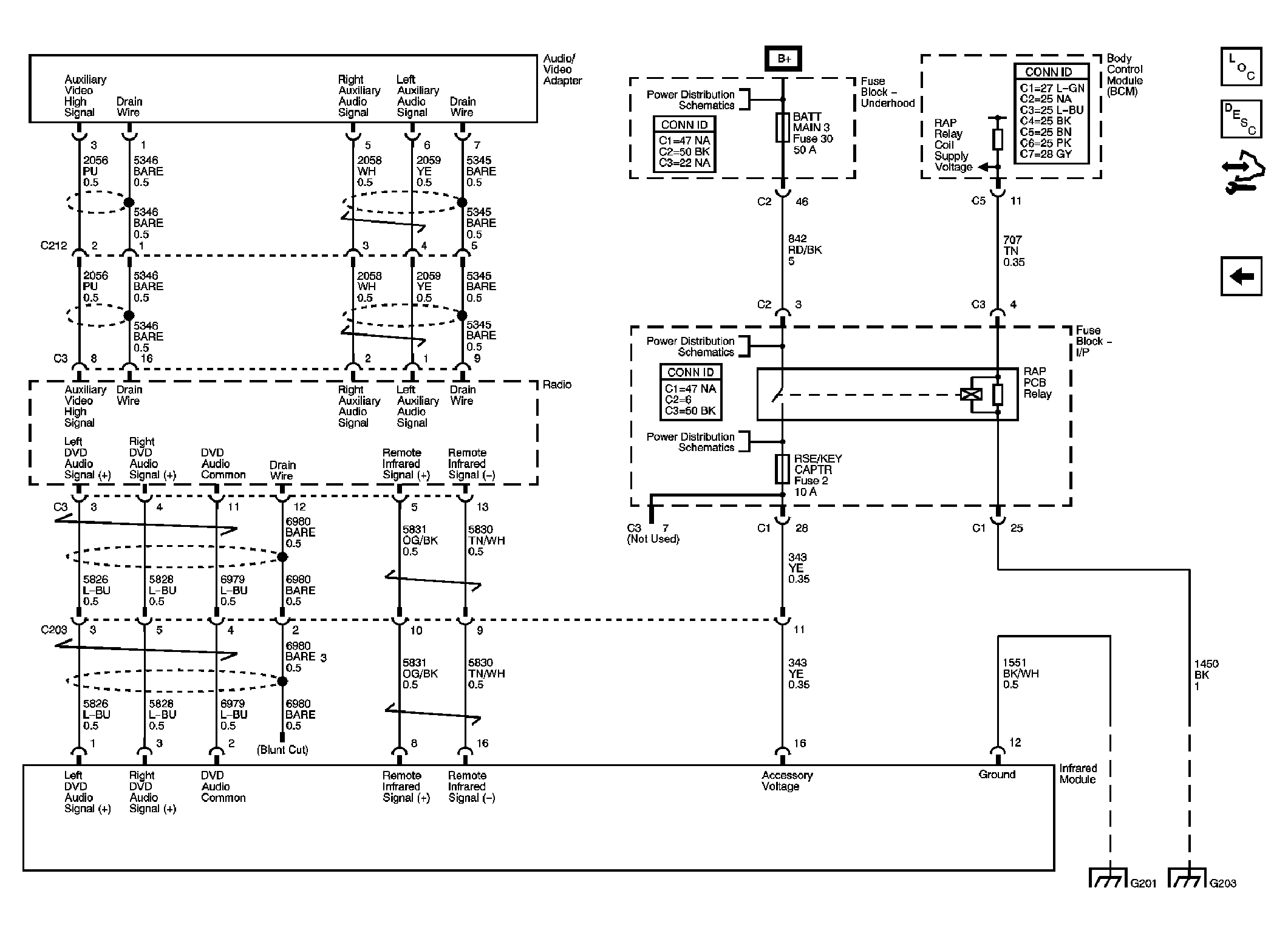
Fig 7: Audio Signals Schematic
GM1810953Courtesy of GENERAL MOTORS CORP.