LEMON Manuals: Even more car manuals for everyone: 1960-2025
Home >> Pontiac >> 2007 >> Vibe Automatic >> Repair and Diagnosis >> Engine Performance >> System >> Engine Control System & Fuel System - Introduction (2 Of 2) >> Schematic and Routing Diagrams >> Engine Controls Schematics
April 5, 2026: LEMON Manuals is launched! Read the announcement.

Engine Controls Schematics

Fig 1: Powertrain Control Module (PCM) Power and Ground
GM1847848Courtesy of GENERAL MOTORS CORP.
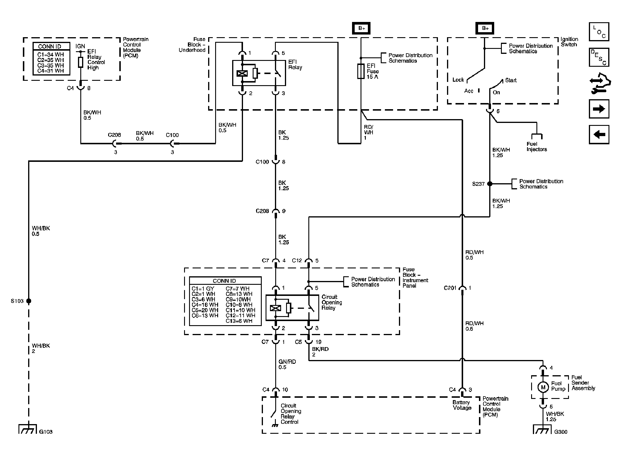
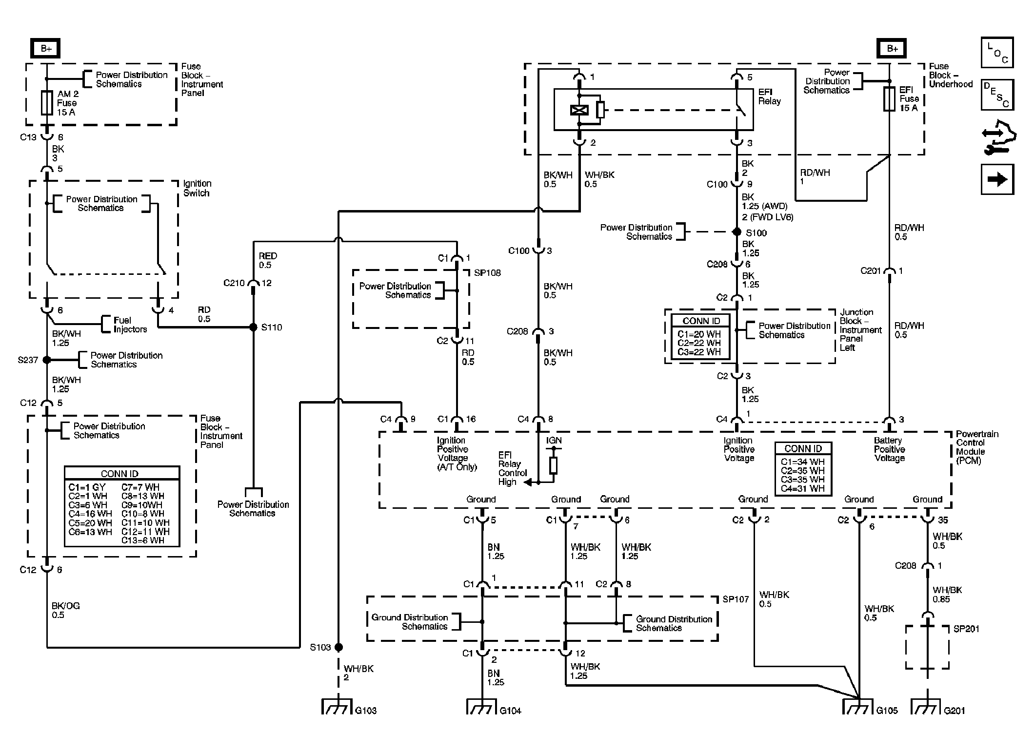
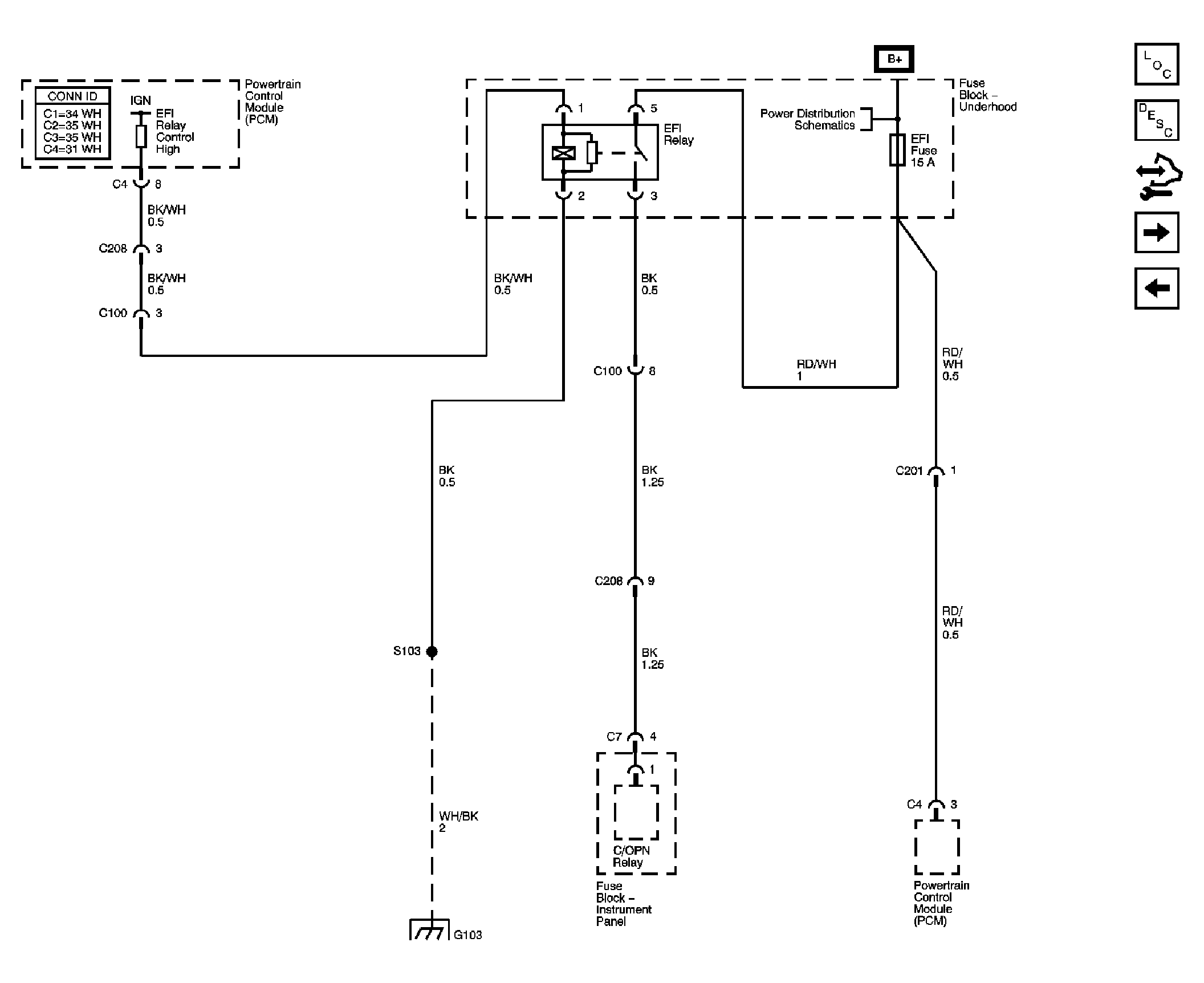
Fig 2: EFI Relay
GM1847849Courtesy of GENERAL MOTORS CORP.
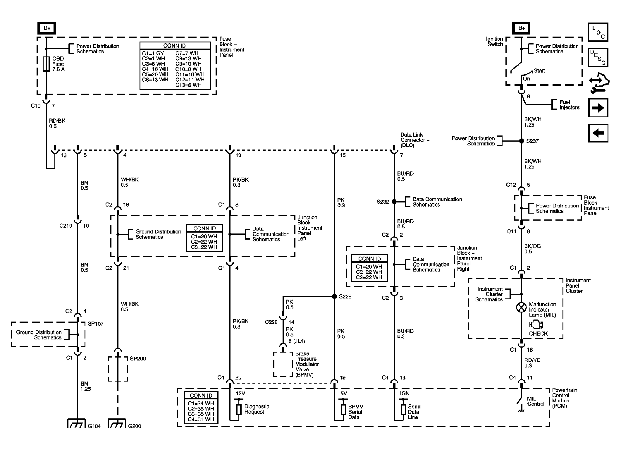
Fig 3: Data Link Connector
GM1847850Courtesy of GENERAL MOTORS CORP.
Fig 4: Fuel Sender Assembly
GM1847852Courtesy of GENERAL MOTORS CORP.
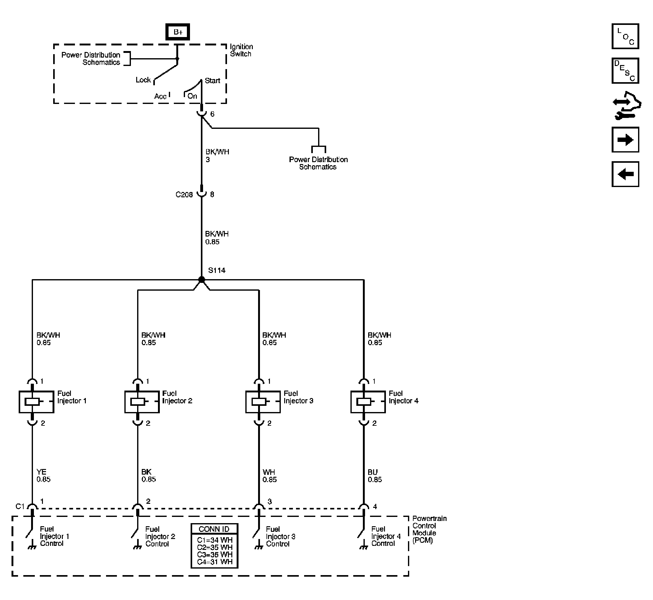
Fig 5: Fuel Injectors
GM1422201Courtesy of GENERAL MOTORS CORP.
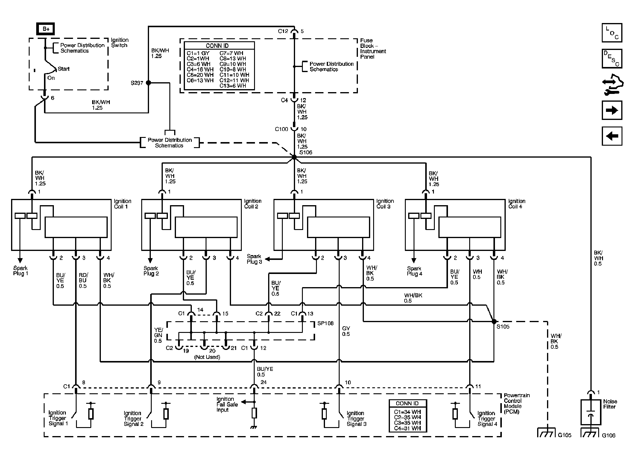
Fig 6: Ignition Coils
GM1666794Courtesy of GENERAL MOTORS CORP.
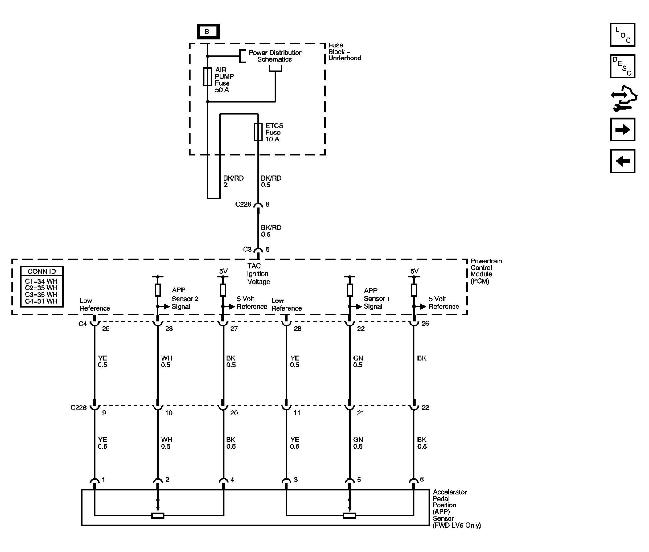
Fig 7: Accelerator Pedal Position (APP) Sensor
GM1470559Courtesy of GENERAL MOTORS CORP.
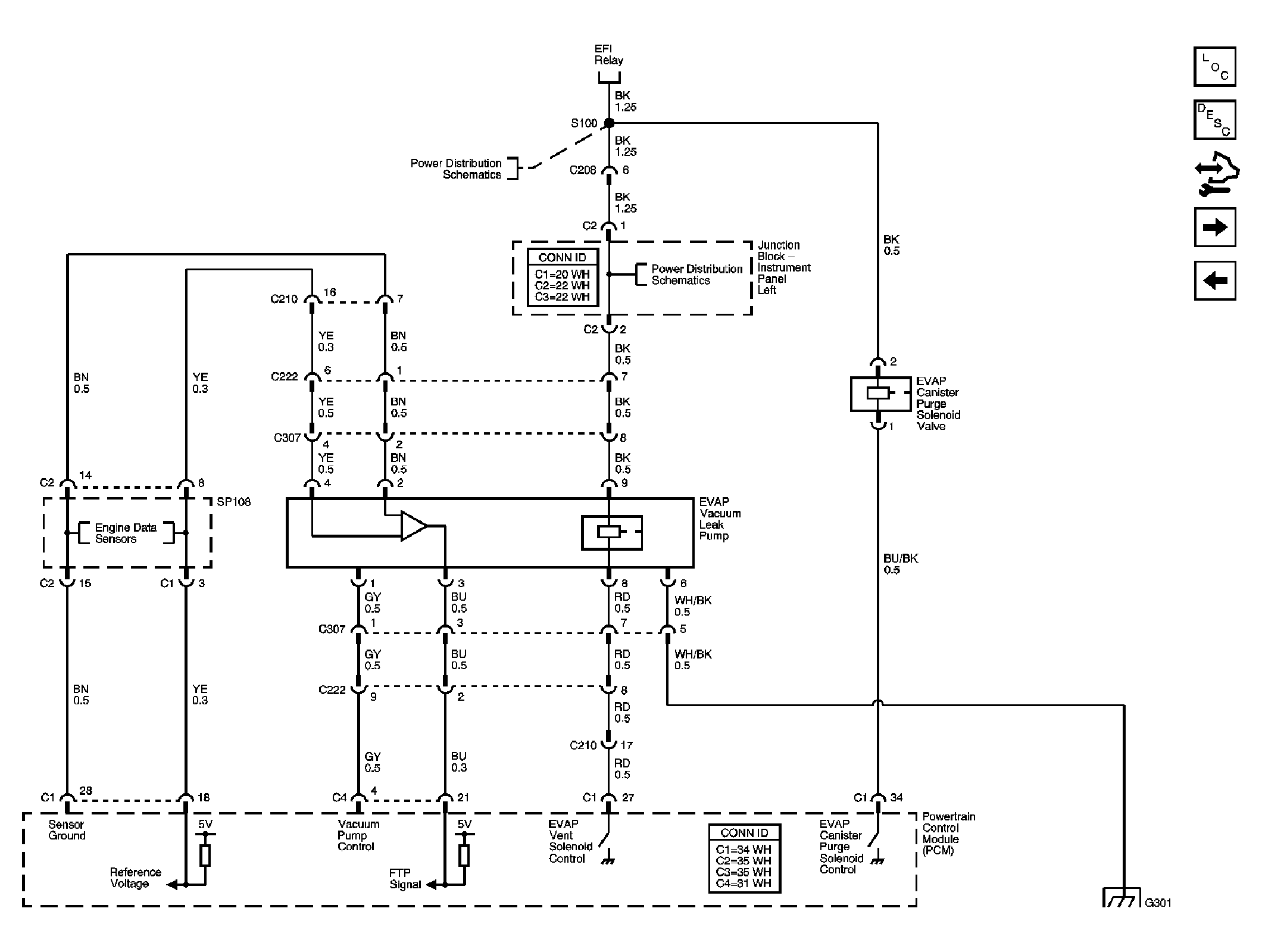
Fig 8: EVAP System
GM1847855Courtesy of GENERAL MOTORS CORP.
Fig 9: Idle Air Control Valve and EVAP System (AWD)
GM1666796Courtesy of GENERAL MOTORS CORP.
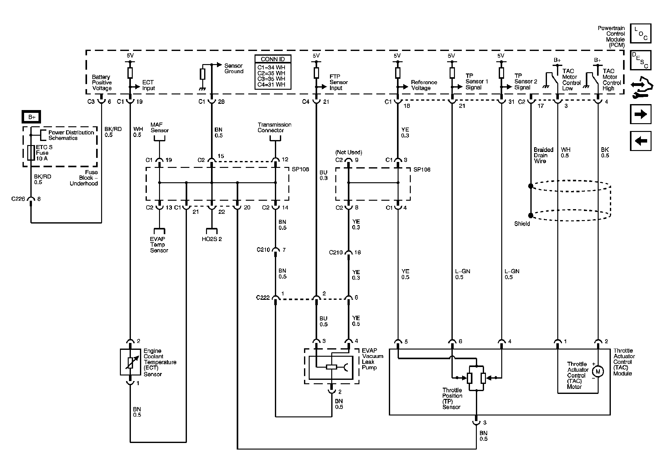
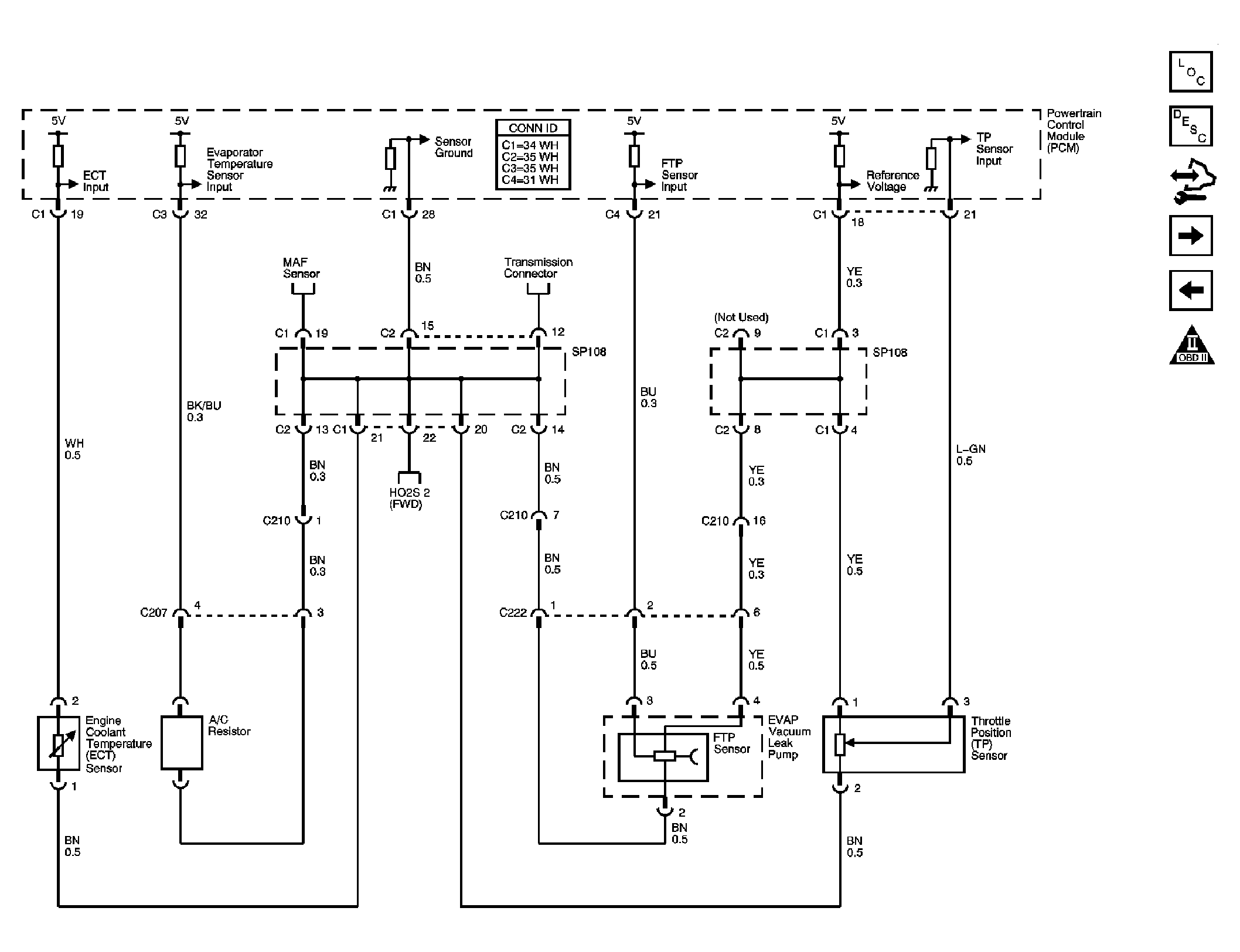
Fig 10: Engine Coolant Temperature (ECT) Sensor, Fuel Tank Pressure (FTP) Sensor, Throttle Actuator Control (TAC) Module
GM1847856Courtesy of GENERAL MOTORS CORP.
Fig 11: Engine Coolant Temperature (ECT) Sensor, A/C Resistor, Fuel Tank Pressure (FTP) Sensor, Throttle Position (TP) Sensor (AWD)
GM1666797Courtesy of GENERAL MOTORS CORP.
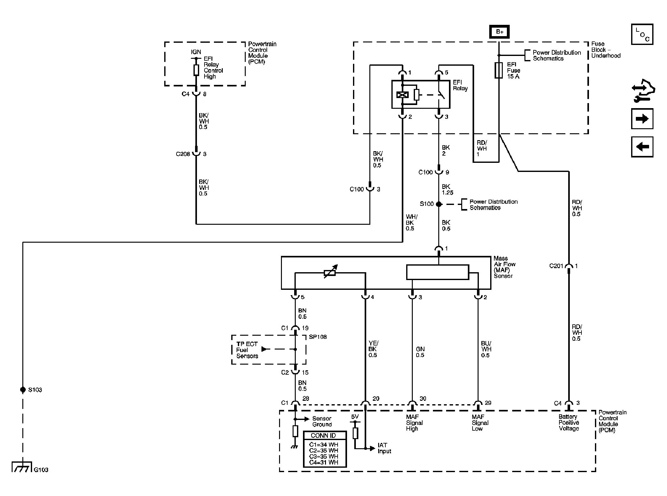
Fig 12: Mass Air Flow (MAF) Sensor
GM1847857Courtesy of GENERAL MOTORS CORP.
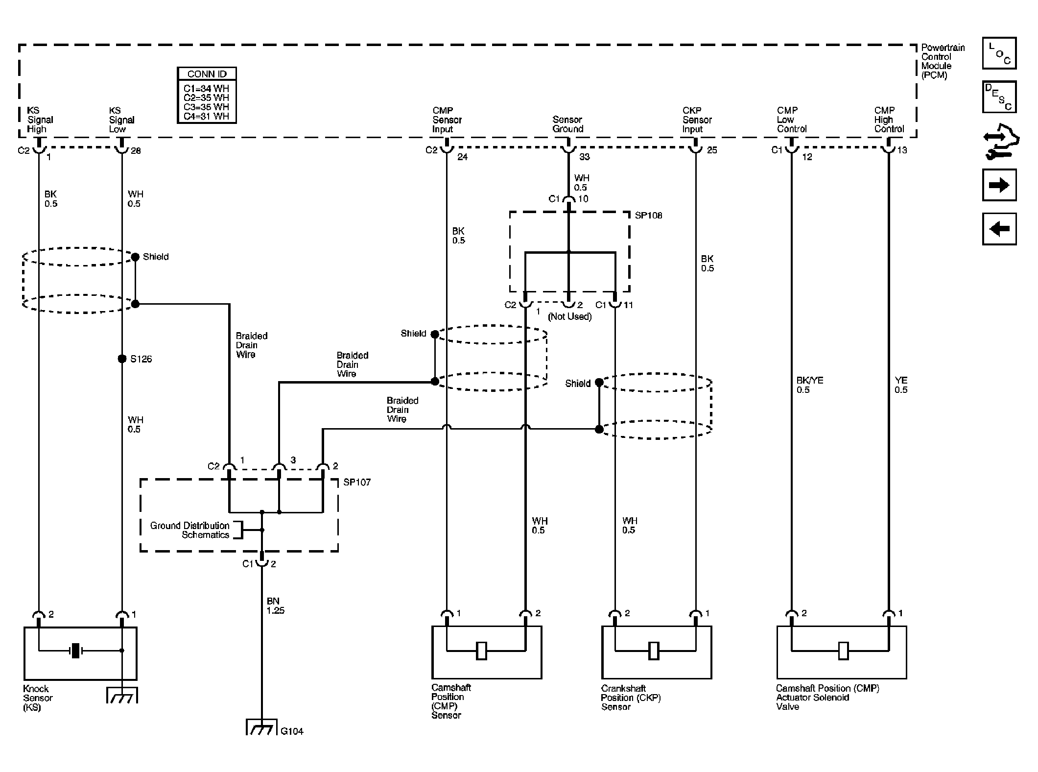
Fig 13: Knock Sensor (KS), Camshaft Position (CMP), Crankshaft Position (CKP) Sensors, Camshaft Position Actuator Solenoid Valve
GM1847860Courtesy of GENERAL MOTORS CORP.
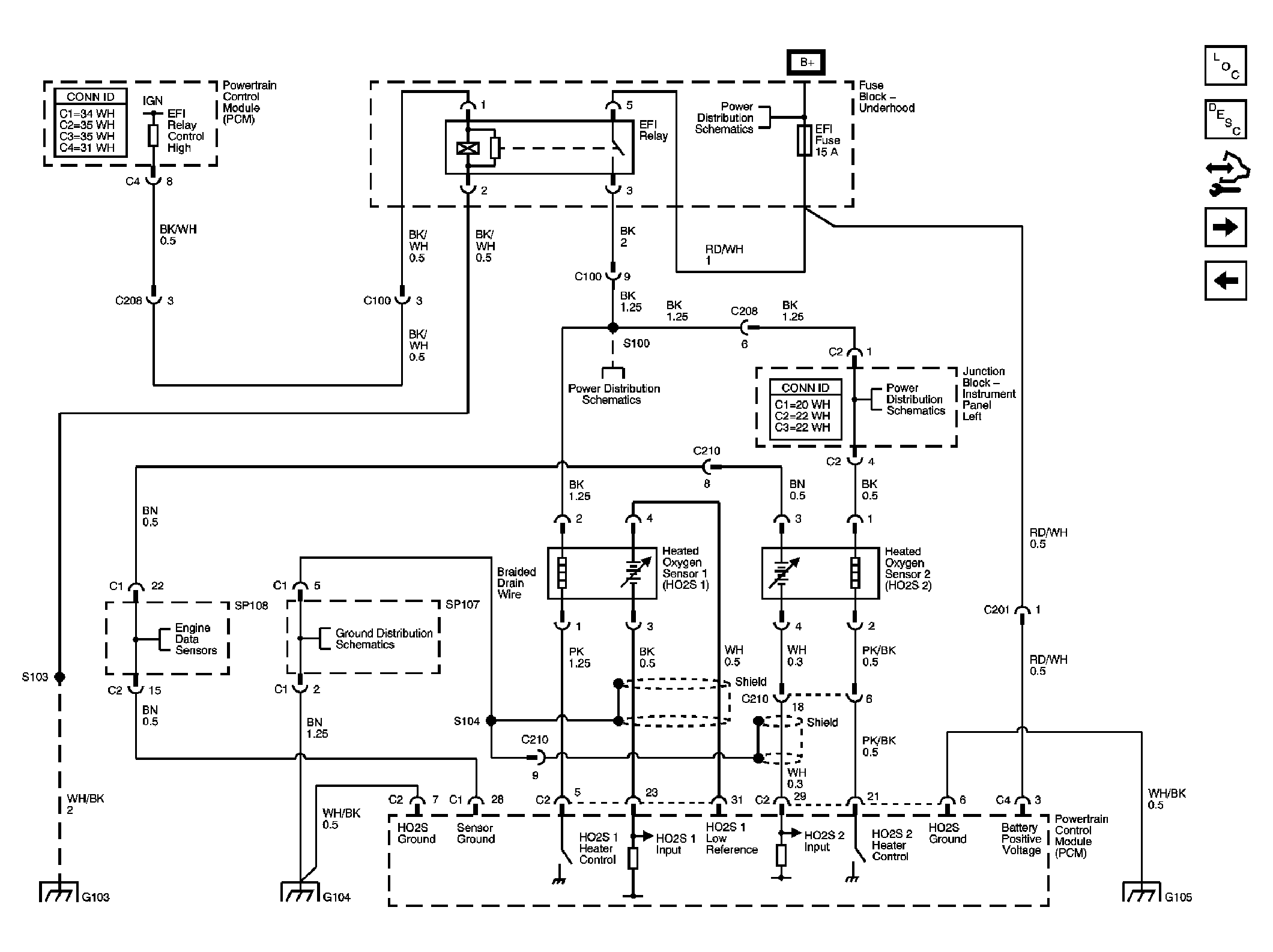
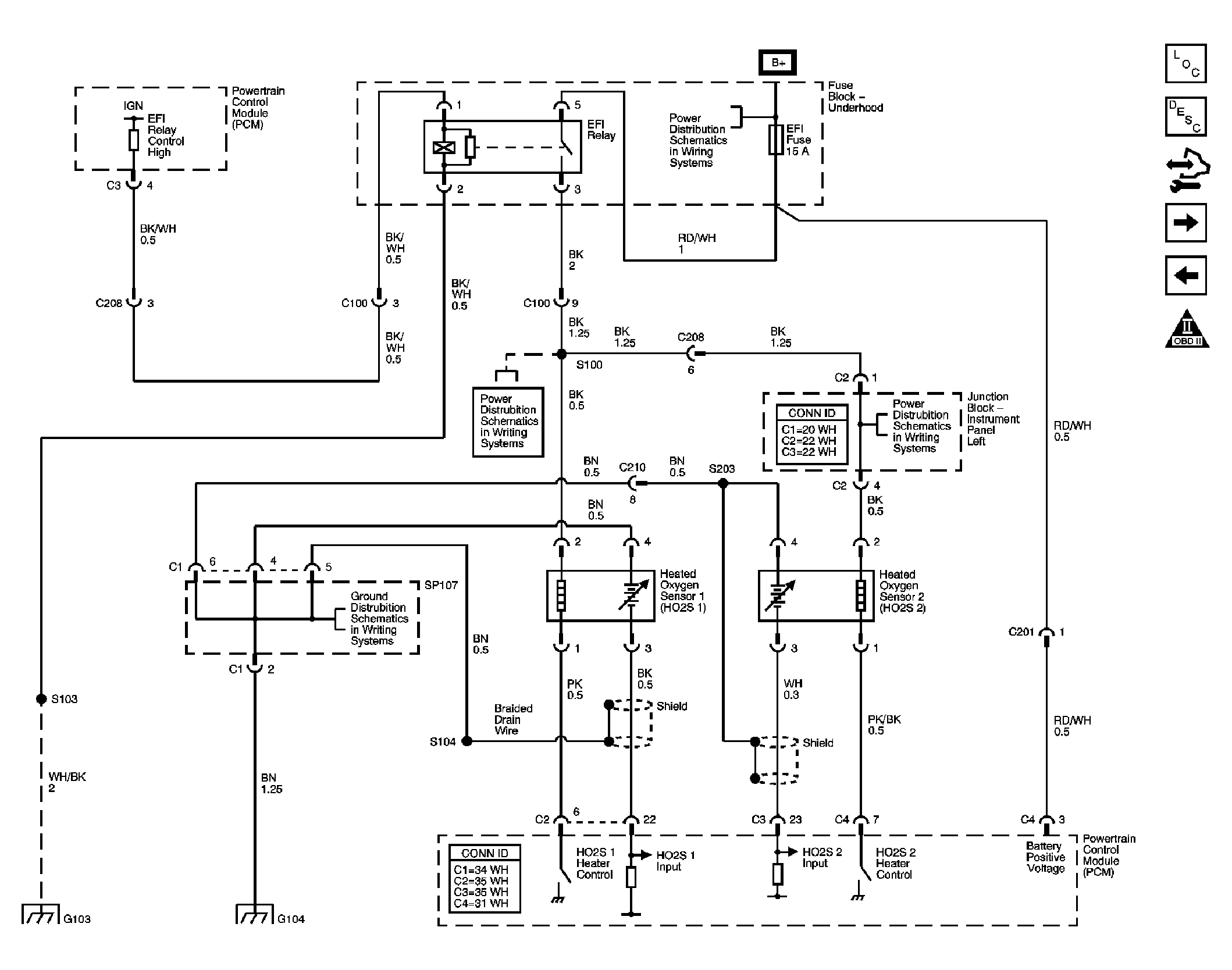
Fig 14: Heated Oxygen Sensors (HO2S)
GM1424565Courtesy of GENERAL MOTORS CORP.
Fig 15: Heated Oxygen Sensors (HO2S) (AWD)
GM1666803Courtesy of GENERAL MOTORS CORP.
Fig 16: Park/Neutral Position Switch, Brake Pressure Modulator Valve (BPMV), Multifunction Alarm Module
GM1847864Courtesy of GENERAL MOTORS CORP.
Fig 17: Vehicle Speed Sensor (VSS)
GM1847870Courtesy of GENERAL MOTORS CORP.
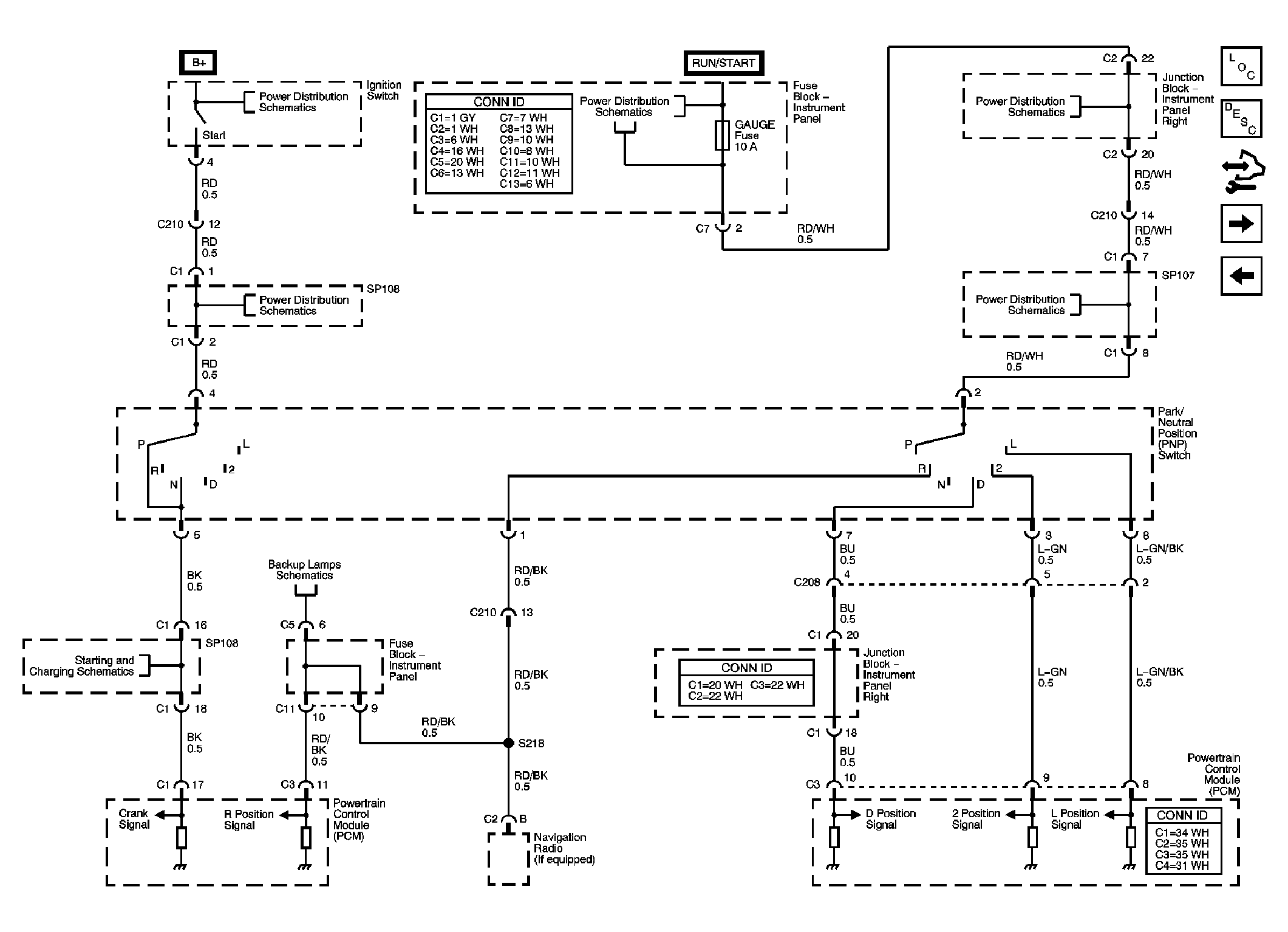
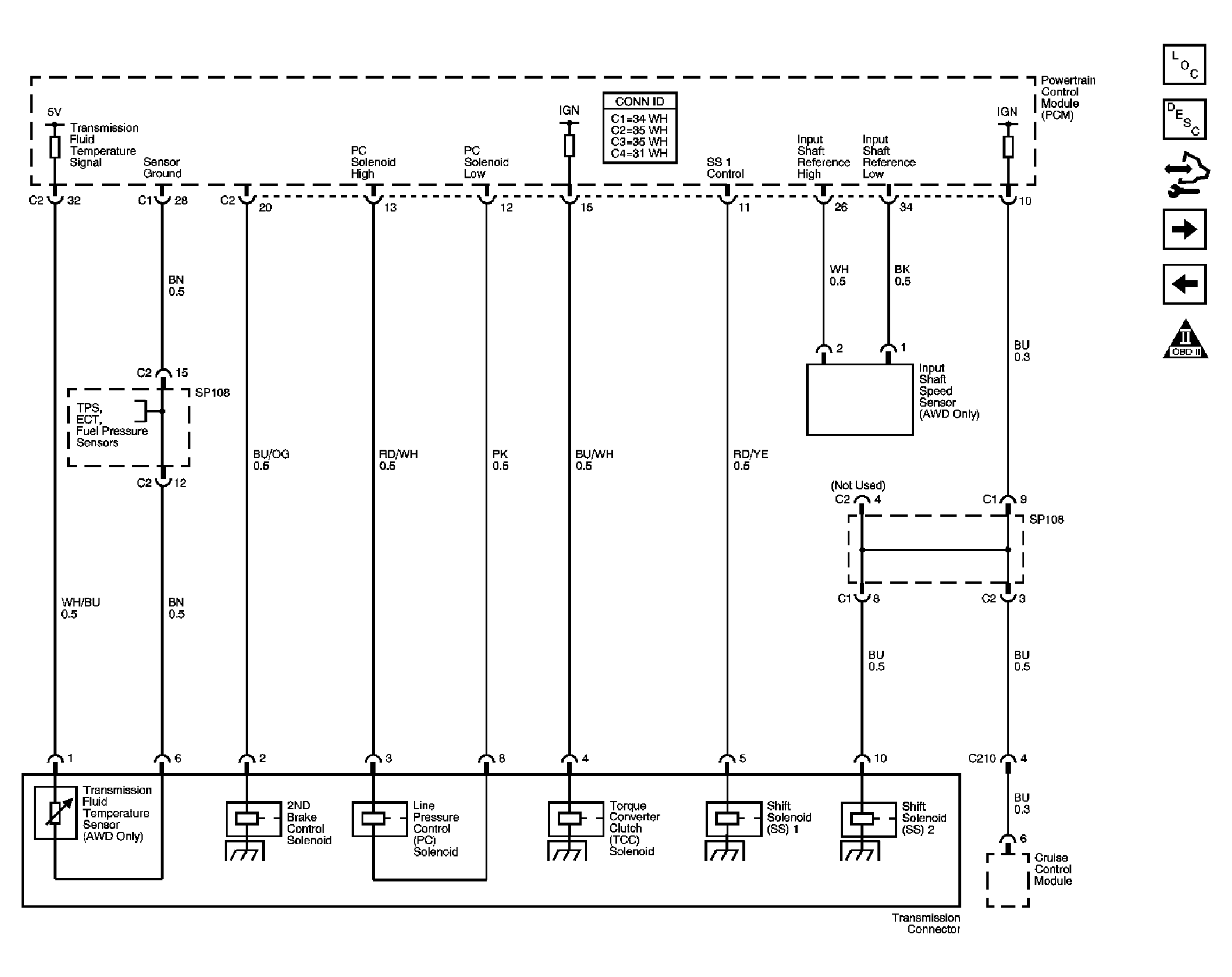
Fig 18: Automatic Transaxle Controls (FWD) Schematic
GM1422223Courtesy of GENERAL MOTORS CORP.
Fig 19: Automatic Transaxle Controls (AWD)
GM1666814Courtesy of GENERAL MOTORS CORP.
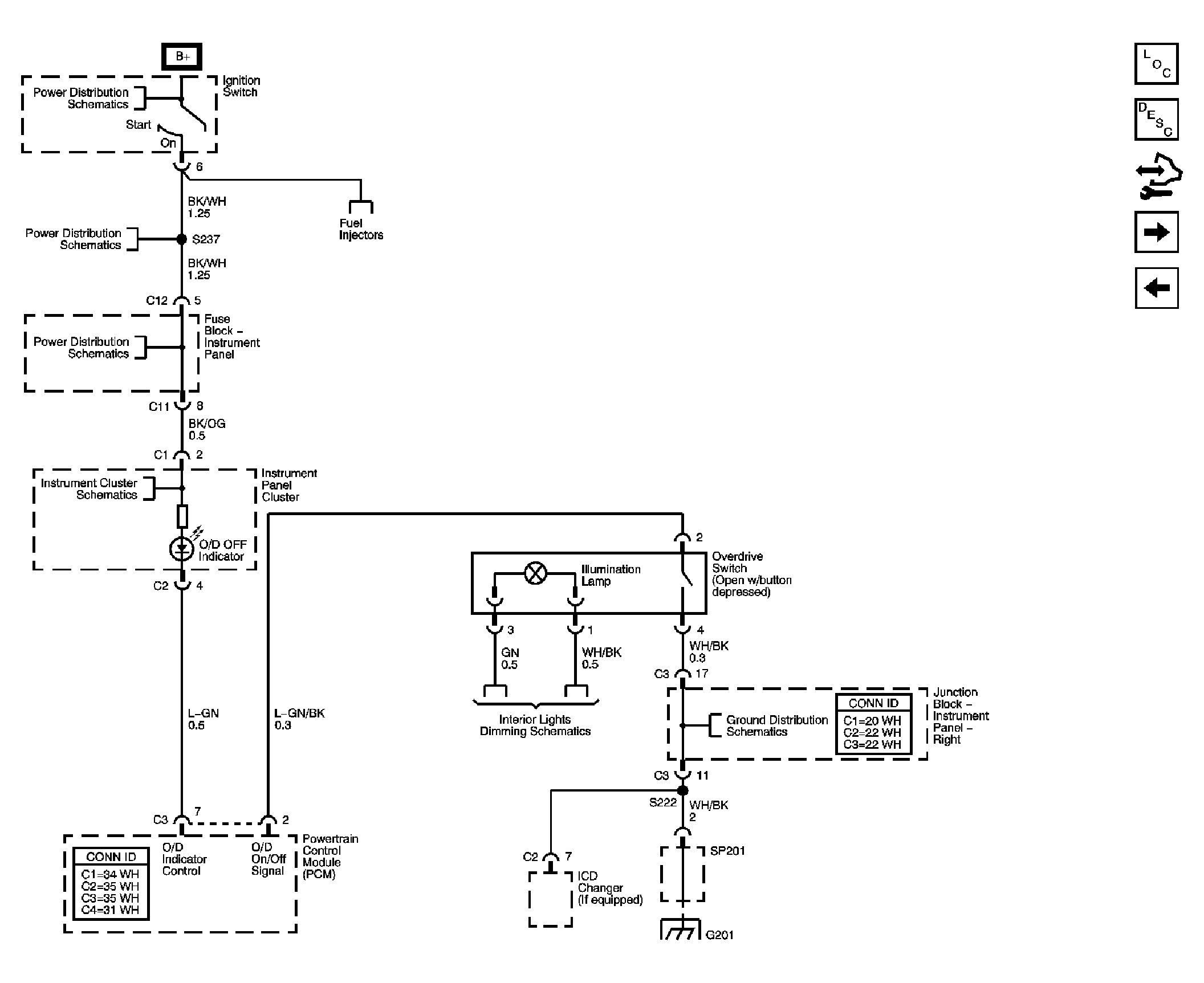
Fig 20: Overdrive Switch and Indicator
GM1666815Courtesy of GENERAL MOTORS CORP.
Fig 21: Powertrain Control Module (PCM) Idle-Up Inputs
GM1847872Courtesy of GENERAL MOTORS CORP.
Fig 22: Park/Neutral Position Switch
GM1847862Courtesy of GENERAL MOTORS CORP.