LEMON Manuals: Even more car manuals for everyone: 1960-2025
Home >> Pontiac >> 2008 >> G6 Base, 2.4 B >> Repair and Diagnosis >> Body & Frame >> Door Locks >> Keyless Entry System And Remote Functions >> Schematic and Routing Diagrams >> Remote Function Schematics
April 5, 2026: LEMON Manuals is launched! Read the announcement.

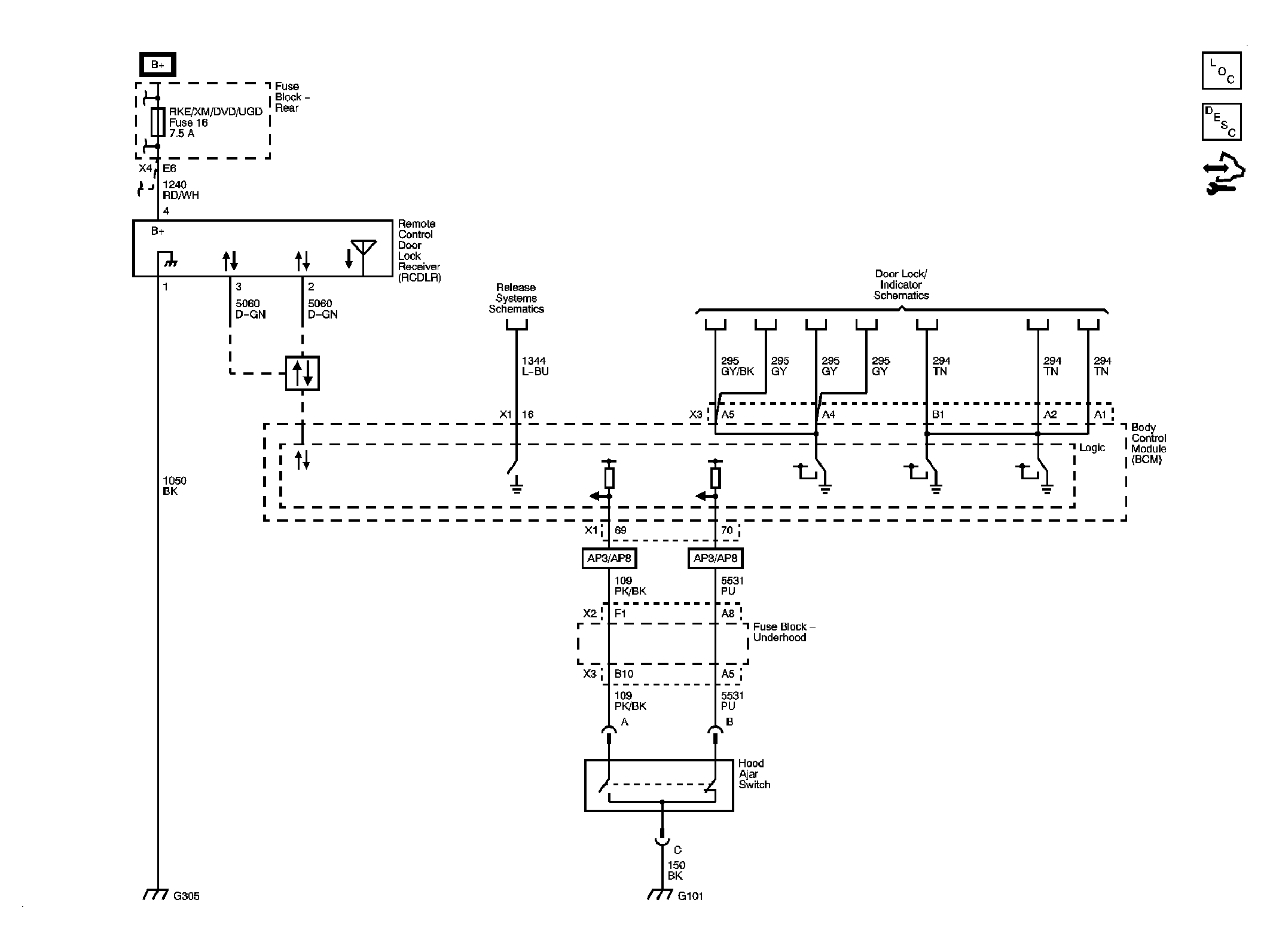
Remote Function Schematics

Fig 1: Remote Function Schematic
GM1913232Courtesy of GENERAL MOTORS CORP.